MAN B&W 50-108 ME-C – Профилактика турбонагнетателей и воздухоохладителей

Турбонагнетатель

ОБЩИЕ ПОЛОЖЕНИЯ

Рекомендуется производить чистку работающих турбонагнетателей на регулярной основе. Это защищает от образования тяжёлых отложений на вращающихся частях, и поддерживает турбонагнетатели в наилучшем рабочем состоянии между капитальными ремонтами. В специальных установках интервалы между чистками во время работы должны определяться степенью исправности турбонагнетателя. Это объясняется тем, что тенденция в формировании отложений зависит, наряду с другими факторами, от свойств горения действующего топлива. Ниже рекомендованы интервалы между чистками для каждого способа.

!Если чистка не выполняется на регулярной основе, то отложения не могут удаляться однообразно. Это будет вызывать разбаланс ротора и вибрацию.

Для удаления отложений, которые не были удалены во время чистки и в частности на невращающихся деталях, необходимо сделать ручной ремонт с переборкой.

В отношении интервалов выполнения ручной переборки см. инструкцию производителя.

ЧИСТКА СО СТОРОНЫ ТУРБИНЫ

А. Сухая очистка, рис. 6.12

Сухая чистка турбонагнетателя (сторона турбины) - Dry Cleaning of Turbocharger

Интервалы между чистками 24-50 часов работы. Эффективность чистки повышают инъекцией некоторого объёма дроблёной ореховой кожуры или подобной этому. Размер частиц должен быть около 1.5 мм. Поскольку чистка является механической, то наибольшая эффективность получается при полной нагрузке, и чистка не должна выполняться при нагрузке менее 50%. Чистку необходимо выполнять в соответствии с инструкцией ниже, руководствуясь рис. 6.12:

  • Закрыть клапан А.
  • Открыть клапаны В и С, для продувки возможных отложений и/или конденсата в соединительной трубе. Спустя 2 минуты закрыть клапаны В и С.
  • Медленно открыть клапан А для вентиляции контейнера.
  • Заполнить контейнер гранулами в объеме, согласно рис. 6.12.
  • Закрыть клапан А.
  • Открыть клапаны В и С для продувки гранул. Спустя 1-2 минуты, закрыть клапаны В и С.
  • Медленно открыть клапан А для вентиляции контейнера.

В. Чистка водой (не для МЕТ - турбонагнетателей).

Интервалы между чистками: примерно каждые от 50 до 500 часов работы. Эффективность чистки повышается инъекцией распылённой воды через проход газа и сниженной нагрузки двигателя.

Чистка турбонагнетателя водой (сторона турбины) - Water Cleaning Turbocharger

Выполнять чистку необходимо по инструкции ниже, руководствуясь рис. 6,13:

  1. Отрегулировать нагрузку двигателя так, чтобы давление наддува было в диапазоне Pscav = 0.3 - 0.6 bar. Температура газов перед турбонагнетателем должна быть ниже 430 °С и вспомогательная воздуходувка должна быть в работе.
  2. Открыть сливной клапан А пространства выхода газов и проверить появились ли газы.
  3. Медленно открывать клапан В до тех пор, пока манометр С (давления воды pwater) не покажет: pwater = 1.0 bar.
  4. Подавать воду в течение 5 минут, поддерживая нагрузку двигателя постоянной.
  5. Закрыть клапан В.
  6. Закрыть сливной клапан А пространства выхода газов.

Необходимо знать, что чистка водой может вызывать коррозию бандажного кольца вокруг лопастей турбины турбонагнетателя. Следует отметить, что при нормальной работе часть наддувочного воздуха проходит через трёхходовой клапан от трубы №1 к трубе №2 и на выпускное дренажное отверстие турбины посредством чего труба содержится чистой.

ЧИСТКА СО СТОРОНЫ КОМПРЕССОРА

Рекомендуемые интервалы между чистками 25 - 75 часов работы.

! Всегда следуйте специальной инструкции производителя.

Эффективность чистки повышается при инъекции воды через специальное трубное приспособление во время работы с полной нагрузкой и нормальной температуре.

Относительно процедуры чистки см. специальную инструкцию производителя.

! Если отложения тяжёлые и сильные, то компрессор необходимо отсоединить и чистку выполнить вручную.

Если чистка выполняется в действии при сильно загрязнённой стороне компрессора, то оторвавшиеся отложения могут застревать в изгибах элементов воздушного холодильника. Это приводит к снижению эффективности воздушного холодильника.

В отношении чистки воздушного холодильника см. п. «Система очистки воздушного холодильника», ниже.

Рекомендуется оборачивать вокруг входного фильтра турбонагнетателя тонкий сетчатый пылевой фильтр и крепить его с помощью стяжек. Это значительно снижает неполадки со стороны компрессора, и снижает необходимость чистки во время работы. Когда сетка становится грязной, её заменяют.

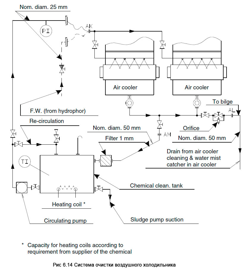
Система очистки воздушного холодильника

Система очистки воздушного холодильника - Air Cooler Cleaning System

Выполнять чистку следует только при остановленном двигателе.

Это объясняется тем, что сборник водяного тумана не способен возвращать чистящую жидкость. Поэтому возникает риск впуска жидкости в цилиндры, вызывая ускоренный износ втулки.

Чистка воздушной стороны холодильника наддувочного воздуха усиливается за счет впрыска химической жидкости через АК, рис. 6.14 к приспособлению трубы распыления, прикрепленной к воздушной камере над элементом воздушного холодильника.

Загрязнённый химический чистящий агент возвращается из AM через фильтр в танк химической очистки.

Система отвода конденсата

КОНДЕНСАЦИЯ ВОДЫ ПРИ ВЛАЖНОЙ АТМОСФЕРЕ

Комбинирование высокой влажности и труб охлаждения воздушного холодильника вызывает конденсацию воды, которая должна сепарироваться из наддувочного воздуха в водосборник водяного тумана. Типичным примером является высокая температура воздуха и низкая температура охлаждающей воды.

ДРЕНАЖНАЯ СИСТЕМА, рис. 6.14

Конденсат воды будет сливаться из водосборника через смотровое окно, отверстие и AL фланец в льяла. Размер отверстия в дренажной системе определяется способностью слива некоторого количества конденсата при усреднённых текущих условиях. При работе в особых условиях с высокой влажностью может возникнуть необходимость приоткрывать байпасный клапан на нагнетательном трубопроводе и по возможности закрывать байпасный клапан для снижения потерь наддува. Уровневый аварийный сигнал, будет сбрасывать сигнал в случае слишком низкого уровня воды в дренаже. Необходимо регулярно проверять устройство аварийной сигнализации, чтобы обеспечить правильное функционирование.

КОНТРОЛЬ ДРЕНАЖНОЙ СИСТЕМЫ ЧЕРЕЗ СМОТРОВОЕ ОКНО

  • a) Смешанный поток воздуха и воды указывает на правильную работу системы, в которой имеется конденсат.
  • b) Поток одной воды указывает на поломку системы. Необходимо проверить отверстие на блокирование. Проверить на наличие каких-либо ограничений в нагнетательной трубе от AL. Проверить и установить уровень формирования аварийного сигнала.
  • c) Воздушный поток является нормальным только при работе в условиях сухой внешней среды.

! Смотровое окно, полностью заполненное чистой водой без воздушного потока, выглядит визуально как пустое, заполненное воздухом смотровое окно.

Литература

Эксплуатация, обслуживание и ремонт двигателей MAN B&W-ME - Пипченко А.Н., Пономаренко В.В., Шевченко В.А. [2014]

MirMarine
MirMarine – образовательный морской сайт для моряков.
На нашем сайте вы найдете статьи по судостроению, судоремонту и истории мирового морского флота. Характеристики судовых двигателей, особенности устройства вспомогательных механизмов и систем.