СИСТЕМА ВОЗДУХА
Двигатель снабжается продувочным воздухом от одного или более турбонагнетателей в зависимости от типа двигателя и размеров. Выходящий газ приводит во вращение колесо турбины турбонагнетателя и через общий вал (common shaft) колесо турбины приводит во вращение колесо компрессора. Компрессор забирает воздух из машинного отделения через воздушные фильтры. По выходу из компрессора воздух проходит через нагнетательную трубу в холодильник питательного воздуха, где воздух охлаждается. Нагнетательная труба с компенсатором покрыта изоляцией. Воздушный холодильник содержит уловитель водяного тумана, который служит для отделения воздуха от воды через невозвратные клапана, которые открываются за счёт давления от турбонагнетателя. Из ресивера наддувочного воздуха воздух поступит через порты наддувочного воздуха, если поршень будет в нижнем положении. Когда выхлопные клапана открываются, то выходящий газ нагнетается в общий ресивер выхлопного газа, откуда газ пойдёт на вращение турбины турбонагнетателя с равномерным и стабильным давлением.
РЕСИВЕР НАДДУВОЧНОГО ВОЗДУХА
Ресивер наддувочного воздуха является контейнером, имеющим большой объём. Ресивер прикручен к цилиндровой раме или, как альтернатива, встроен в цилиндровую раму, если приварен. Наддувочный воздух собирается в ресивере после прохождения холодильника, уловителя водяного тумана и невозвратных клапанов. Ресивер и цилиндровая рама сообщаются через большие отверстия.
Ресивер продувочного воздуха снабжён крышками (man-hole covers) и клапаном безопасности.
ВСПОМОГАТЕЛЬНЫЕ ВОЗДУХОДУВКИ
Двигатель снабжён двумя или более вспомогательными воздуходувками. Сторона всасывания подключается к среде после уловителя водяного тумана. Стороны подачи подсоединены к ресиверу наддувочного воздуха. Разделительные невозвратные клапана установлены на стороне всасывания или на стороне подачи вспомогательных воздуходувок, чтобы предотвратить обратный поток воздуха.
Во время пуска двигателя, а также, когда двигатель работает на низких оборотах, турбонагнетатель не способен снабжать рабочий процесс двигателя достаточным количеством воздуха. В этих случаях реле давления автоматически запустит вспомогательные воздуходувки. Когда вспомогательные воздуходувки работают, то они забирают воздух из машинного отделения через воздушные фильтры турбонагнетателя и компрессорную сторону.
ПРЕДУПРЕЖДЕНИЕ
Если вспомогательные воздуходувки не запустятся при низкой нагрузке двигателя (по причине неисправностей или переключатель воздуходувок не установлен в положение «AUTO»), то несгоревшее топливо может аккумулироваться сверху поршня с риском возникновения пожара.
Во избежание этого необходимо:
- получить разрешение на остановку двигателя;
- остановить двигатель;
- удалить всякое несгоревшее топливо с верха поршней;
- наладить поставку наддувочного воздуха;
- запустить двигатель.
Примечание: Выключатель для вспомогательных воздуходувок должен быть в положении «AUTO» при всех видах управления двигателем, т.е. дистанционное управление, управление с консоли двигателем.
Невозвратные клапана, установленные после уловителя водяного тумана, теперь закрыты как результат частичного вакуума и гравитации, действующие на заслонки клапана. Если невозвратные клапана не закрыты, то будет недостаток подачи воздуха.
НЕВОЗВРАТНЫЕ КЛАПАНА
Крайне важно, чтобы невозвратные клапана вспомогательных воздуходувок всегда правильно работали и легко двигались. Это можно проверить либо путём управления клапаном вручную при периодической инспекции клапана либо локальной инспекции. Невозвратные клапана предохраняют воздуходувки и двигатель во время: запуска вспомогательных воздуходувок и при работе с вспомогательными воздуходувками.
Пуск вспомогательных воздуходувок:
1) Учитывая сравнительно большие пусковые токи воздуходувок, запуск их производят по очереди с интервалом 6-10 секунд. Невозвратный клапан воздуходувки, которая ещё не запущена, должен быть в закрытом положении для защиты воздуходувки от обратного вращения. Кроме того это предотвратит пуск электродвигателя в режиме противовключения и перегрева его обмотки.
2) При неудавшемся запуске невозвратный клапан должен быть в закрытом положении. Кроме того, работающая воздуходувка будет неспособна к продувке свежего воздуха через турбонагнетатель и воздушный холодильник. Это обусловлено разностью в сопротивлении воздушного потока.
Работа с вспомогательными воздуходувками:
При выходе из строя воздуходувки во время работы невозвратный клапан должен закрыться, чтобы обеспечить непрерывную подачу свежего воздуха в двигатель.
РЕСИВЕР ВЫХЛОПНОГО ГАЗА
Из выпускных клапанов уходящие газы проходят к ресиверу выхлопного газа, где пульсирующее давление от отдельных выхлопных клапанов выравнивается и поступает на турбонагнетатель при постоянном давлении. Ресивер выхлопного газа крепится к месту гибкими суппортами. Компенсаторы вставляются между ресивером и выпускными клапанами и между ресивером и турбонагнетателем. С внутренней стороны ресивера выхлопных газов перед турбонагнетателем монтируется защитная решётка. Ресивер выхлопных газов и трубы изолированы.
ХОЛОДИЛЬНИК НАДДУВОЧНОГО ВОЗДУХА
Сборка воздушного холодильника блочного типа. Она монтируется в корпусе, который приваривается сверху стальных пластин. Корпус холодильника имеет инспекционные люки. Холодильник снабжён реверсной воздушной камерой, которая объединяется с уловителем водяного тумана, состоящего из нескольких ламелей, которые отделяют водный конденсат от наддувочного воздуха при движении воздушного потока. Отделённая вода собирается на дне корпуса холодильника, из которого она удаляется дренажной системой.
Предупреждение: Очень важно проверить правильность функций дренажа, поскольку в противном случае капли воды могут попасть в цилиндры.
По высокому уровню воды установлена аварийная сигнализация.
Проверка элемента воздушного холодильника
Во время работы двигателя при ежедневной проверке холодильника наддувочного воздуха необходимо измерять падение давления и температуры наддувочного воздуха на выходе холодильника. Сравнивать эти замеры с данными стендовых испытаний. Увеличение падения давления воздуха на выходе холодильника свидетельствует о неисправности воздушной стороны холодильника, а уменьшение падения температуры на выходе холодильника свидетельствует о неисправности его на стороне воды. Если измерения показывают засорённость элемента воздушного холодильника на стороне воды, то элемент должен быть отремонтирован/очищен. См. «Ремонт элемента воздушного холодильника». Если же измерения показывают засорённость элемента воздушного холодильника на стороне воздуха, то рекомендуется проверить элемент воздушного холодильника следующим образом:
- удалить инспекционную крышку воздушного холодильника. Отпереть и, покачивая, открыть инспекционный люк на дне воздушного холодильника;
- визуально проверить элемент воздушного холодильника через открытия. Если со стороны воздуха элемент засорён, то прочистить элемент, используя спрейное приспособление, установленное сверху элемента воздушного холодильника. См. «Ремонт элемента воздушного холодильника».
Демонтаж элемента воздушного холодильника
Элемент холодильника обычно не требует демонтажа с целью инспекции. Это необходимо в случае серьёзного повреждения элемента, который будет демонтирован и заменён следующим образом. Закрыть клапана впуска и выпуска воды. Открыть дренажный кран для спуска охлаждающей воды и демонтировать дренажные трубы. Отдать болты, которые крепят фланцы впуска и выпуска к задней части крышки. Демонтировать скобы, которые регулируют продольное положение элемента воздушного холодильника. Демонтировать уплотнительные фланцы вокруг кормовой стороны крышки. Для удобства уплотнительные фланцы можно подвесить на трубах охлаждающей воды на время демонтажа и монтажа элемента холодильника.
Демонтировать уплотнительные фланцы вокруг передней стороны крышки. Установить пару направляющих спереди корпуса холодильника и грузоподъёмную скобу на передний край крышки элемента холодильника. Установить перемещающийся троллей на траверсу сверху переднего края холодильника наддувочного воздуха. Приспособить захват между троллеем и грузоподъёмной скобой и затянуть. Установить направляющие колёса на задней стороне крышки. Поставить пару направляющих на задней стороне корпуса холодильника. При установке направляющих, надо ставить их сверху против колёс элемента холодильника, поставить, но не затягивать самые нижние болты, а самые верхние поставить и затянуть.
Затянуть самые нижние болты и упорные гайки на самых верхних болтах одновременно. Тянуть захват до тех пор, пока передний край элемента холодильника не станет свободным. Вытолкнуть элемент холодильника достаточно для того, чтобы можно было установить грузоподъёмную скобу на крышке кормовой стенки. Установить скобу. Выталкивать элемент холодильника из корпуса холодильника с помощью захвата до совпадения колёс с отверстиями в направляющих спереди корпуса холодильника. Присоединить захват к грузоподъёмной скобе на крышке кормовой стенки и вытащить элемент холодильника.
Примечание: В зависимости от типа двигателя и помещения машинного отделения, может стать необходимым удаление некоторых труб и плит платформы.
ЭЛЕМЕНТ УТИЛИЗАЦИИ ОТХОДЯЩЕГО ТЕПЛА
Закрыть клапана впуска и выпуска воды. Открыть дренажные краны для слива охлаждающей воды. Демонтировать трубы впуска и выпуска воды и дренажные трубы от кормовой стенки крышки.
Примечание: На некоторых типах двигателей может понадобиться удалить трубы охлаждающей воды обоих элементов утилизации отходящего тепла для возможности демонтажа этого элемента.
Удалить болты, фиксирующие крышку кормовой стенки на корпусе холодильника.
Примечание: Не удаляйте болты крепления крышки кормовой стенки к элементу утилизации отходящего тепла.
Поставить грузоподъёмную скобу на фланцы крышки кормовой стенки.
Примечание: Относительно размещения фланцев, грузоподъёмная скоба должна монтироваться наклонно, как показано на рис. 13.
Навесить горизонтально размещённый такелаж на проушину грузоподъёмной скобы. Если двигатель оборудован траверсой наверху воздушных холодильников, то установить на траверсу троллеи и прикрепить к троллеям такелаж. Если траверсы нет, то установить такелаж в удобной точке над элементом утилизации отходящих газов. Зацепить такелаж за серьгу грузоподъёмной скобы и поднять элемент примерно на 2-3 мм. Используя горизонтально размещённый такелаж, вытолкнуть элемент примерно на 0,5 метра. Установить направляющие на каркасе вокруг элемента. Вытаскивать элемент до тех пор, пока передняя сторона его не станет податливой, рис. 15. Установить трос и грузоподъёмную скобу на передней стороне элемента. Поставить такелаж на трос и поднять элемент из двигателя. Опустить элемент на деревянные рейки.
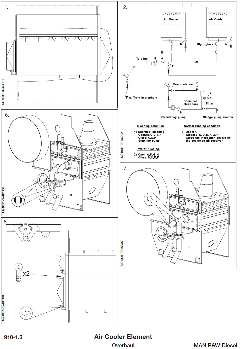
Ремонт элемента воздушного холодильника
ЧИСТКА СО СТОРОНЫ ВОЗДУХА
Воздушная сторона холодильника прочищается впрыском химической жидкости через спрейное приспособление, установленное в воздушной камере сверху элемента холодильника.
Рекомендуется использовать одну из следующих чистящих жидкостей или другой продукт:
1) Product: ACC 9, produced by Drew Chemical Corp., New York, USA
2) Product: 80B, produced by Vecom Int., Maassluis, Holland
Очистка должна выполняться в следующей последовательности. Не начинайте чистку до тех пор, пока двигатель не простоит 30 минут. Не отсоединяйте подачу сжатого воздуха на выпускной клапан. Необходимо руководствоваться детальными инструкциями чистки, приведенной на очищающей трубе двигателя. Для обеспечения удовлетворительного распыла чистящей жидкости, давление циркуляционного насоса должно быть как минимум 0,7 бар. Процесс очистки осуществлять как минимум 30 минут. Фактическое время зависит от периодичности выполнения очистки и используемого чистящего продукта. После очистки ополаскивать холодильник чистой водой до тех пор, пока вид воды в смотровом окне не станет чистым и прозрачным. Проверить элемент либо снятием крышки сверху холодильника либо демонтированием трубы воздушной камеры.
ЧИСТКА ВОДНОЙ СТОРОНЫ
Закрыть клапана впуска и выпуска воды. Удалить резьбовые пробки с передней и задней стороны крышки и открыть слив охлаждающей воды. Демонтировать впускные и выпускные трубы охлаждающей воды задней крышки. Закрутить две проушины в верхний фланец крышки задней стенки. Установить подъёмный трос между проушинами. Поставить троллеи на траверсу над крышкой задней стенки. Поставить тали между троллеем и подъёмным тросом и набить тали. Демонтировать скобы, которые управляют продольным расположением элемента воздушного холодильника. Вмонтировать скобу в каждую из двух подъёмных проушин на крышке передней стороны. Установить две тали над передним краем воздушного холодильника. Зацепить тали за скобы и набить их. Отдать болты с крышек передней и задней стенки. Опустить обе крышки и положить их на деревянные планки. Выбросить уплотнения. Почистить внутри трубки, используя специальную щётку (придаётся производителем элемента холодильника), вмонтированную в машинную дрель. В случае протечек между охлаждающими трубками и трубной платой, трубки развальцовывают вальцовкой (также придаётся производителем элемента).
Почистить крышки передней и задней стороны изнутри жёсткой щёткой и, затем смыть свежей водой. При необходимости заменить антикоррозийные блоки. Примечание: Если внутри крышек повреждено покрытие, то оно должно быть восстановлено оригинальным покрытием или подобным ему. После окончания очистки установить крышки в обратном к разборке порядке.
Демонтаж уловителя водяного тумана
Обычно нет необходимости удалять элемент уловителя водяного тумана из корпуса воздушного холодильника, однако, если этот элемент неисправен или повреждён, то он должен быть демонтирован для очистки или ремонта.
Демонтировать боковые крышки корпуса воздушного холодильника. Отдать четыре болта, которые прижимают уловитель к раме воздушного холодильника. Вытащить на половину уловитель тумана и ввернуть проушины вверху уловителя. Прикрепить к проушине тали и набить их. Вытащить полностью уловитель тумана из корпуса холодильника и поставить на пару деревянных планок. Почистить или отремонтировать согласно инструкции производителя.
Монтаж уловителя водяного тумана
Наклонить уловитель до нужного угла и вставить его в корпус холодильника наддувочного воздуха.
Примечание: Убедитесь, что уловитель монтируется в правильном направлении. Проверьте указатель воздушного потока на уловителе водяных паров.
Когда уловитель продвинется наполовину, удалить тали и проушину и продвинуть полностью уловитель в корпус. Поставить болты крепления и почистить боковые крышки, нанести тонкий слой силиконовой пасты на края крышки. Смонтировать крышки.
Литература
Эксплуатация, обслуживание и ремонт двигателей MAN B&W-ME - Пипченко А.Н., Пономаренко В.В., Шевченко В.А. [2014]
MAN B&W K98ME - VOLUME II MAINTENANCE