Содержание
- Меры безопасности
- Общее 701.01
- Особые опасности: Меры предосторожности 701.01
- Чистота в машинном отделении 701.01
- Противопожарные меры 701.01
- Порядок, аккуратность 701.01
- Запасные части 701.02
- Освещение 701.02
- Низкие температуры - замерзание 701.02
- Проверка и обслуживание 701.02
- Доступ в картер или цилиндр 701.02
- Валоповоротный механизм 701.02
- Медленное проворачивание 701.02
- Прощупывание узлов трения 701.02
- Уплотнительные материалы 701.02
- Основные данные
- Рекомендуемые уставки АПС и измеряемые величины 701.03-701.15
- Регулировки на испытательном стенде 701.16
- Иллюстрации
- Измерительные приборы, идентификация 70101
- Термометры 70102
- Манометры 70103
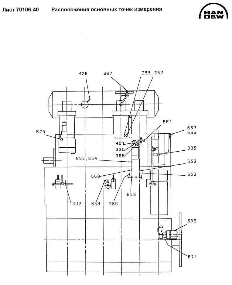
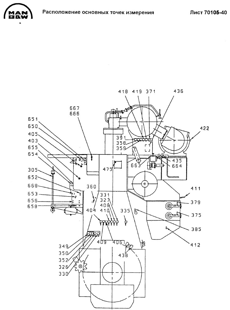
- Расположение основных точек замеров 70104-70106
- Приборы управления 70107
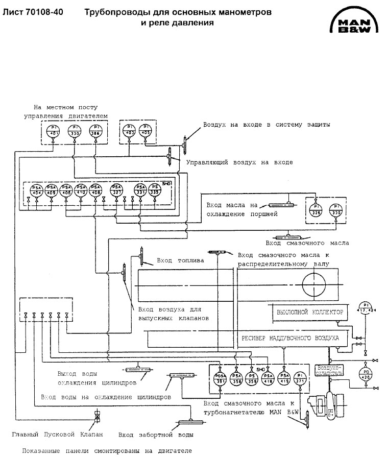
- Трубопроводы для основных манометров и реле 70108
Цель - представить общую информацию о конструкции и обслуживании двухтактных крейцкопфных двигателей фирмы MAN B&W Diesel. Содержание статьи подготовлено на основе стандартного двигателя типа S60MC, но она не подлежит использованию для какого-либо определенного двигателя.
МЕРЫ БЕЗОПАСНОСТИ
ОБЩЕЕ
Правильная эксплуатация и обслуживание являются решающими в обеспечении оптимальной безопасности в машинном отделении. Поэтому общие меры, перечисленные здесь, должны неукоснительно выполняться обслуживающим персоналом машинного отделения.
ОСОБЫЕ ОПАСНОСТИ: МЕРЫ ПРЕДОСТОРОЖНОСТИ
- Не находитесь под нагруженными подъемными кранами.
- Проявляйте осторожность при открывании кранов, так как выбросы горячей жидкости или газов могут вызвать ожоги.
- Заранее продумайте, где может пройти выброс жидкостей, газов или пламени, и остерегайтесь.
- При разборке узлов возможно освобождение (“выстреливание") пружин.
- Во время демонтажа форсунок или клапанов цилиндровой крышки топливо или масло могут попасть на головку поршня. Если головка поршня еще горячая, может произойти взрыв и выбрасывание клапана.
- При опрессовке форсунок не прикасайтесь к отверстиям распылителей, так как струя топлива может вызвать травму.
ЧИСТОТА В МАШИННОМ ОТДЕЛЕНИИ
- Содержите в чистоте машинное отделение как над настилом, так и под ним.
- Если есть вероятность попадания песка и пыли в машинное отделение при стоянке судна в порту, рекомендуется вентиляторы остановить, а вентиляционные каналы, иллюминаторы и двери машинного отделения закрыть.
- Сварка или другие работы, которые могут вызвать выделение песка или шлифовальной пыли, не должны выполняться вблизи двигателя, если он не защищен, а фильтры на впуске воздуха к турбонагнетателям не закрыты.
- Наружные поверхности двигателя должны содержаться в чистоте, а окраска поддерживаться, чтобы протечки могли быть легко обнаружены.
ПРОТИВОПОЖАРНЫЕ МЕРЫ
- Не производите сварку или использование открытого огня в машинном отделении, пока не убедитесь, что в нем нет взрывоопасных газов, паров или жидкостей.
- Если картер открывается до того, как двигатель полностью остыл, сварка и использование открытого огня могут вызвать взрыв и пожар.
- То же относится к ревизии цистерн для нефтепродуктов, а также пространства ниже настила.
- Кроме того, обратите внимание на опасность использования красок и растворителей с низкой температурой вспышки.
- Пористые изолирующие материалы, пропитавшиеся маслом от утечек, легко воспламеняются и подлежат замене.
- Смотрите также разделы "Пожар в полости продувочного воздуха” и "Пожар в картере", в статье «Особые Условия Эксплуатации 704» и “Уплотняющие материалы” в настоящей главе.
ПОРЯДОК, АККУРАТНОСТЬ
- Ручной инструмент должен располагаться на легкодоступных панелях (щитах). Специальные приспособления должны крепиться в машинном отделении вблизи от участков, где они используются.
- Ничего не оставляйте незакрепленным и содержите настил и проходы чистыми и незагроможденными.
ЗАПАСНЫЕ ЧАСТИ
- Крупные запасные части по возможности должны находиться вблизи от участков, где они используются, хорошо закрепленными и быть доступными для крана.
- Все запасные части для дизеля должны быть защищены от коррозии и механических повреждений. Состояние запасных частей периодически проверяйте и своевременно производите пополнение.
ОСВЕЩЕНИЕ
- В машинном отделении в надлежащих местах должны быть установлены источники постоянного света и кроме того, везде должно быть доступно переносное освещение лампами. Для осмотра через продувочные окна должны использоваться специальные лампы.
НИЗКИЕ ТЕМПЕРАТУРЫ - ЗАМЕРЗАНИЕ
В случае вероятности замерзания слейте охлаждающую воду из двигателя, насосов, охладителей и трубных систем.
ПРОВЕРЯЙТЕ И ПОДДЕРЖИВАЙТЕ
- Состояние измерительного оборудования, фильтрующих элементов и смазочного масла.
ДОСТУП В КАРТЕР ИЛИ ЦИЛИНДР
- Убедитесь, что валоповоротный механизм находится в зацеплении даже у причала, т.к. волны, идущие от других судов, могут вызвать проворачивание винта, а отсюда и двигателя.
- Проверяйте заранее, что закрыт подвод пускового воздуха к двигателю и воздухораспределителю.
- В случае сигнала детектора масляного тумана перед открытием картера примите меры предосторожности (см. “Пожар в картере” в статье «Особые Условия Эксплуатации 704 »).
ВАЛОПОВОРОТНЫЙ МЕХАНИЗМ
Перед вводом в зацепление валоповоротного механизма проверьте: перекрыт ли воздух на дизель и открыты ли индикаторные краны.
Когда валоповоротный механизм находится в зацеплении, проверьте, что индикаторная лампа “валоповоротный механизм в зацеплении” горит.
МЕДЛЕННОЕ ПРОВОРАЧИВАНИЕ
Если двигатель был остановлен более, чем на 30 мин., непосредственно перед пуском медленно проверните двигатель, чтобы убедиться в свободном вращении двигателя, см, в статье «Пуск, Управление и Работа Двигателя 703 ».
ПРОЩУПЫВАНИЕ УЗЛОВ ТРЕНИЯ
После ремонта или замены узлов движения, подшипников и т.п., следуйте указаниям “Последовательность прощупывания” (статья «Пуск, Управление и Работа Двигателя 703», поз.3.2, “Проверка 9”) с целью своевременного обнаружения горячих участков, образования масляного тумана, прорыва газов или неисправностей в системах смазки и охлаждения и т.д.
Произведите тщательный осмотр дизеля через 10-15 минут после начала работы, затем через 1 час и сразу же после того, как двигатель начал работать на полной нагрузке. См. в статье «Пуск, Управление и Работа Двигателя 703», позицию 3.2, “Проверка 9".
УПЛОТНЯЮЩИЕ МАТЕРИАЛЫ
При замене уплотнительных колец (“O-rings”) и других резино-пластических уплотнительных материалов, которые подвергаются чрезмерно высоким температурам, пользуйтесь перчатками.
Эти материалы обладают разъедающим действием и к ним не следует прикасаться незащищенными руками.
Перчатки должны быть изготовлены из неопрена или ПХВ.
Использованные перчатки выбросите.
Основные данные
РЕКОМЕНДУЕМЫЕ ПРЕДЕЛЫ АПС И ИЗМЕРЯЕМЫЕ ВЕЛИЧИНЫ
Общая основа для рекомендуемых величин
Значения, представленные в настоящем перечне, относятся к точке выбора режимов L1 (Номинальная максимально длительная мощность).
Величины должны использоваться только в качестве руководства в связи с “Перечнем характеристик вспомогательных систем” для определения размеров вспомогательных систем и не должны применяться для определения количества сигнализаторов и действий.
Номера позиций относятся к чертежам, иллюстрирующим количество и размещение на двигателе датчиков для стандартной сигнализации и индикации, если на двигателе установлено оборудование сигнализации. В части датчиков, установленных в системах, вне двигателя, см. фактическое расположение трубопроводов в соответствующих главах.
Если на двигателе установлено специальное оборудование, некоторые величины могут отличаться от настоящего перечня. Точные величины в таких случаях берутся из Инструкции.
Уровень снижения частоты вращения системой защиты двигателя соответствует 40% номинальной частоты вращения при МДМ.
Двигатели со спецификационной и оптимизированной пониженной мощностью могут иметь иные нормальные эксплуатационные значения в зависимости от выбранной мощности/частоты вращения и применения.
Для двигателей с пониженной мощностью следует использовать результаты стендовых/ ходовых испытаний.
NB: Необходимо обращать внимание на уровни температур, приведенные под номерами 340 до 348 (включ.), т.к. указаны две разные величины, одно значение для температуры металла, а другое для температуры масла на выходе.
При определении пределов уставок, для возрастающего параметра должны устанавливаться максимальные пределы, а для убывающего - минимальные пределы.
ИЗМЕРИТЕЛЬНЫЕ ПРИБОРЫ, ОБОЗНАЧЕНИЯ
Измерительные приборы обозначаются сочетанием символов, следующих за номером прибора, символы обозначают:
Литература
Инструкция для главных двигателей типа 50-98МС. Издание 40C - 1995