Wärtsilä 34DF - Система водяного охлаждения

Качество воды

Пресная вода в системе водяного охлаждения двигателя должна соответствовать следующим требованиям:

  • Водородный показатель (pH) мин. 6,5...8,5
  • Жесткость .................. макс. 10 °dH
  • Содержание хлоридов макс. 80 мг/л
  • Содержание сульфатов макс. 150 мг/л

Можно использовать водопроводную воду хорошего качества, но береговая пресная вода не всегда пригодна. Рекомендуется использовать воду, полученную с помощью бортовой испарительной установки. Содержание хлоридов в пресной воде, полученной с помощью установок обратного осмоса, часто превышает норму. Дождевая вода не годится для охлаждения двигателя в силу высокого содержания кислорода и углекислого газа.

Для охлаждения двигателя должна применяться только пресная вода, обработанная присадками.

Важно, чтобы непосредственно после монтажа система была залита водой приемлемого качества, обработанной одобренными присадками.

Ингибиторы коррозии

Обязательно использование одобренных присадок к охлаждающей воде. Обновляемый перечень одобренной продукции прилагается к каждой установке. Он также включен в руководство по эксплуатации двигателя вместе с указанием дозировок и дополнительными инструкциями.

Гликоль

Не рекомендуется использовать гликоль в охлаждающей воде без особой необходимости. Гликоль повышает температуру воздуха наддува, что может потребовать понижения нагрузки на двигатель, мощность которого зависит от характеристик газа и содержания гликоля в охлаждающей жидкости. Разрешенный максимум содержания гликоля - 50%.

Ингибиторы коррозии необходимо использовать независимо от наличия гликоля в охлаждающей воде.

Внутренняя система водяного охлаждения

Внутренняя система водяного охлаждения, рядные двигатели (DAAE055613a)

Внутренняя система водяного охлаждения, V-образные двигатели (DAAE080921)

Система водяного охлаждения разделена на высокотемпературный (ВТ) и низкотемпературный (НТ) контуры. Вода ВТ контура охлаждения циркулирует через рубашку охлаждения, цилиндровые крышки и 1-ю ступень холодильника наддувочного воздуха (если двигатель оборудован двухступенчатым воздушным холодильником). V-образные двигатели оборудованы двухступенчатыми холодильниками наддувочного воздуха, а рядные двигатели - одноступенчатыми.

Двухступенчатый холодильник наддувочного воздуха обеспечивает более эффективную утилизацию тепла и подогрев холодного наддувочного воздуха.

Вода НТ контура охлаждения циркулирует через холодильник наддувочного воздуха и масляный холодильник, который навешивается на двигатель.

Термостатные клапаны регулируют температуру поступающей от двигателя, направляя часть ее обратно ко входу на насос охлаждающей воды. Термостатный клапан ВТ контура охлаждения всегда монтируется на двигателе, в то время как термостат НТ контура охлаждения может располагаться как на двигателе, так и вне его. В установках с двигателем, работающем только на топливе морском дизельном топливе (MDF), можно установить термостат НТ контура во внешней системе охлаждения и, таким образом, регулировать температуру воды НТ контура охлаждения до двигателя.

Циркуляционные насосы с механическим приводом

Насосы охлаждающей воды ВТ и НТ контуров всегда работают от механического привода. Насосы с механическим приводом располагаются со свободной стороны двигателя.

Кривые характеристик насоса с механическим приводом показаны на диаграммах. Номинальное давление и мощность насоса описаны в разделе «Технические данные».

Насосные характеристики насосов ВТ и НТ контуров с приводом от двигателя

Внешняя система водяного охлаждения

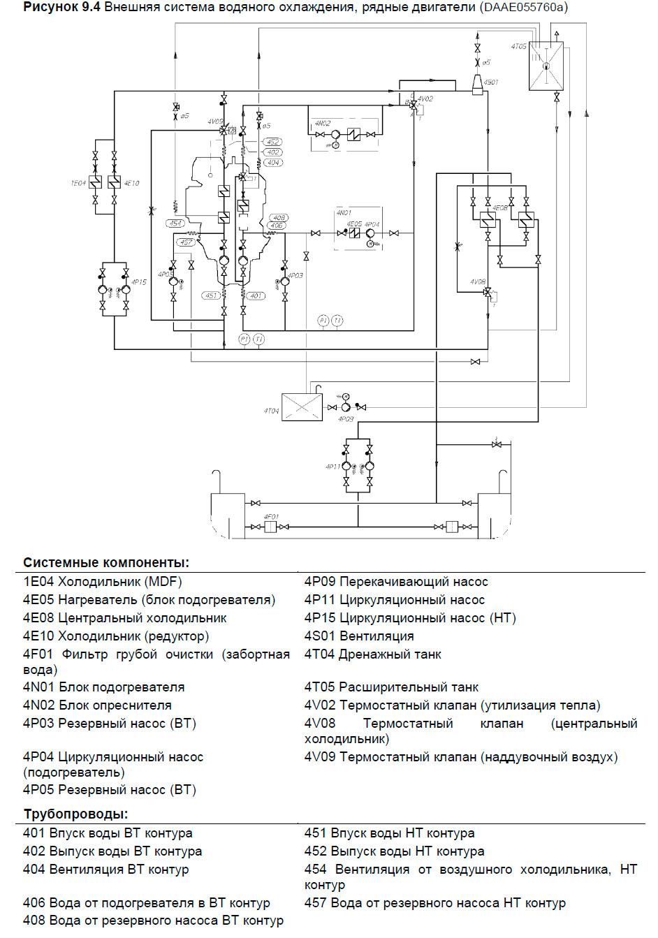
Внешняя система водяного охлаждения, рядные двигатели (DAAE055760a)

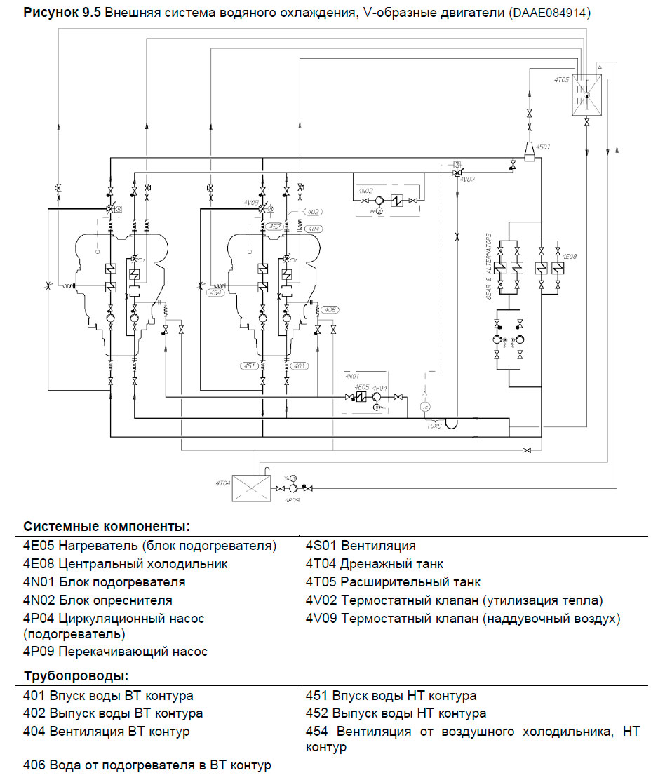
Внешняя система водяного охлаждения, V-образные двигатели (DAAE084914)

Внешняя система водяного охлаждения, V-образные двигатели (DAAE089099)

В установках с несколькими двигателями рекомендуется разделить двигатели на несколько контуров. Одной из причин, разумеется, является дублирование, но также легче отрегулировать отдельные потоки в меньших системах. Можно также ограничить количество неисправностей, вызванных увлеченными газами или потерей охлаждающей воды в случае бóльших утечек. В некоторых установках желательно разделить ВТ контур и НТ контур с помощью теплообменника.

Внешний контур системы должен быть смоделирован таким образом, чтобы потоки, давление и температура были близки к своим номинальным значениям, указанным в разделе «Технические данные», а охлаждающая вода была должным образом деаэрирована.

Нельзя использовать трубы с оцинкованной внутренней поверхностью в системе охлаждения пресной водой. Некоторые присадки к охлаждающей воде вступают в химическую реакцию с цинком, образуя вредный осадок. К тому же при высоких температурах цинк становится более инертным, чем сталь, что вызывает значительную коррозию деталей двигателя.

Суда (ледового класса), спроектированные для хождения в холодной морской воде, должны быть обеспечены средствами для рециркуляции воды из центрального охладителя в кингстонную коробку:

  • Для натаивания льда и шуги, для избегания загрязнения фильтра забортной воды
  • Для улучшения регулировки температуры НТ воды с помощью повышения температуры забортной воды

Резервный циркуляционный насос (4P03, 4P05)

Резервные насосы должны быть центробежного типа, с электроприводом. Необходимые параметры производительности и напорного давления указаны в разделе «Технические данные».

ВНИМАНИЕ! Некоторые классификационные общества требуют наличия на борту запасных насосов, даже если судно оснащено несколькими двигателями. В этом случае резервные насосы могут быть использованы для этих целей.

Насос забортной воды (4P11)

Насосы забортной воды всегда устанавливаются отдельно от двигателя и имеют электропривод.

Производительность насосов забортной воды определяется типом охладителей и объемом тепла, которое нужно рассеять.

Значительные энергосбережения могут быть получены в большинстве установок с помощью регулятора частоты насоса забортной воды с электроприводом. Тем не менее, необходимо принимать во внимание минимальную скорость потока (засорение) и максимальную температуру морской воды (осаждение соли).

Temperature control valve, HT-system (4V01)

Внешний термостатный клапан ВТ контура – это опцион для V-образных двигателей.

Термостатный клапан устанавливается непосредственно после двигателя. Он контролирует температуру воды, отводимой от двигателя, направляя какое-то количество воды обратно на насос ВТ контура. Термостатный клапан может быть прямого действия или с электрическим актуатором. Каждый двигатель должен иметь отдельный термостатный клапан.

Уставка клапана 96°C

Термостатный клапан, центральный холодильник (4V08)

Если нужно использовать НТ насос с механическим приводом для охлаждения внешнего оборудования, например, редуктора или генератора, то вместо отдельных клапанов на каждом двигателе необходим общий НТ термостат во внешней системе. Общий НТ термостат устанавливается за центральным холодильником и регулирует температуру воды до поступления в двигатель и внешнее оборудование, частично направляя ее в обход центрального холодильника. Клапан может быть прямого действия или с электроприводом.

Уставка термостата 4V08 38 ºC для типа системы, описанного выше.

Двигатели, работающие на тяжелом топливе должны иметь отдельные НТ термостаты. В таких случаях для оборудования внешнего контура нужен отдельный насос, и уставка клапана 4V08 может быть, при необходимости, ниже, чем 38ºC.

Термостат наддувочного воздуха (4V09)

Температура наддувочного воздуха поддерживается на определенном уровне при помощи термостата с электроприводом, установленного во внешнем НТ контуре. Термостат регулирует поток охлаждающей воды через НТ ступень холодильника наддувочного воздуха в соответствии с температурой, измеряемой во впускном коллекторе.

Температура наддувочного воздуха регулируется в зависимости от нагрузки двигателя.

Термостатный клапан утилизации тепла (4V02)

Термостат, установленный после системы утилизации тепла, регулирует максимальную температуру воды, которая смешивается с водой ВТ-контура, выходящей из двигателя, перед насосом ВТ-контура. Термостат может быть самоприводным или с электроприводом.

Уставка термостата обычно около 75ºC.

Холодильники прочего оборудования и холодильники дизельного топлива

Циркуляционный насос НТ контура с механическим приводом может осуществлять подачу охлаждающей воды к одному или двум небольшим холодильникам, установленным параллельно c двигателем, например, на холодильник дизельного топлива или холодильник редуктора. Это единственный способ для двигателей, работающих на дизельном топливе, потому что термостат НТ контура не может быть установлен на двигатель для контроля температуры после двигателя. Для более объемных потоков требуются отдельные циркуляционные насосы.

Данные для проектирования для холодильника MDF приведены в разделе «Топливная система».

Центральный холодильник пресной воды (4E08)

Данные для проектирования:

Основные габаритные размеры центрального холодильника

В качестве альтернативы центральным холодильникам пластиночного или трубчатого типа может быть установлен кингстонный холодильник. Принцип кингстонного охлаждения очень прост. Охлаждающая вода пропускается через пучок U-образных труб помещенных в кингстонную коробку, снабженную впускным и выпускным отверстиями. Эффект охлаждения достигается с помощью естественной циркуляции окружающей воды. Забортная вода нагревается и поднимается вверх под действием своей меньшей плотности, вызывая, таким образом, естественный восходящий поток циркуляции, устраняющий тепло.

Кингстонное охлаждение обладает тем преимуществом, что снимает необходимость в системе забортной воды, а также кингстонные холодильники менее чувствительны к загрязнению, а потому хорошо подходят для работы в мутной воде или на мелководье.

Утилизация отходящего тепла

Отходящее тепло в охлаждающей воде ВТ-контура может быть использовано для получения пресной воды, центрального отопления, подогрева танка и т.д. В этом случае, во избежание излишнего охлаждения, система должна быть снабжена термостатом, как это показано на диаграммах-примерах. С этим приспособлением можно усилить поток воды ВТ-контура, проходящей через систему утилизации тепла.

Тепло, поступающее от ВТ-контура охлаждения, подвержено влиянию условий окружающей среды. Также необходимо принимать во внимание, что объем регенерируемого тепла снижается за счет циркуляции в расширительный танк, излучения от труб и утечек в термостатах.

Вентиляция

Воздух или прочие газы могут содержаться в трубопроводах после переборки системы, а также вследствие протечек уплотнений и прочих причин воздух или газ может постоянно добавляться в систему. Для удаления воздуха из системы охлаждения двигатель оборудован вентиляционными трубами. Вентиляционные трубы должны проводиться отдельно от каждого подсоединения на двигателе к расширительному танку.

Вентиляционные трубы к расширительному танку должны устанавливаться во всех верхних точках в системе трубопроводов, где воздух или газ может аккумулироваться.

Вентиляционные трубы должны непрерывно идти вверх.

Расширительный танк (4T05)

Расширительный танк должен компенсировать изменения объема в системе водяного охлаждения, выполнять функции вентиляции и обеспечения остаточного статического давления на циркуляционные насосы.

Данные для проектирования

ПРИМЕЧАНИЕ! В том случае, если насос с электроприводом установлен значительно выше двигателя, нельзя превышать максимальное давление на двигатель.

Объем воды в двигателе - см. в разделе «Технические данные».

Расширительный танк должен быть оборудован лючком для осмотра, уровнемером, АПС по низкому уровню и устройствами для дозировки присадок.

Каждая вентиляционная труба должна заканчиваться ниже уровня воды в танке. Вентиляционные трубы должны прокладываться к танку по отдельности (см. раздел «Вентиляция»), а также трубы должны быть помечены бирками на расширительном танке.

Некоторое количество топливного газа может попадать в систему водяного охлаждения двухтопливного двигателя. Газ (как и воздух) сепарируется в системе водяного охлаждения и выпускается в расширительный танк системы охлаждения. Поэтому расширительный танк охлаждающей воды должен иметь крышку, чтобы предотвратить попадание газа во внешнюю среду.

Вентиляция расширительного танка охлаждающей воды двухтопливного двигателя проводится по аналогии с вентиляцией газопровода.

Все отверстия из расширительного танка охлаждающей воды во внешнюю среду, за исключением вентиляционной трубы, должны быть, как правило, либо закрыты, либо сконструированы так, чтобы не позволить топливному газу выйти из танка (например, переливная труба с водяным затвором). Вентиляционные трубы расширительного танка охлаждающей воды двигателей, расположенные в одном машинном отделении, могут быть объединены.

Конструкция и устройство расширительного танка охлаждающей воды для определенного проекта могут потребовать одобрения классификационного общества.

Выравнивающая труба от расширительного танка должна иметь сечение для скорости протока, не превышающего 1,0-1,5 м/с, чтобы обеспечить требуемое давление на входе насоса при работающих двигателях. Поток воды по трубам зависит от количества ведущих к танку вентиляционных труб и размеров отверстий в вентиляционных трубах. Можно пользоваться данными, приведенными в таблице ниже.

Минимальный диаметр уравнительной трубы

Дренажный танк (4T04)

Рекомендуется собирать охлаждающую воду с присадками в дренажный танк в тех случаях, когда систему необходимо осушить для работ по техническому обслуживанию. Для того чтобы охлаждающую воду можно было закачать обратно в систему и снова использовать, необходим насос.

Объем воды в двигателе - см. в разделе «Технические данные». Объем воды в НТ контуре двигателя небольшой.

Подогрев

Охлаждающая вода, циркулирующая через цилиндры, должна быть подогрета, по крайней мере, до 60 ºC, желательно до 70 ºC. Это обязательное требование для установок, предназначенных для работы на тяжелом топливе, но также настоятельно рекомендуется для двигателей работающих только на морском дизельном топливе.

Энергия необходимая для подогрева охлаждающей воды ВТ контура может быть получена от автономного источника или от работающего двигателя, часто комбинации того и другого. Во всех случаях необходимо использовать автономный циркуляционный насос. Обычно для подогрева главных двигателей используется тепло работающих вспомогательных двигателей. В установках с несколькими главными двигателями мощности автономного источника тепла должно хватать для подогрева двух двигателей при условии, что этого достаточно для функционирования судна. Если контуры охлаждающей воды разделены, энергия передается через теплообменник.

Подогреватель (4E05)

Источником энергии для подогревателя может служить электроэнергия, пар или термальное масло.

Рекомендуется подогревать ВТ воду до температуры близкой к обычной рабочей температуре. Мощность подогрева обусловливает время необходимое для прогревания остывшего двигателя.

Минимальная необходимая мощность подогрева 5 кВт/цил, позволяющая разогреть двигатель от 20 ºC до 60 … 70 ºC за 10 – 15 часов. Необходимая для более короткого времени прогревания мощность подогрева может быть рассчитана по приведенной ниже формуле. Около 2 кВт/цил требуется, чтобы поддерживать двигатель в разогретом состоянии.

Данные для проектирования:

Циркуляционный насос для подогревателя (4P04)

Данные для проектирования:

Блок подогревателя (4N01)

Блок подогревателя может поставляться полностью в сборе. Блок включает:

  • Электрические или паровые подогреватели
  • Циркуляционный насос
  • Шкаф управления подогревателями и насосом
  • Набор термометров
  • Невозвратный клапан
  • Предохранительный клапан

Блок подогревателя, электрический (3V60L0562C).

Дроссели

Дроссели должны быть установлены на всех обводных линиях с тем, чтобы обеспечить сбалансированные условия эксплуатации термостата. Дроссели также должны быть установлены там, где необходимо сбалансировать поток воды между дополнительными протоками воды.

Термометры и манометры

Локальные термометры должны быть установлены в тех местах, где происходит изменение температуры, т.е. до и после теплообменников и т.д.

Локальные манометры должны быть установлены на стороне всасывания и стороне нагнетания каждого насоса.

Перечень символов, используемых в чертежах

Перечень символов

Литература

Двухтопливные двигатели WÄRTSILÄ 34DF проектное руководство

MirMarine
MirMarine – образовательный морской сайт для моряков.
На нашем сайте вы найдете статьи по судостроению, судоремонту и истории мирового морского флота. Характеристики судовых двигателей, особенности устройства вспомогательных механизмов и систем.