Стандарты двигателей переменного тока

Стандарты двигателей переменного тока

Содержание

  1. IEC 60034
  2. IEC 60034-2 Стандарты на КПД
  3. IЕС 60034-5 Уровни защиты электрооборудования (код IP)
  4. IEC 60034-6 Методы охлаждения электродвигателей
  5. IЕС 60034-7 Варианты монтажа и типы конструкции (код IM)
  6. IEC 60034-8 Направление вращения и обозначение клемм
  7. IЕС 60034-9 Уровень шума
  8. IEC 60034-11 Тепловая защита (ТР)
  9. IEC 60034-14 Предельные значения вибрации
  10. IEC 62114 Классы электрической изоляции - Классификация по нагревостойкости
  11. Конструкция IEC/EN в соответствии с IEC 60072 и EN 50347

Источник статьи Книга «Электродвигатели» — результат совместной работы специалистов GRUNDFOS. (www.grundfos.com). В ней подробно рассмотрены основные элементы электродвигателя, принципы его работы, стандарты, способы защиты и вопросы технического обслуживания.

Международная электротехническая комиссия (МЭК) устанавливает стандарты для электродвигателей, используемых во многих странах мира. Стандарты IEC 60034 включают в себя рекомендованные правила техники эксплуатации электрооборудования, разработанные странами-участницами МЭК. Механические размеры и допустимые отклонения электродвигателей указаны в стандартах IEC 60072 и ENS 0347.

NEMA

Стандарты NEMA относятся к электродвигателям, используемым в США, Канаде и других странах, экономически зависящих от США. Здесь используется британская система (US), в ней используются такие единицы, как, например, дюймы.

National Electrical Manufacturers Association (NEMA) (Национальная ассоциация производителей электрооборудования) устанавливает стандарты для широкого ряда электротехнической продукции, включая электродвигатели. NEMA, в первую очередь, связана с электродвигателями, которые используются в Северной Америке. Эти стандарты представляют общие отраслевые правила техники эксплуатации и поддерживаются производителями электрооборудования. Стандарт для электродвигателей приводится в стандартах NEMA № MG1. Некоторые большие электродвигатели могут не соответствовать стандартам NEMA.

Стандарты IEC/EN имеют отношение к двигателям, которые мы обычно называем электродвигателями «IEC» (Международная электротехническая комиссия) (Европа, Азия). Стандарты NEMA имеют отношение к электродвигателям, используемым в США, Канаде и других странах, экономически зависящих от США.

Обзор стандартов, относящихся к разработке, производству и использованию электродвигателей

IEC 60034

Стандарты IEC 60034 и IEC 60072 считаются основными стандартами. Далее следует краткое описание норм и правил, включенных в IEC 60034. Затем мы рассмотрим некоторые самые важные нормативные документы, касающиеся электродвигателей.

IEC 60034-1 Рабочие циклы и паспортные данные

Правильно подобранный типоразмер электродвигателя для определённого варианта применения может значительно сократить эксплуатационные затраты. Для того чтобы подобрать двигатель, необходимо тщательно проверить рабочий цикл электродвигателя.

Большинство электродвигателей работают непрерывно с постоянной нагрузкой. Однако в некоторых случаях электродвигатель работает в повторно-кратковременном режиме. Если рабочий цикл электродвигателя включает в себя периоды, когда он не эксплуатируется с максимальной нагрузкой, можно подобрать электродвигатель меньшего типоразмера. Чтобы определить, возможен ли такой вариант, необходимо проверить тип рабочего цикла. Это подразумевает анализ целого ряда факторов:

IEC 60034-1 Рабочие циклы и паспортные данные

  • Продолжительность и порядок подачи нагрузки на электродвигатель.
  • Пуск, электрическое торможение, периоды отсутствия нагрузки, покоя и простоя. Это означает, что тип рабочего цикла при определённом варианте применения может значительно влиять на рабочие параметры электродвигателя.

В стандарте IEC 60034-1 выделено десять типов рабочих циклов и определены их характеристики. Данные десять типов обозначаются символами, начиная с S1 до S10.

Допустимые отклонения электрических параметров по IEC 60034-1

Допустимые отклонения электрических параметров включают в себя допустимые отклонения для КПД, коэффициента мощности, частоты вращения, момента при заторможенном роторе, максимального вращающего момента, тока при заторможенном роторе и момента инерции.

Допустимые отклонения электрических параметров по IEC 60034-1

Изменения напряжения и частоты тока во время эксплуатации в соответствии со стандартами IEC 60034-1 и IEC 60038

При отклонении фактического напряжения от номинального увеличение температуры двигателя вполне допустимо. Электродвигатель должен основное время работы находиться в зоне А (см. рисунок ниже), при этом не обязательно, чтобы его работа полностью совпадала с рабочими характеристиками, указанными для номинального напряжения и частоты, здесь возможны некоторые отклонения. Температура может быть выше, чем при номинальном напряжении и частоте во время эксплуатации на границе зоны А. Если рабочие характеристики электродвигателя находятся в зоне В, повышение температуры зачастую превышает допустимый порог для класса В нагревостойкости. Электродвигатели Grundfos могут работать на границе зоны В без каких-либо повреждений, но срок службы электродвигателя при этом уменьшается. Не рекомендуется эксплуатировать двигатель на границе зоны В продолжительное время.

IEC 60034-1 Перегрузка по току

Трёхфазные электродвигатели переменного тока мощностью до 315 кВт с номинальным напряжением до 1000 В должны выдерживать перегрузки по току, которые создаются при прохождении через них в течение 2 минут тока, в 1,5 раза превышающего номинальное значение. Для однофазных или трёхфазных электродвигателей, номинальная мощность которых превышает 315 кВт, перегрузки по току не оговариваются.

IEC 60034-1 Максимальный вращающий момент

Независимо от конструкции электродвигателя и типа рабочего цикла, электродвигатель должен выдерживать вращающий момент, на 60 % превышающий вращающий момент при полной нагрузке, в течение 15 секунд без остановок или значительного изменения частоты вращения (с постепенным увеличением вращающего момента). В то же время напряжение и частота остаются прежними (номинальные значения).

IEC 60034-1 Заводские испытания

В процессе производства выполняются базовые тесты. Испытание на безопасность выполняется по официальным требованиям. Существует два типа испытаний на безопасность: испытание на электрическую прочность и испытание заземления.

Изменения напряжения и частоты во время эксплуатации в соответствии с Европейскими стандартами IEC 60034-1 и IEC 60038

IEC 60034-1 Испытание на электрическую прочность

Основная цель испытаний на электрическую прочность заключается в проверке пригодности изоляции. Для этого подаётся высокое напряжение (переменный ток частотой в 50 Гц или 60 Гц) между всеми фазами и корпусом, затем измеряется ток утечки.

В соответствии со стандартом испытательное напряжение для электродвигателей с Р2 < 10 000 кВт должно быть:

(U - максимальное номинальное напряжение электродвигателя) минимум 1500 В в течение 1 минуты.

В серийном производстве электродвигателей мощностью до 5 кВт одноминутные испытания можно заменять односекундными испытаниями, в которых испытательное напряжение увеличивается ещё на 20 %.

Испытание заземления

Основная цель испытания заземления состоит в том, чтобы проверить клеммное соединение заземления с корпусом. Сопротивление не должно превышать 0,1 Ом.

Номинальное напряжение электродвигателя

IEC 60034-2 Стандарты на КПД

Существует несколько принятых во всём мире стандартов для испытаний машин с электроприводом. Для индукционных электродвигателей основными являются следующие: Стандарт 112 IEEE, JEC 37 (для Японии) и IEC 60034-2. Величины КПД, полученные в результате проведения испытаний по различным стандартам, отличаются друг от друга несколькими процентами.

Потери в индукционном электродвигателе распределяются следующим образом:

  • 1. Потери в обмотке статора Робм1 — приблизительно 40-45 %
  • 2. Потери в обмотке ротора Робм2 — приблизительно 15 %
  • 3. Потери на трение Pтрен — приблизительно 10-15 %
  • 4. Потери в материалах Pfe — приблизительно 20 %
  • 5. Случайные потери Pслуч — приблизительно 10 %

Основное отличие стандартов состоит в том, как в них учитывается пятый компонент потерь — случайные потери (Рслуч), потери на дополнительную нагрузку.

Стандарты испытаний электродвигателей

Испытания стандартных электродвигателей описаны в IEC 60034-2. В следующих абзацах представлены два метода испытаний электродвигателей: прямой метод и косвенный.

Эти два метода отличаются друг от друга только тем, как в них устанавливается КПД электродвигателя.

Распределение потерь в индукционном электродвигателе

IEC 60034 используется для промышленных электродвигателей. Требования к бытовой технике перечислены в IEC 60335, в этом стандарте требования к электродвигателям более жесткие. Кроме испытаний стандартных электродвигателей, GRUNDFOS выполняет также испытания изделий, в которых электродвигатель и насос объединены в один узел. В принципе, тепловые испытания для таких изделий те же, но они проводятся по другим стандартам. Например, небольшие циркуляционные насосы испытываются в соответствии с IEC 60335-2-51.

Прямой метод испытания электродвигателей (IEC 60034-2)

Самым популярным методом испытаний небольших электродвигателей (< 45 кВт) является прямой метод, когда измеряются как потребляемая мощность (P1, так и выходная мощность на валу (P2). Выходная мощность измеряется с помощью датчика вращающего момента, который устанавливается между электродвигателем и нагрузкой. Датчик вращающего момента измеряет выходной вращающий момент (М) электродвигателя и частоту вращения (n).

Измерения с использованием прямого метода

Затем выходная мощность вычисляется по следующему уравнению:

КПД электродвигателя можно рассчитать с помощью следующего уравнения:

Косвенный метод анализа электродвигателей (IEC 60034-2)

Косвенный метод используется только для трёхфазных электродвигателей. В данном методе датчик вращающего момента не используется. Это значит, что для определения КПД электродвигателя необходимо вычислять его выходную мощность на валу.

Для того чтобы определить выходную мощность, необходимо знать потери в электродвигателе, так как сумма потерь и выходной мощности равна потребляемой мощности.

Выделяют два типа потерь в электродвигателе: постоянные потери и потери, зависящие от нагрузки.

Постоянные потери

Постоянные потери включают в себя потери в материале (Pмат ) и потери на трение (Pтрен ). Постоянные потери определяются с помощью испытаний электродвигателя без нагрузки.

Потери, зависящие от нагрузки

Потери, зависящие от нагрузки,— это активные (омические) потери статора (Робм1), омические потери ротора (Робм2) и случайные потери (Рслуч). Потери, зависящие от нагрузки, вычисляются с использованием различных нагрузок.

КПД электродвигателя вычисляется с помощью следующего уравнения:

Косвенный метод менее надёжен по сравнению с прямым методом, так как в нём предполагается использование допущений (напр., что Рслуч составляет 0,5 % от P1, которые не всегда отражают реальную ситуацию. Тем не менее, косвенный метод используется очень широко, благодаря тому, что он не требует сложных измерений.

Измерения с помощью косвенного метода

IЕС 60034-5 Уровни защиты электрооборудования (код IP)

Класс защиты электродвигателя соответствует стандарту IEC 60034-5. Класс защиты указывает на степень защищённости электродвигателя от попадания пыли и влаги. Класс защиты обозначается двумя буквами IP с последующими двумя цифрами.

Качество электродвигателей с уровнем защиты IP 44 абсолютно такое же, как электродвигателей с уровнем IP 55. Разница между двумя этими типами защиты состоит только в том, что электродвигатели класса IP 55 имеют сливные отверстия, через которые может выйти вода, попавшая в корпус статора. Поэтому электродвигатель класса IP 55 больше подходит для монтажа во влажной среде, чем электродвигатель класса IP 44.

IEC 60034-6 Методы охлаждения электродвигателей

Класс защиты обозначается двумя буквами IP, далее идут две цифры, например, IP 55

Три самых популярных метода охлаждения электродвигателя имеют следующие обозначения, коды IC, в соответствии со стандартом IEC 60034-6: IC 411, IC 410 и IC 418.

  • IC 410: Электродвигатель охлаждается свободной конвекцией.
  • IC 411: Электродвигатель охлаждается вентилятором, установленным на валу двигателя.
  • IC 418: Электродвигатель охлаждается потоком воздуха, поступающим от внешнего вентилятора.

IЕС 60034-7 Варианты монтажа и типы конструкции (код IM)

Варианты монтажа

Выделяют три основных типа стандартных электродвигателей: электродвигатель на лапах, электродвигатель с фланцевым креплением с фланцем с резьбовыми отверстиями и электродвигатель с фланцевым креплением с фланцем со свободными отверстиями. Типы электродвигателей отличаются друг от друга только способами монтажа для различного применения.

Электродвигатель на лапах (основании)

Электродвигатели такого типа монтируются на специальном основании (лапах) с отверстиями. Это основание может быть частью самого двигателя (обычно чугунного) или крепиться отдельно (обычно это относится к электродвигателям с алюминиевым корпусом статора).

Электродвигатель с фланцем с резьбовыми отверстиями

Электродвигатели данного типа монтируются с помощью болтов, вкручиваемых во фланец на стороне присоединения привода. Во фланце имеются резьбовые отверстия стандартного размера, расположенные по кругу.

Электродвигатель с фланцем с отверстиями

Электродвигатели данного типа монтируются с помощью болтов, установленных во фланец с отверстиями на стороне присоединения привода.

Сочетание фланца и основания

Приведённые выше типы электродвигателей можно комбинировать:

  • горизонтально или вертикально;
  • с различным направлением конца вала;
  • с различным направлением основания.

Все сочетания описываются в типах монтажа и обозначаются кодами в соответствии с IEC 60034-7.

Электродвигатель на лапах - В3

Типы монтажа стандартных электродвигателей Grundfos

Варианты монтажа

Стандартные электродвигатели Grundfos являются полностью закрытыми индукционными двигателями с коротко замкнутым ротором, размеры которых соответствуют стандарту IEC 60072-1. Grundfos использует три типа монтажа, которые представлены на иллюстрации справа. Электродвигатели имеют обозначения согласно двум различным кодам IEC 60034-7:

  • Код I IЕС 60034-7 с соответствующим обозначением двигателя IM (International Mounting), которое заменяет ране существующий DIN 42590;
  • Код II IEC 60034-7.

Grundfos использует код 1 в документации на двигатели переменного тока, что является общепринятой практикой.

IEC 60034-8 Направление вращения и обозначение клемм

Трёхфазные электродвигатели

Обмотки соединяются по схеме «звезда» (Y) или «треугольник» (Д) в соответствии с IEC 60034-8. Для этого электропроводка клеммной коробки монтируется, как это показано на схеме электрических соединений справа. Обозначения клемм в клеммной коробке также определены в IEC 60034-8. Соединение по схеме «звезда» (Y)

Соединение по схеме «звезда» (Y)

можно получить, замкнув клеммы W2, U2 и V2 и присоединив к сети W1, U1 и VI

Соединение по схеме «треугольник» (Δ)

Соединение по схеме «треугольник» (Δ) можно получить подсоединением конца одной фазы к другой.

Направление вращения для вала электродвигателя определено в IEC 60034-8 как CW (по часовой стрелке) или как CCW (против часовой стрелки), если смотреть со стороны вала.

Схема подключения

Направление вращения можно изменить в клеммной коробке. Для трёхфазных электродвигателей это осуществляется перестановкой двух проводов, напр.: L1 и L2. Для однофазных электродвигателей всегда необходимо сверяться со схемой электрических соединений.

IЕС 60034-9 Уровень шума

Допустимые уровни шума электродвигателей указаны в IEC 60034-9. Уровень шума электродвигателей Grundfos значительно ниже предельных значений стандарта.

IEC 60034-11 Тепловая защита (ТР)

В соответствии со стандартом IEC 60034-11, уровень тепловой защиты электродвигателя должен быть обозначен на его фирменной табличке. Grundfos использует два обозначения ТР для стандартных электродвигателей (ТР 111 и ТР 211). Электродвигатели ТР 111 следует всегда подключать к реле защиты от перегрузки. Электродвигатель ТР 211 в подобной защите не нуждается.

IEC 60034-14 Предельные значения вибрации

Уровни термической защиты электродвигателя

Допустимые значения вибрации для электродвигателей указаны в IEC 60034-14.

Все стандартные электродвигатели Grundfos соответствуют стандартам и являются электродвигателями класса А по вибрации.

В таблице ниже приведены максимальные значения вибрации относительно смещения, частоты вращения и ускорения (среднеквадратического) для различных типоразмеров, т.е. Н (расстояние от основания до оси вала).

IEC 62114 Классы электрической изоляции - Классификация по нагревостойкости

Классы изоляции (классы нагревостойкости) и предельное увеличение температуры (ΔТ) указаны в стандарте IЕС 62114. Электродвигатели Grundfos IE3 предназначены для работы при температуре окружающей среды до +50 °C, а двигатели IE5 -для работы при температуре окружающей среды до +60 °C. Максимально допустимое увеличение температуры при номинальной нагрузке и напряжении соответствует классу В. Указанные данные соответствуют номинальному режиму эксплуатации.

При изменении условий эксплуатации и при другом напряжении питания предельные значения температуры увеличиваются.

Различные классы изоляции

Конструкция IEC/EN в соответствии с IEC 60072 и EN 50347

Основные принципы обозначения электродвигателей IEC и NEMA

Конструкция электродвигателя характеризуется несколькими параметрами. Основным из них является типоразмер, который дополняется информацией о присоединительных размерах.

Типоразмер указывается и для исполнений IEC, и для NEMA и представляет собой высоту от нижней части основания до горизонтальной оси вала (для электродвигателей без основания — это высота, которая могла бы быть, если бы электродвигатель был оборудован таким основанием). Ряд типоразмеров основан на данных для электродвигателей типа ВЗ (электродвигателя на лапах). При работе с другими кодами IM, например, кодами В5, типоразмер обозначает размер электродвигателя, который был бы у данного двигателя, если бы он был оборудован основанием. Буквенный код, который указывается после типоразмера, обозначает расстояние между отверстиями в основании (S (small-маленькое), М (medium-среднее) или L (large-большое)).

Типоразмер

Для обозначения различных сторон электродвигателей используются следующие символы:

  • D или DE, что означает «Drive End» (сторона привода)
  • N или NDE используется для обозначения стороны присоединения вентилятора, т.е. «Non-Drive End» (не приводная сторона).

В некоторых случаях используются следующие немецкие обозначения:

  • А или AS — для стороны привода: «Antriebsseite»
  • В или BS — для не приводной стороны (стороны присоединения вентилятора): «Beluftungsseite».

Размеры и допустимые отклонения электродвигателя обычно указываются в каталогах поставщика, спецификациях, или в стандартах IЕС 60072-1 и EN 50347.

Обозначения для стороны присоединения привода и не приводной стороны электродвигателя

Обратите внимание, что в IЕС и NEMA не указываются какие-либо технические требования к потребляемой мощности или выходной мощности на валу для отдельных типоразмеров. Тем не менее, на рынке практика обозначения такого соотношения нашла широкое применение. Данные приводятся в каталогах многих поставщиков.

ЕС 60072 Обозначения и размеры

В данном стандарте указаны стандартизованные наружные размеры и допустимые отклонения для типоразмеров с 56 по 400. В нем отсутсвует связь между типоразмером двигателя и его мощностью.

EN 50347

В данном стандарте приведены ряды наружных размеров и допустимых отклонений по IEC 60072-1. Кроме того, в него включено соотношение между выходной мощностью и типоразмерами с 56 по 315М и размером фланца с 65 до 740.

Соотношение между типоразмером, концом вала, мощностью электродвигателя и типом и размером фланца

На рисунке приведён обзор соотношений между типоразмером, концом вала, мощностью электродвигателя и типом и размером фланца.

Для электродвигателей типоразмеров с 56 по 315М это соотношение указано в EN 50347. Но ни один стандарт не приводит такое соотношение для электродвигателей типоразмера 315L и больше. Тем не менее, различные производители электродвигателей используют соотношения, приведенные в таблице ниже.

Фланцы и концы вала соответствуют стандарту EN 50347. Некоторые насосы снабжены муфтами, для которых необходим гладкий и ровный конец вала электродвигателя или специальное удлинение вала, которое не указывается в стандартах.

Соотношение между типоразмером, концом вала, мощностью электродвигателя и типом и размером фланца

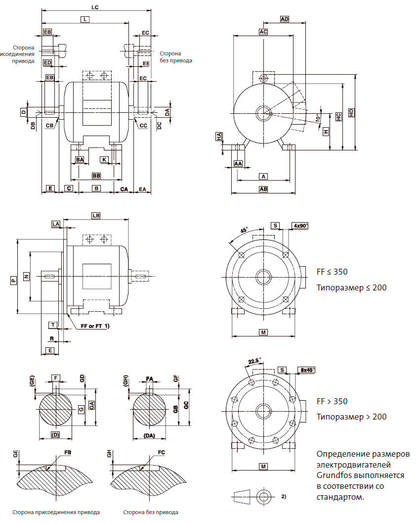
Буквенные обозначения и габаритные чертежи

В стандарте EN 50347 для обозначения электродвигателя и его размеров в чертежах используется следующая маркировка. Символы обозначают размеры электродвигателя. Дополнительные размеры отмечены (*).

Буквенные обозначения и габаритные чертежи

Буквенные обозначения и габаритные чертежи

Символы, указанные в таблице, включают все буквенные обозначения, перечисленные в IEC 60072-1, дополненные буквенными обозначениями, необходимыми по стандарту EN.

R: данный размер, как правило, равен 0, поэтому в документах и чертежах его часто не указывают.

Габаритный чертёж в соответствии с EN 50347

Габаритный чертёж в соответствии с EN 50347

Размеры основания электродвигателя

Размеры основания всех электродвигателей соответствуют стандарту EN 50347.

Далее приведены размеры для электродвигателей, у которых высота конца вала составляет от 56 мм до 450 мм.

Размеры основания электродвигателя

Размеры фланцев с отверстиями и резьбовыми отверстиями

Размеры фланцев всех электродвигателей соответствуют стандарту EN 50347.

Для электродвигателей на лапах с фланцами (с отверстиями) должны быть указаны размеры A, B и C (размеры электродвигателя на лапах).

Размеры фланцев с отверстиями и резьбовыми отверстиями

Конец вала, размеры

Размеры концов вала для всех электродвигателей соответствуют стандарту EN 50347.

В соответствии со стандартом EN 50347 конец вала на электродвигателях типоразмера IEC 90 и больше должен иметь резьбу. Как правило, электродвигатели снабжены шпоночной канавкой. Электродвигатели со шпоночной канавкой всегда поставляются с установленной шпонкой.

Конец вала, размеры

Механические допуски

Механические допуски соответствуют стандартам IEC 60072-1 и EN 50347.

Механические допуски

Механические допуски

Механические допуски

IEC 60072-1 Измерение допусков

При демонтаже электродвигателя для замены подшипников необходимо проверить эксцентриситет фланцев и концов вала электродвигателя в соответствии с международным стандартом IEC 60072-1.

Осевой эксцентриситет конца вала

Концентричность втулки на валу

Жёстко зафиксируйте индикатор на конце вала на расстоянии около 10 мм от установочной поверхности фланца.

Регистрируйте максимальные и минимальные значения, которые отображаются на индикаторе за один медленный поворот вала. Разница между крайними значениями концентричности не должна превышать величины, приведённые выше.

Проверка установки электродвигателя выполняется с вертикальным валом, чтобы на результаты измерений не влияла сила тяжести.

Жёстко зафиксируйте индикатор на удлинителе вала на расстоянии около 10 мм от установочной поверхности фланца.

Регистрируйте максимальные и минимальные значения на индикаторе за один поворот вала.

Разница между крайними значениями, полученными на индикаторе, не должна превышать величины, приведённые в таблице ниже. Рекомендуется выполнять проверку при наладке машины с вертикальным валом, чтобы устранить осевой зазор в подшипнике.

Взаимная перпендикулярность поверхностей вала и фланца

Параллельность вала опорной поверхности

ПРИМЕЧАНИЕ: Допуск действителен по всей длине вала, включая его концы.

Точки измерения для H могут быть выше общей длины вала, если есть доступ к обоим концам, или могут находиться над длиной конца вала (E), и параллельность рассчитывается пропорционально для общей длины вала.

Параллельность вала опорной поверхности

Параллельность шпоночной канавки оси вала

Допуск на параллельность должен соответствовать таблице, приведённой ниже. Параллельность шпоночной канавки оси вала определяется, как предельное колебание между срединной продольной плоскостью шпоночной канавки и теоретической срединной продольной плоскостью шпоночной канавки, которая включает в себя ось вала. Расстояние между этими двумя плоскостями, измеренное у конца полезной длины шпоночной канавки, должно быть в пределах величин, указанных ниже.

Параллельность вала опорной поверхности

Боковое смещение шпоночной канавки

Допуск на боковое смещение составляет 0,1 мм. Боковое смещение шпоночной канавки определяется как предельное отклонение в любой точке полезной длины шпоночной канавки. Это отклонение представляет расстояние от осевой линии шпоночной канавки до плоскости через осевую линию конца вала, перпендикулярного действительному положению дна шпоночной канавки.

Боковое смещение шпоночной канавки

Литература

GRUNDFOS – Электродвигатели
www.grundfos.com

MirMarine
MirMarine – образовательный морской сайт для моряков.
На нашем сайте вы найдете статьи по судостроению, судоремонту и истории мирового морского флота. Характеристики судовых двигателей, особенности устройства вспомогательных механизмов и систем.