Функции преобразователя частоты

Функции преобразователя частоты

Источник статьи Книга «Электродвигатели» — результат совместной работы специалистов GRUNDFOS. (www.grundfos.com). В ней подробно рассмотрены основные элементы электродвигателя, принципы его работы, стандарты, способы защиты и вопросы технического обслуживания.

Преобразователь частоты

Укомплектованная установка с электродвигателем, регулируемым преобразователем частоты, включает в себя целый набор различных компонентов, которые необходимо выбирать строго в соответствии с определённой областью применения.

Компоненты установки выбираются в соответствии с фактическим применением, начиная с подбора подходящего насоса. Выбирается электродвигатель, подходящий определённому насосу. Фильтр на выходе преобразователя частоты должен воспринимать полную нагрузку насоса и в то же время соответствовать преобразователю частоты.

Компоненты типового монтажа

Преобразователь частоты должен иметь номинальную мощность, соответствующую насосу, а плавкие предохранители и защитный автоматический выключатель должны подходить для конкретного преобразователя частоты.

Далее представлена информация по подбору подходящих компонентов.

Преобразователь частоты позволяет регулировать частоту вращения (об/мин) асинхронного электродвигателя. Для этого регулируется частота, поступающая к электродвигателю.

В данном разделе основное внимание уделяется элементу передачи энергии в преобразователе частоты. Схема стандартного преобразователя частоты представлена справа, дополнительные контуры передачи энергии включают в себя:

  • фильтр на входе;
  • выпрямитель;
  • контур аккумулирования энергии, или промежуточный контур;
  • инвертор.

Функции различных компонентов дополнительных контуров:

Фильтр на входе

Фильтр на входе предотвращает переход помех внутри преобразователя частоты на другие компоненты, подсоединённые к сети. Кроме того, он предотвращает переход помех от питающей сети на преобразователь частоты, так как они мешают его работе.

Выпрямитель

Выпрямитель преобразует переменный ток АС в постоянный DC.

Контур аккумулирования энергии или промежуточный контур

Напряжение постоянного тока от выпрямителя направляется в контур аккумулирования энергии, где на него накладывается напряжение переменного тока. Амплитуда напряжения переменного тока зависит от нагрузки на инвертор. Если нагрузки нет, то нет и пульсации.

Инвертор

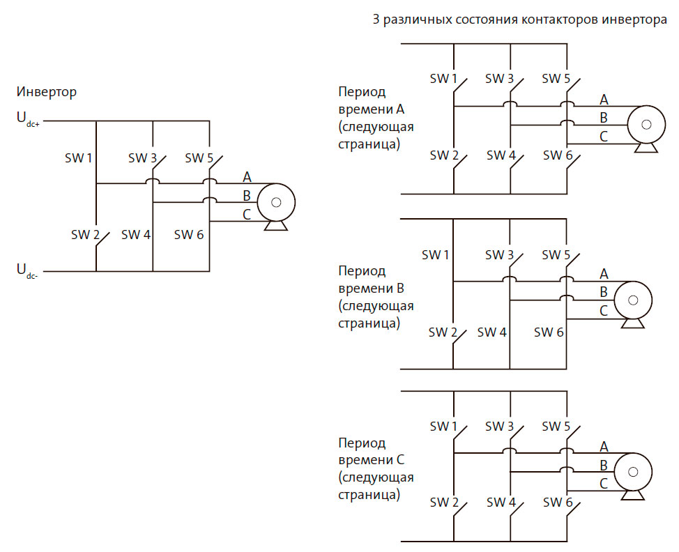
Инвертор преобразует напряжение постоянного тока в выходное напряжение с переменной частотой и амплитудой. Инвертор имеет шесть контакторов, которые могут быть включены или выключены.

Функции инвертора

Шесть контакторов в инверторе переключаются по шаблону так, что в статоре создаётся циркуляционное поле. Шаблон переключения отражает фактическое выходное напряжение и частоту преобразователя частоты.

Инвертор оборудован шестью контакторами, которые включаются по определенной схеме (шаблону)

Как видно из схемы справа, фазы выходов могут быть подсоединены либо только к Udc+ или Udc-, либо не присоединены совсем. Контактор 1 и контактор 2 никогда не включаются одновременно. Однако, если всё-таки это случается, в преобразователе частоты возникает короткое замыкание. В результате преобразователь частоты может быть повреждён. Далее мы проанализируем фактическое выходное напряжение при переключении по определённому шаблону. Напряжение между фазами выхода A и B вычисляется следующим образом:

Напряжение Udc+ рассчитывается как (Земля принимается за реперную точку)

Где Uсеть — входное напряжение питающей сети на преобразователь частоты. Udc+ в стандартной европейской установке с Uсеть = 400 В вычисляется следующим образом:

Udc- вычисляется таким же образом, только с противоположной поляризацией, когда потенциал Земли принимается за реперную точку.

Теперь проанализируем напряжения, подаваемые на электродвигатель. В трёх диаграммах справа представлены изображения 3-х различных состояний контакторов инвертора. В первой диаграмме напряжение, поступающее в электродвигатель, следующее:

Во второй диаграмме напряжение, поступающее в электродвигатель:

В третьей диаграмме напряжение, поступающее в электродвигатель:

3 различных состояния контакторов инвертора

Ещё один способ отображения выходных импульсов от инвертора представлен в диаграмме справа. Получить представление об основных функциях преобразователя частоты мы сможем, если проанализируем импульс. Преобразователь частоты генерирует серию импульсов по шаблону между тремя фазами выходов, статор препятствует распространению этих импульсов. Выходное напряжение (среднеквадратичное значение) импульсов соответствует фактической выходной частоте вращения. Среднеквадратичное значение выходных импульсов зависит от продолжительности этих импульсов. Более длительные импульсы соответствуют более высокому напряжению.

В следующем разделе мы подробно рассмотрим импульсы и проблемы, которые они вызывают.

Изменение выходного напряжения в единицу времени можно охарактеризовать как ΔU/ Δt, или математически: значение dU/ dt стремится к бесконечности. Цифра в правой части достигает бесконечности dU/dt. В реальных условиях этого не происходит. Требуется некоторое время, чтобы перевести полупроводниковые контакторы инвертора из непроводящего режима в проводящий режим. В реальном переключении, мы предполагаем, что предел dU/dt достигнет определённого значения.

К примеру, разберём данные из предыдущего раздела. Время переключения составляет, например, 0,3 мкс.

Величина dU/dt обусловлена компонентами, используемыми в преобразователе частоты. Производители преобразователей частоты работают над тем, чтобы минимизировать время переключения, так как это приведёт к уменьшению потерь в преобразователе частоты. Современные тенденции конструирования преобразователей частоты ведут к уменьшению размеров и снижению потерь мощности, а для этого необходимо увеличить dU/dt. Высокое значение dU/dt отрицательно влияет на систему изоляции, используемой в электродвигателе, величина dU/dt уменьшается с увеличением длины кабеля.

Выходные импульсы от инвертора

Чем длиннее кабель между преобразователем частоты и электродвигателем, тем ниже значение dU/dt. Причина в том, что кабель добавляет цепи некоторую индуктивность, которая влияет на величину dU/dt. В следующем разделе мы рассмотрим влияние фильтров, которое заключается в том, что величина dU/dt уменьшается. Эти фильтры в основном используются для защиты электродвигателей от слишком высокого dU/dt и Uпиков.

Uпиков — ещё один фактор, влияющий на ресурс системы изоляции внутри электродвигателя. На предыдущих иллюстрациях представлено выходное напряжение преобразователя, работающего в идеальных условиях. Однако, в реальных ситуациях преобразователь частоты и электродвигатель соединены кабелем. Кабель влияет на выходное напряжение преобразователя частоты.

Напряжение Uпиков связано с собственной ёмкостью кабеля. Напряжение Uпиков высокое, система изоляции в электродвигателе препятствует распространению этого высокого напряжения всякий раз, как инвертор посылает импульс. Обычно это происходит тысячу раз в секунду. В некоторой степени Uпиков зависит от длины кабеля, так как собственная ёмкость кабеля повышается с увеличением его длины.

Напряжение Uпиков обычно не влияет на работу устройства, если кабель, соединяющий электродвигатель и преобразователь частоты, короткий (меньше 15-20 м).

На предыдущих страницах мы увидели, что проблема эксплуатации электродвигателя с преобразователями частоты заключается в том, что фактическое выходное напряжение представляет собой серию импульсов. Это влияет на изоляционную систему внутри электродвигателя из-за dU/dt и Uпиков. На следующих страницах мы разберём, как уменьшить воздействие на изоляцию электродвигателя.

Выходной импульс

Фильтры на выходе для преобразователей частоты

Фильтр на выходе из частотного преобразователя уменьшает нагрузку на изоляцию электродвигателя. Существует множество типов фильтров на выходе.

Основной функцией фильтров на выходе для преобразователей частоты является уменьшение значений dU/dt и Uпиков. В результате квадратный профиль кривой меняется на синусоидальный. Уменьшить величины dU/dt можно при помощи различных фильтров:

  • Стабилизаторов на выходе (катушек двигателя).
  • Индуктивно-ёмкостных фильтров.

Стандартным способом уменьшения значений dU/dt является последовательное подключение стабилизатора к обмоткам электродвигателя. Для того чтобы повысить производительность фильтра, можно использовать дополнительные компоненты системы, такие как конденсаторы. При уменьшении значений dU/dt, Uпиков. также уменьшается. Таким образом, сводится к минимуму риск перегрузки (Uпиков), так как загрузка и разгрузка кабеля осуществляется медленнее.

Фильтр на выходе вызывает определённые потери мощности. Их величина зависит от частоты переключения преобразователя частоты. Часто уменьшают частоту переключений, если для сокращения потерь мощности подключён фильтр на выходе. Однако установка фильтра на выходе будет всегда сказываться на общей производительности системы. Невозможно использование фильтра без определённых потерь. Информацию о максимальной частоте переключения для фильтров на выходе можно найти в руководствах и технических справочниках.

Причины электрического перенапряжения

Фильтр на выходе приводит к потере напряжения (спад напряжения на стабилизаторах) между преобразователем частоты и электродвигателем, то есть на электродвигатель подается меньшее напряжение. Обычно, это явление не сказывается на работе устройства. Однако выходное напряжение преобразователя частоты никогда не превышает входного напряжения. Введение фильтра на выходе в такой ситуации приведёт к дополнительному падению напряжения. От преобразователя частоты в электродвигатель будет поступать немного больший ток, увеличится скольжение в электродвигателе и, следовательно, упадёт производительность насоса.

Вследствие преобразования прямоугольного импульса в более синусоидальный фильтры на выходе для преобразователей частоты будут вызывать помехи. Периоды работы стабилизаторов в фильтре противоположны частоте переключений преобразователя. Такая конструкция вызывает возникновение помех под влиянием усилий, прилагающихся к стабилизаторам, когда в прямоугольных импульсах меняется напряжение. Для уменьшения уровня помех, а также повышения теплопроизводительности фильтров, многие из них герметизированы. Если установлен фильтр на выходе, уровень помех может незначительно измениться.

При подборе оборудования необходимо обращать внимание на фильтры с конденсаторами, соединенные с «землей». Ток утечки может увеличиться вследствие увеличения ёмкости относительно «земли». Всё это может негативно сказаться на защитном автоматическом выключателе, используемом на месте установки.

Как правило, проблему можно обнаружить при первом нажатии кнопки «Пуск» на преобразователе частоты. Почему? Потому что конденсаторы в фильтре начинают работать, только когда преобразователь частоты генерирует выходное напряжение. Это значит, что ток утечки возрастает, когда инвертор генерирует выходные импульсы, а это происходит именно при нажатии кнопки «Пуск».

Очень важно, чтобы был установлен защитный автоматический выключатель, на который не повлияет ток утечки и не вызовет размыкания (отключения). Производители индуктивно-ёмкостных фильтров должны предоставлять информацию о токе утечки или о соответствующем защитном автоматическом выключателе.

Последний вопрос связанный с фильтрами — монтаж. Фильтры всегда должны устанавливаться в соответствии с прилагаемой технической документацией.

Обычно, документация включает в себя рекомендации по выбору кабеля, максимальной длине кабеля, ограничениям по температуре окружающей среды, максимальной допустимой частоте переключений, максимальном токе электродвигателя и по другим вопросам. Инструкции изготовителя должны строго соблюдаться.

Если у Вас есть вопросы по выбору фильтра на выходе преобразователя частоты, Вам следует обратиться к производителю преобразователя частоты. Необходимо предоставить данные о типоразмере электродвигателя или максимальной нагрузке, максимальные допустимые значения dU/ dt и Uпиков. и другую информацию относительно применения.

Подшипниковые токи при работе с преобразователями частоты

В последнее время значительно выросло количество неполадок электродвигателей, связанных с действием напряжения и токов на их валы. Разряд напряжения от тока, проходящего по подшипникам, может вызвать повреждение или разрушение подшипников, если они надлежащим образом не заизолированы.

Действие токов на валы электродвигателей необходимо учитывать при мощности электродвигателей от 75 кВт и выше.

В исключительных случаях рассматриваются двигатели меньшей мощности.

Токи в подшипниках трёхфазных электродвигателей переменного тока вызываются индуктивными токами вала от асимметричных обмоток статора. Как правило, они незначительные.

При действии гармоник, асимметрии напряжений инвертора, неправильно подобранной длине кабеля и плохом заземлении между инвертором и электродвигателем могут возникнуть токи утечки в подшипниках электродвигателя, которые также называют токами в подшипниках.

Токи в подшипниках от вала на землю

Эти подшипниковые токи могут вызвать преждевременное повреждение и последующее разрушение подшипников. Постоянное присутствие тока в подшипниках приводит к короблению дорожек на наружном и внутреннем кольцах, вызывает и ускоряет износ подшипника.

Обычно в небольших электродвигателях должны применяться изолированные или керамические подшипники на обоих концах вала. Более мощные электродвигатели могут быть оборудованы одним изолированным подшипником или одним керамическим подшипником.

Специально изготовленные подшипники для электродвигателей

Преобразователи частоты позволяют регулировать частоту вращения электродвигателя и корректировать её в соответствии с меняющейся нагрузкой. Электродвигатели с частотными преобразователями могут создавать блуждающие токи, которые вызывают в подшипнике образование электрических дуг и могут привести к его разрушению. Чтобы этого не произошло, кольца и шарики подшипников покрывают специальными защитными материалами. Однако нанесение такого покрытия очень дорогостоящий и длительный процесс.

В подшипниках нового поколения, предлагаемых сегодня на рынке, используется эффект «выхода из штопора» (spin-off) из авиационной промышленности, в которой применяются следующие три типа подшипников:

  • Гибридные подшипники.
  • Полностью керамические подшипники.
  • Подшипники с керамическим покрытием.

На следующих страницах данные типы подшипников представлены подробнее.

Гибридные подшипники

Дорожки качения гибридных подшипников изготавливаются из стали, а сами шарикоподшипники — из керамики, обычно из нитрида кремния. В отличие от стальных подшипников, гибридные подшипники имеют следующие преимущества:

  • они могут достигать большей частоты вращения и лучшей точности;
  • больший эксплуатационный ресурс.

Эти особенности говорят сами за себя. Сегодня гибридные подшипники находят широкое распространение в технике.

Недостатком гибридных подшипников является то, что они дороже стандартных подшипников. Несмотря на то, что гибридные подшипники становятся всё более доступными, их использование не всегда экономически оправдано.

Полностью керамические подшипники

Полностью керамические подшипники, как следует из названия, изготовлены полностью из керамики. Полностью керамические подшипники имеют следующие преимущества:

  • устойчивы к действию электрического тока и магнитного поля;
  • износостойкость и коррозионная стойкость;
  • не требуют смазки и технического обслуживания, особенно при их использовании при высоких и низких температурах;
  • устойчивы к агрессивным средам.

Полностью керамические подшипники

Изолированные подшипники — подшипники с керамическим покрытием

Подшипники данного типа имеют керамическое покрытие на наружном и внутреннем кольцах. Шарики, а также внутреннее и наружное кольца изготовлены из стали. Изолированные подшипники отличаются и от гибридных, и от керамических подшипников по своему эксплуатационному ресурсу, термостойкости и прочности. Изолированные подшипники используются для того, чтобы не допустить разрушения подшипника от действия токов, обусловленных работой электродвигателя вместе с преобразователем частоты.

Изолирующее покрытие на наружном кольце подшипника — это оксид алюминия, который наносится на подшипник способом плазменного напыления. Такой вид покрытия выдерживает напряжение пробоя изоляции 1000 В.

Изолированные подшипники - подшипники с керамическим покрытием

Подшипники с электрической изоляцией могут быть нескольких типов. Наиболее распространённые: цилиндрические роликоподшипники и шарикоподшипники с глубокими дорожками качения с наружным диаметром больше 75 мм — т.е. это подшипники серии выше 6208.

Подобно гибридным и керамическим подшипникам, изолированные подшипники дороже стандартных подшипников, хотя постепенно они становятся всё более доступными. Изолированные подшипники всё чаще используются наряду со стандартными подшипниками в качестве NDE подшипников в частотно-регулируемых электродвигателях типоразмера 250 и больше.

Меры предосторожности при работе с преобразователем частоты

Говоря о мерах предосторожности при работе с преобразователем частоты, мы подразумеваем работу 4 типов электродвигателей:

  • электродвигатели без фазовой изоляции между обмотками и концом катушки;
  • электродвигатели с фазовой изоляцией между обмотками и концом катушки;
  • электродвигатели с усиленной фазовой изоляцией;
  • электродвигатели с изолированным подшипником.

Ниже следует краткое описание типов электродвигателей.

Электродвигатели без фазовой изоляции

В электродвигателях, изготовленных в соответствии с современными правилами, без применения фазовой изоляции, при постоянных напряжениях (среднеквадратичное значение) выше 460 В повышается риск пробивных разрядов в обмотках, а, следовательно, разрушения электродвигателя. Это относится ко всем электродвигателям, изготовленным согласно данным правилам. Продолжительная работа с пиками напряжения выше 650 В вызывает повреждение электродвигателя. Стандартные электродвигатели типоразмера MG 71 и MG 80, до 415 В включительно (50 Гц) и 440 В (60 Гц) изготавливаются без фазовой изоляции.

Электродвигатели с фазовой изоляцией

В трёхфазных электродвигателях, начиная с Grundfos MG, MMG, и некоторых исполнениях MG 71 и MG 80, используется фазовая изоляция, а, следовательно, не требуется соблюдать особые меры предосторожности.

Электродвигатели с усиленной фазовой изоляцией

При значениях напряжения питания в диапазоне от 500 до 690 В электродвигатель должен иметь усиленную изоляцию или должен быть защищён фильтрами dU/dt. При напряжении питания 690 В и больше электродвигатель должен быть оборудован усиленной изоляцией и фильтрами dU/dt.

Фазовая изоляция выполненная в виде изоляционной бумаги

Рекомендации

Все компоненты в двигателях с частотными преобразователями должны быть тщательно подобраны. Плавкие предохранители должны соответствовать действующим нагрузкам.

Защитный автоматический выключатель должен быть разработан специально для использования с преобразователями частоты. Если применяется фильтр на выходе, помните, что это может привести к некоторому повышению тока утечки. Фильтр на выходе должен соответствовать преобразователю частоты, а преобразователь частоты — конкретному типоразмеру электродвигателя.

Чтобы не допустить снижения рабочих характеристик и производительности электродвигателей, не используйте большие преобразователи частоты для электродвигателей небольшой мощности. Используйте фильтр, соответствующий определённому преобразователю. Если у вас есть вопросы по преобразователю частоты, обращайтесь к производителю. Всегда следуйте инструкциям руководства по монтажу.

Литература

GRUNDFOS – Электродвигатели
www.grundfos.com

MirMarine
MirMarine – образовательный морской сайт для моряков.
На нашем сайте вы найдете статьи по судостроению, судоремонту и истории мирового морского флота. Характеристики судовых двигателей, особенности устройства вспомогательных механизмов и систем.