Основные технические данные системы.
Система самовозбуждения основана на принципе фазового компаундирования с электромагнитным сложением сигналов. Система обеспечивает точность поддержания напряжения генератора при установившемся тепловом состоянии в пределах ±2,5% номинального значения при изменении тока статора от 0 до 100% и коэффициента мощности от О,7 до 0,95. Отклонение частоты вращения генератора может составлять при этом ±2% номинального значения. Время первого достижения установившегося значения напряжения генератора при прямом пуске коротко-замкнутого электродвигателя на холостом ходу мощностью 30% от мощности генератора не превышает 0,8 с.
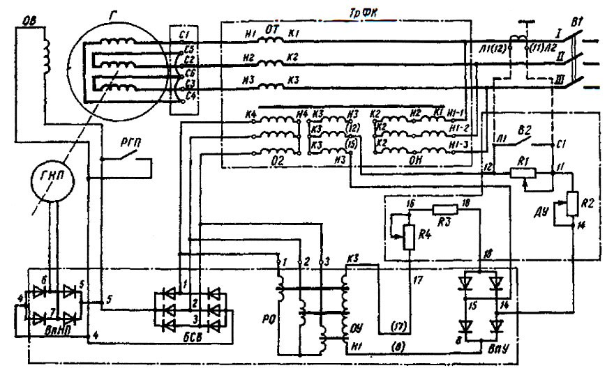
Принципиальная схема системы и ее элементы (рис. 21.12)
Элементами системы автоматического регулирования являются: синхронный генератор с обмоткой возбуждения ОВ; генератор начального пуска ГНП; трехобмоточный трехстержневой трансформатор фазового компаундирования ТрФК; блок силовых выпрямителей БСВ; реактор отсоса РО; выпрямитель начального пуска ВnНП; выпрямители управления ВnУ; резистор уставки напряжения R4; резистор статизма R1; регулируемый резистор R2; резистор термокомпенсации R3; пакетный переключатель В2.
Реактор отсоса РО осуществляет ручную подрегулировку напряжения генератора, а также обеспечивает параллельную работу генераторов серии МСС с генераторами серий МСК и ГСС.
Трансформатор фазового компаундирования ТрФК имеет две первичные обмотки - токовую (последовательную) ОТ и напряжения (параллельную) ОН, а также одну вторичную обмотку 02. Токовые обмотки ОТ трансформатора ТрФК включаются последовательно с нагрузкой генератора. Параллельные обмотки ОН трансформатора ТРФК включаются на напряжение генератора со стороны нагрузки. Вторичные обмотки 02 подключаются к блоку силовых выпрямителей БСВ и к рабочим обмоткам ОР реактора отсоса РО. После выпрямления ток вторичных обмоток 02 трансформатора ТрФК частично подается в обмотку ротора генератора, а частично отсасывается в рабочие обмотки реактора отсоса.
Уставка напряжения на выводах генератора достигается изменением значения тока отсоса, в свою очередь изменяющего ток ротора генератора. Изменение тока отсоса осуществляется путем разного подмагничивания реактора отсоса постоянным током (током управления, подаваемым в обмотку управления ОУ). Ток управления (уставка напряжения) изменяется вручную резистором уставки R4.
Обмотка управления через выпрямитель BnУ и последовательно включенные резисторы R2-R4 подключается на часть линейного напряжения генератора (на отдельную обмотку напряжения трансформатора ТрФК).
Работа системы. Для обеспечения безотказного начального возбуждения генератора на валу ротора установлен однофазный генератор с постоянными магнитами, включенный через селеновые выпрямители ВnНП на обмотку ротора.
Для гашения поля генератора в схеме установлен рубильник гашения поля РГП.
Напряжение генератора регулируется совместной работой элементов трансформатора с магнитным шунтом.
Ток возбуждения генератора пропорционален напряжению обмотки 02 трансформатора ТРФК (а следовательно, и ее потокосцеплению). Потокосцепление обмотки 02 определяется суммарной намагничивающей силой н. с.), создаваемой всеми обмотками трансформатора. При этом н. с. последовательной и параллельной обмоток складываются геометрически (под углом 90°) и являются намагничивающими. Намагничивающая сила обмотки 02, питающей силовой выпрямитель и реактор отсоса, является размагничивающей.
При отсутствии корректора схема работает таким образом.
При холостом ходе генератора действует н. с. обмотки ОН; н. с. обмотки ОТ отсутствует. При нагрузке и изменении значения коэффициента ее мощности н. с. обмотки ОН, пропорциональная напряжению генератора, остается практически неизменной, а н. с. обмотки ОТ, совпадая по фазе с током нагрузки, изменяется пропорционально значению последнего. Вследствие этого суммарная н. с. также изменяется в зависимости от значения коэффициента мощности нагрузки.
Параметры компаундирующего трансформатора ТРФК выбирают такими, чтобы суммарная н. с. обеспечила необходимое потокосцепление обмотки 02, а следовательно, и ток обмотки возбуждения, необходимый для поддержания постоянного выходного напряжения генератора с учетом требуемого тока отсоса для ручной подрегулировки напряжения. Для поддержания постоянного выходного напряжения генератора при изменении частоты в данной схеме параметры компаундирующего трансформатора выбирают такими, что при постоянной частоте и при изменении тока нагрузки от 0 до 100% напряжение генератора возрастает.
Вследствие нагревания обмотки возбуждения генератора и изменения в связи с этим ее активного сопротивления несколько изменяется (уменьшается) ток выхода системы автоматического регулирования, что приводит к изменению (снижению) напряжения на генераторе (тепловое отклонение уставки). В данной системе самовозбуждения тепловое отклонение напряжения составляет 3% в сторону снижения напряжения. Изменение уровня напряжения генератора (уставки напряжения) достигается изменением значения сопротивления резистора уставки R4, включенного в цепь управления реактора отсоса. При увеличении сопротивления резистора уставки ток управления реактора уменьшается, ток отсоса реактора также уменьшается, ток в обмотке возбуждения генератора увеличивается и выходное напряжение генератора возрастает. Резистор уставки позволяет регулировать выходное напряжение в пределах от +2 до -7%.
Автоматическое распределение реактивных нагрузок при параллельной работе генераторов серии МСС одинаковой и разной мощности достигается с помощью уравнительных соединений между параллельно работающими генераторами в цепи постоянного тока. В этом случае обмотки возбуждения генераторов соединяются параллельно. Если мощность генераторов различна, обмотки возбуждения соединяются с включением уравнительного резистора в обмотку возбуждения генератора меньшей мощности для уменьшения уравнительных токов и выравнивания напряжения.
Автоматическое распределение реактивных нагрузок при параллельной работе генераторов МСС с генераторами МСК и ГСС обеспечивается с помощью дополнительного устройства.
Исполнение и размещение элементов системы.
Элементы системы выполнены отдельными блоками: трансформатор фазового компаундирования ТрФК (см. рис. 21.12) в открытом исполнении; реактор отсоса РО, блок силовых селеновых выпрямителей БСВ и выпрямители начального пуска ВnНП встроены в одни кожух брызгозащищенного исполнения; блок дополнительного устройства ДУ на отдельной панели открытого исполнения, на которой смонтированы резисторы R1-R3, резистор уставки напряжения R4 и пакетный переключатель В2.
Все элементы системы работают при естественном охлаждении и располагаются в удобном для монтажа месте. Трансформатор фазового компаундирования ТрФК и дополнительное устройство ДУ встраиваются в генераторную секцию распределительного щита.
Проверка системы и ее неисправности.
При автономной работе систему настраивают изменением зазора между магнитным шунтом и стержнями трансформатора ТРФК, используя изоляционные прокладки разной толщины.
Указанная регулировка выполняется на холостом ходу. При этом с увеличением зазора ток выхода трансформатора увеличивается, вследствие чего возрастают ток ротора и напряжение на генераторе. С уменьшением зазора происходит обратное. При холостом ходе зазор устанавливается таким, чтобы при отключенном реакторе отсоса и частоте тока генератора, равной 51 Гц, напряжение на генераторе составляло 110-113% номинального. Ориентировочный зазор шунта с каждой стороны составляет: 10-12 мм МСС-250, 6-9 мм МСС-375.
После регулировки необходимо включить реактор на вторичную обмотку трансформатора, установить частоту тока 51 Гц и с помощью резистора уставки установить на генераторе напряжение, равное номинальному. Резистор параллельной работы R1 при этом должен быть зашунтирован переключателем В2.
Пределы ручной регулировки напряжения генератора проверяют резистором уставки. При необходимости изменения этих пределов в сторону увеличения напряжения генератора (больше 100%) следует увеличить сопротивление резистора R2 на дополнительном устройстве.
При включении 2400 витков обмотки управления реактора отсоса для генератора МСС-250 значение тока управления на холостом ходу ориентировочно составляет 0,53 А. При включении 2600 витков обмотки управления для генератора МСС-375 этот же ток ориентировочно составляет 0,58 А.
Если при настройке наблюдается резкое падение напряжения генератора при нагрузке, то следует изменить фазировку обмоток напряжения на 180°.
При использовании генераторов МСС-250 и МСС-375 с системами возбуждения на 230 В обмотка напряжения ОН должна быть включена на треугольник.
Перед включением генераторов на параллельную работу необходимо расшунтировать резистор R1 и установить такое значение его сопротивления, чтобы было обеспечено постоянство внешней характеристики генератора при изменении тока статора от нуля до IНОМ порядка 3-4% И=Uх.х.
При правильной фазировке ток управления реактора отсоса должен быть тем больше, чем меньше коэффициент мощности.
Основным признаком неисправности системы является нарушение режима возбуждения. Любая неисправность вызывает повышение возбуждения генератора или его снижение, а при параллельной работе и наличии уравнительных связей со стороны перемениого тока - еще и повышение или понижение реактивной мощности генератора. При появлении неисправности генератор необходимо отключить и тщательно проверить все цепи и устройства. Обнаруженную неисправность следует устранить, восстановив нарушенную цепь, заменив или отремонтировав неисправный элемент.
Перечень возможных неисправностей системы, их причины и способы устранения приведены в табл. 21.4.
Литература
Судовой механик: Справочник. Том 3 - Фока А.А. (2016)