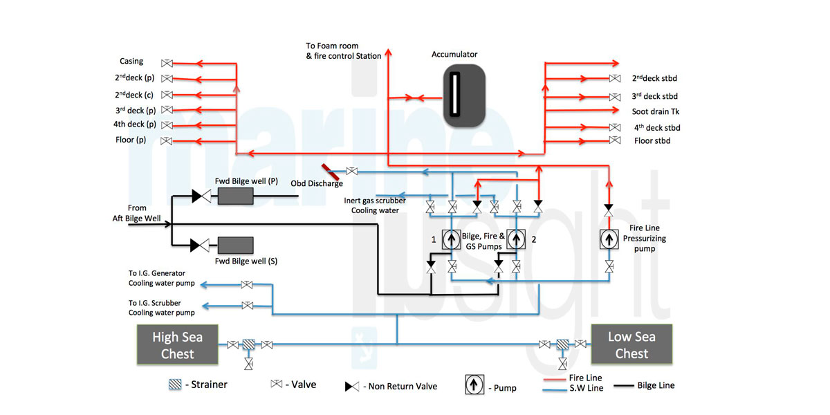
Fire Hydrant System

Fire line

One of the major hazards in the ship's engine room is fire. As per one of the studies carried out by DNV, a leading maritime certification and accreditation body, almost 2/3rd of ships' fire starts in the engine room.

In order to tackle this problem, different types of fire fighting systems are provided in the ship's engine room. A fire hydrant system is installed in the form of a fire line, which can be connected to hydrants at strategic locations on the ship. A fire hose kept near every hydrant is connected to the hydrant during emergencies for fighting fire. Fire main pump in the engine room supplies seawater at high pressure to the fire hydrants. The bilge, fire and GS pumps can also be used for this purpose as they are interconnected to the fire line.

The pump suction and outlet valves for engine room fire pump is generally kept open so as to start the pump from a remote position during emergency. In case more than two hydrants are required, two fire pumps are switched ON to maintain the required water pressure.

If the pressure is still not sufficient, then a more powerful emergency fire pump is started.

Preparation for Operating Fire Hydrant System

  • Ensure fire pump valves are in open position
  • All intermediate isolating valves along the fire line going to deck and engine room must be opened
  • A drain is provided in the fire line, which is normally opened during repair work or in cold temperatures. Ensure that the drain is closed
  • Put the fire main pump into auto mode. It will start and stop automatically depending upon the fire line pressure
  • If additional water pressure is required, start other fire pumps or emergency fire pumps
  • Connect the fire hose at the required fire hydrant and then open the fire hydrant valve
  • Ensure the fire hydrant and hose connecting spanner are readily available near all hydrants

Whenever more than two pumps or main fire pump and emergency fire pump are run together, ensure to open at least one hydrant either on deck or in the engine room to avoid overheating of the pump.

References

A Pocket Guide To Fixed Fire Fighting Systems and Emergency Procedures For Ship’s Engine Room (Author: Marine Insight)

MirMarine
MirMarine – образовательный морской сайт для моряков.
На нашем сайте вы найдете статьи по судостроению, судоремонту и истории мирового морского флота. Характеристики судовых двигателей, особенности устройства вспомогательных механизмов и систем.