Содержание
- 1.Общие сведения
- 2.Конструктивные типы генераторов различных фирм - изготовителей
- 3.Технические характеристики ДГ фирмы SKL
- 4.Технические решения по принципу работы синхронных генераторов переменного тока.
- 5.Типы синхронных генераторов комплектации судовых ДГ
- 6.Системы управлениия и автоматизации ДГ и судовых электростанций
- 7.Система пневматического запуска дизель-генератора
- 8.Микропроцессорный дизель-генераторный контроллер модели МЕС 20 фирмы ТТ1
Общие сведения
Судовые дизель-генераторы (ДГ) переменного тока осуществляют электрофицирование судов и должны не только отвечать действующим нормативным требованиям, но и совершенствоваться в соответствии с современными тенденциями развития судо- и дизельлестроения.
Зарубежные фирмы выпускают множество разнообразных моделей вспомогательных, аварийных и стояночных ДГ с мощностью 3,5-5200 кВт для транспортных и пассажирских судов, судов рыбопромыслового флота, а также для военных кораблей.
На рис. 9.1-9.6 показаны современные ДГ фирм «Вяртсиля» КЛ и американской фирмы «электро-отиве» модели Е20Г4В.
Большое внимание зарубежные фирмы обращают на дизайн судовых дизель-электрических агрегатов, удобство их монтажа и обслуживания на судах.
Как и вся судовая техника, ДГ постоянно совершенствуются, улучшаются их эксплуатационные характеристики, а в отдельных случаях они приспосабливаются к условиям главной энергетической установки вплоть до объединения систем.
В последнее десятилетие важнейшее направление развития ДГ, например, для транспортных судов — обеспечение возможности эксплуатации ДГ и главного двигателя (ГД) на едином тяжелом остаточном топливе с целью создания однотопливных энергетических судовых установок.
Ужесточились требования к уровням шума ДГ, особенно для круизных судов, паромов, яхт и др. Результатом этого явилось внедрение на судах систем виброизоляции, подобных тем, которые применяются на военных кораблях.
Стремление к интеграции отдельных агрегатов, входящих в энергетическую установку судна, для повышения эффективности ее эксплуатации привело, например, фирму MAN B&W к созданию объединенной системы турбонаддува (ICS) для ГД и ДГ судовой электростанции. В этой системе ДГ, работающий на тяжелом топливе вязкостью 700 сСт, на малых нагрузках и холостом ходу, обеспечивается наддувочным воздухом от системы газотурбинного наддува ГД, на характеристики которой подобный расход воздуха практически не влияет.
Еще одна разработка фирмы — создание вспомогательного дизель-газотурбинного агрегата, в состав которого кроме дизеля серии L28/32 и генератора входит силовая турбина, работающая на избыточных выпускных газах ГД.
Поставкой судовых вспомогательных ДГ (а также аварийных и стояночных) в мире занимается ряд фирм, являющихся изготовителями дизелей или электрооборудования. Практически все зарубежные фирмы, выпускающие главные судовые дизели, изготовляют на их базе и судовые дизель-электрические агрегаты переменного тока или первичные вспомогательные судовые дизели для комплектации ДГ.
При этом в современных зарубежных судовых дизель-электрических агрегатах используют высокофорсированные по среднему эффективному давлению рте дизели как приводные двигатели синхронных электрогенераторов. Вместе с тем, в практике зарубежных фирм имеется немало примеров выпуска ДГ с умеренными значениями рте дизелей для обеспечения более высокого качества переходных процессов при набросах нагрузки на агрегаты и, следовательно, более высокого качества электроэнергии. Степень компромисса в применении того или иного ДГ с дизелем с различным рте определяется конкретными требованиями эксплуатации.
Конструктивные типы генераторов различных фирм - изготовителей
На рис. 9.5 показан ДГ фирмы SKL на базе дизеля 6VD18/16AL-2 мощностью 450 кВт при частоте вращения 1500 мин-1. Фирмы, комплектующие судовую электростанцию вспомогательными ДГ переменного тока, всегда, как правило, формулируют требования и указания по выбору ДГ, определению их мощности, по подключаемой нагрузке, параллельной работе ДГ.
Фирма SKL также сформулировала свои указания для проектантов судовых электростанций: выбор агрегатов зависит от потребителей, обеспечиваемых энергией, и обусловленной технологией режима работы крупных потребителей (непрерывное обеспечение энергией, импульсный режим работы или др.).
Технические характеристики ДГ фирмы SKL
Технические решения по принципу работы синхронных генераторов переменного тока.
Современные синхронные генераторы переменного тока, используемые в составе судовых дизель-электрических агрегатов прошли путь длительной эволюции по конструкции и параметрам, технологии производства и применяемым материалам и представляют собой синтез инженерно-технических решений в этой области.
Для более полного понимания состояния дел по техническим решениям в области проектирования и изготовления генераторов, видимо, целесообразно
- рассмотреть конструкцию и электросхему современного синхронного генератора постоянного трехфазного тока частотой 50/60 Гц, напряжением примерно 400 в;
- ознакомиться с некоторыми типами генераторов, выпускаемых ведущими зарубежными электротехническими компаниями и фирмами.
Прежде всего рассмотрим устройство и работу современного синхронного генератора переменного трехфазного тока мощностью 200 кВт. напряжением 400 В частотой тока 50 Гц. Его конструкция по исполнению, компоновке и элементам, а также по принципиальной электрической схеме генератора соответствует электрогенераторам, выпускаемым рядом зарубежных фирм специализированного производства.
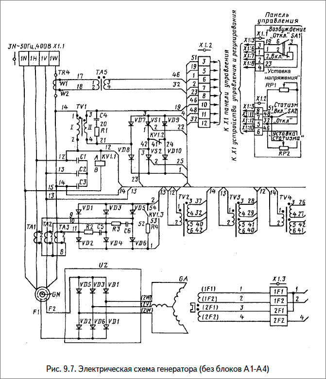
Принципиальные электрические схемы отдельных узлов генератора приведены на рис. 9.7. Пять схем вместе представляют собой принципиальную электрическую схему синхронного генератора и могут быть совмещены по соответствующим клеммным платам в общую схему генератора.
На рис. 9.7 показана электрическая схема панели управления. Поперечный разрез генератора приведен на рис. 9.8.
Рассмотрим конструкцию и работу генератора приведенного на рис. 9.8. Исполнение генератора брызгозащищенное, с самовентиляцией, горизонтальное, с одним свободным концом вала. Генератор соединяется с первичным двигателем через упругую муфту.
Направление вращения генератора левое или правое. Если смотреть со стороны приводного двигателя; оно указывается стрелкой на подшипниковом щите со стороны свободного конца вала.
Станина 1 стальная сварная. Для выхода охлаждающего воздуха в станине имеются окна, которые закрываются жалюзями 2.
Сердечник статора 3 набран из изолированных листов электротехнической стали, и закреплен от поворота и смещения. Обмотка статора 4 соединена в звезду и имеет четыре вывода: три фазных и один нулевой, которые подведены к планке зажимов 5 устройства управления и регулирования. Обмотка катушечная, двухслойная. Ввод внешних силовых кабелей предусмотрен через сальники, расположенные в станине.
Ротор генератора явнополюсный, выполнен из полюсных сердечников 7 с катушками обмотками возбуждения 8 и демпферной обмоткой 9. Полюсные сердечники набраны из штампованных листов, спрессованных в пакет с помощью нажимных шеек и заклепок. Катушки обмотки возбуждения 8 изготовлены из шинной меди гнутой на ребре.
Панель управления (см. рис. 9.9) выполненная как отдельный компонент генератора, устанавливается на панели управления ДГ. На ней размещены:
- Тумблер SA1 — «Возбуждение» для включения-отключения возбуждения возбудителя, а следовательно, и генератора (см. рис. 9.9);
- Потенциометра RP1 — «Уставка напряжения» для установления необходимого уровня напряжения генератора в заданном диапазоне (не менее ±5% от номинального;)
- Тумблер SA2 -«Статизм» для включения-отключения устройства параллельной работы (блок);
- Потенциометр RP 2 — «Уставка статизма» для регулирования внешней характеристики генератора (по реактивной мощности) в диапазоне не менее 0-5% при номинальном коэффициенте.
Ниже рассмотрим работу и устройство системы возбуждения по принципиальной электрической схеме (см. рис. 9.7).
Возбуждение генератора обеспечивается синхронным возбудителем GA и вращающимся полупроводниковым преобразователем UZ (см. рис. 9.7). В работающем генераторе в неподвижные обмотки возбуждения возбудителя ток поступает от трансформаторов напряжения TV1 и тока ТА1-ТАЗ, выпрямленный статическими преобразователями VD1-VD6 и VD7-VD10, VS1, VS2.
В обмотке якоря возбудителя при его вращении в электромагнитном поле наводится трехфазный переменный ток, который выпрямляется вращающимся преобразователем и подается в обмотку возбуждения генератора.
Управление током возбуждения генератора осуществляется регулированием тока возбуждения возбудителя по каналу напряжения посредством изменения угла включения тиристоров VS1, VS2статического преобразователя. Информация о величине нагрузки, ее фазовом угле и напряжении на зажимах генератора поступает с трансформаторов тока ТА1-ТА4 и трансформаторов напряжения TV1-TV4.
Питание возбудителя постоянным током идет по двум каналам: напряжения и тока. Каждый из каналов работает на свою обмотку возбуждения возбудителя, в индукторе которого намагничивающие силы обоих каналов суммируются.
Начальное самовозбуждение генератора осуществляется по каналу напряжения от остаточного напряжения на выводах обмотки статора генератора. Необходимый уровень остаточного напряжения обеспечивается магнитным полем возбудителя при его вращении с помощью постоянных магнитов, установленных в полюсных сердечниках индуктора возбудителя.
В исходном состоянии остаточное напряжение генератора по уровню недостаточно для срабатывания реле KV1, обмотка которого подключена к выводам генератора. При этом с помощью нормально замкнутых контактов 41, 42 этого реле параллельно тиристорам VS1 и VS2 подключены шунтирующие их диоды VD9и VD10. В результате схема управляемого статического преобразователя становится полностью диодной, неуправляемой.
Процесс самовозбуждения генератора начинается после перевода тумблера SA1 «Возбуждение» в положение «Вкл.» (замыкается цепь питания статического преобразователя от трансформатора TV1) и нарастает лавинообразно до уровня напряжения генератора.
Система возбуждения и регулирования напряжения (см. рис. 9.10) включает в себя:
- Синхронный возбудитель;
- Преобразователь;
- Силовой трансформатор напряжения TV1;
- мостовой статический преобразователь на диодах VD7-VD10 и тиристорах VS1, VS2 — канал напряжения;
- Силовые трансформаторы тока ТА1 -ТАЗ и трехфазный мостовой выпрямитель на диодах VБ1 — VD6 — канал тока.
Синхронный возбудитель, показанный на рис. 9.10 состоит из якоря 15 и индуктора 25. Якорь возбудителя 15 выполнен из сердечника, набранного из листов электротехнической стали и закрепленного на опоре. Индуктор 25 возбудителя включает в себя сердечник из листов электротехнической стали и две обмотки возбуждения. Для самовозбуждения генератора в сердечнике индуктора установлены постоянные магниты.
Устройство управления и регулирования (см. рис. 9.10) состоит из отдельных функциональных устройств, которые по назначению разделяются на:
- Устройство параллельной работы (А1);
- Источник питания (А2);
- Устройство формирования импульсов (АЗ);
- Регулятор возбуждения генератора (А4);
- Панель управления.
Устройства А1-А4 (соответственно рис. 9.12-9.14) расположены в отдельном металлическом ящике со съемными крышкой и передней панелью.
Устройство параллельной работы (блок А1, см. рис. 9.11) предназначено для обеспечения статизма внешних характеристик по реактивному току при параллельной работе генератора. Оно представляет собой фазочувствительный выпрямитель, выполненный на электронном ключе ДА2.
Сигнал, пропорциональный току статора 1 (ток фазы С) с трансформатора ТА1 через потенциометр РР2 — «Уставка статизма», расположенный вне блока А1, поступает на вход ключа ДА2, а сигнал, совпадающей по фазе с напряжением UVY генератора (линейное напряжение — UAB) подается через усилитель-ограничитель ДА1 на управление ключом ДА2. Выход последнего подключен к активному фильтру, выполненному на микросхеме ДАЗ. Сигнал с выхода фильтра, пропорциональный сдвигу фаз между UVY и IW величине / подается на вход регулятора возбуждения — блок А4.
В схему коррекции входят операционный усилитель ДА4, транзисторы VT1, VT2 и реле КУ1. расположенный в блоке А1 на компаратор ДА4 поступает: сигнал от регулятора на вход 2, пропорциональный напряжению генератора, и опорное напряжение на вход 3, выставляемое потенциометром Р PL. При номинальном напряжении генератора на выходе компаратора ДА4 присутствует положительное напряжение транзисторы VT1 и VT2 открыты и реле KV1 находится под напряжением, контакт реле KV1 находится под напряжением, контакт реле KV1,2 — в разомкнутом состоянии и генератор регулируется по астатической характеристике.
При снижении напряжения до величины 90% от номинальной и менее с временем задержки, определяемым параметрами элементов R13, R14, С4 и уставкой потенциометра РР1, происходит переключение компаратора ДА4. При этом на его выходе появляется отрицательное напряжение. Транзисторы VT1,2 закрываются и реле KV отключается. Контакт реле к 1,2 закорачивает конденсатор СП блока регулятора и генератор регулируется по статической характеристике.
Реле KV 1 включается при повышении напряжения генератора до уровня 95% от номинального. Настройка уровней срабатывания и отпускания осуществляется потенциометром R Р1 и подбором величины резистора R20. Тумблером SA1 проверяется функционирование схемы корректора.
Блок А2 (см. рис. 9.12) представляет собой источник питания для остальных блоков устройства управления возбуждением генератора. Кроме того, он обеспечивает напряжение сихронизации для устройства формирования импульсов управления (блок A3).
Источник питания включает в себя следующие трансформаторы напряжения TV4 и TV3, установленные вне блока, и два мостовых выпрямителя с РС-фильтрами и стабилитронами для формирования стабилизированного двухполярного питания (15 и 20 В).
Блок А3 (см. рис. 9.13) — это устройство формирования импульсов управления тиристорами V1 и V2 статического преобразователя, обеспечивающего срабатывание возбудителя по каналу напряжения. Синхронизация импульсов управления с напряжением на тиристорах V1 и V2 статического преобразователя гарантируется двухполупериодным напряжением, снимаемым с выпрямителя V1, VД2, VД5, VД6 источника питания блок (А2).
Напряжение синхронизации подается через резистор R1 и диоды VД1 и VД2 на вход инвентора, выполненного на транзисторе VT1, который управляет генератором пилообразного напряжения, реализованным на транзисторе VТ2 и элементах R5 и С1.
Далее сигнал пилообразной формы поступает на один из входов компаратора ДА1; на другой его вход приходит (с блока А4) сигнал автоматического регулирования возбуждения. Когда пилообразный сигнал достигнет по амплитуде уровня сигнала регулирования, компаратор ДА1 сработает и сигнал сего выхода через дифференцирующую цепочку С2 — R8 — R9 поступит на вход импульсного усилителя, выполненного на транзисторах V73, VT4. Выходные импульсы через трансформатор TV1 подаются на управляющие электроды тиристоров V1 и V2 статического преобразователя.
Автоматический регулятор возбуждения — блок А4 (см. рис. 9.14) — предназначен для управления устройством формирования импульсов (блок A3) и обеспечивает точность поддержания величины выходного напряжения генератора как в режиме холостого хода, так и при изменение нагрузки.
Сигнал, пропорциональный напряжению генератора, с трансформаторов TV2-TV4, включенных на выводы генератора по схеме «треугольник-треугольник», поступает на трехфазный мостовой выпрямитель, выполненный на диодах VД1-VД6, и через фильтр R5, R6, С1, СЗ и делитель R9, R10 — на вход пропорционального усилителя, реализованного на микросхеме ДА1. Сигнал с выхода этого усилителя подается на инвертирующий вход интегрирующего усилителя, собранного по микросхеме ДА2.
Кроме того, сигнал, пропорциональный напряжению генератора, с делителя R7, R8 поступает на вход дифференцирующего усилителя, выполненного на микросхеме ДАЗ, и, далее, с его выхода подается на вход пропорционального усилителя, реализованного на микросхеме ДА4. Сигналы с выходов усилителей ДА2 и ДА4 суммируются с уставкой холостого хода, снимаемого с делителя R31, R32, с помощью сумматора, выполненного на резисторах R22- R23, R24-R25, R26-R27.
Сигнал с сумматора через повторитель, собранный на микросхеме ДА5, подается на управление устройством формирования импульсов (блок A3) уставки выходного напряжения генератора осуществляются сигналом. Снимаемым с потенциометра RР1, который подается на инвертирующий вход усилителя ДА1. Напряжение на RP1 — «Уставка напряжения» подается со стабилизатора R2, VД7, С2. Точное регулирование выходного напряжения генератора в пределах не менее ±5% от номинального осуществляется выносным потенциометром RP1. Точность поддержания напряжения регулируется с помощью потенциометра RP2, который изменяет коэффициент усиления интегрирующего усилителя ДА2.
При эксплуатации генераторов возможны следующие случаи параллельной работы:
- с генератором данного типа;
- с генераторами других типов, имеющие аналогичные системы возбуждения (регулирования напряжения) по точности регулирования и быстродействию;
- береговой сетью.
Включение устройства параллельной работы осуществляется переводом переключателя 5 А2 — «Статизм» в положение «ВКЛ», а регулирование величины статизма — потенциометром RP2 — «Уставка статизма».
При этом на вход регулятора возбуждения будет подаваться сигнал, пропорциональный геометрической сумме напряжения и тока генератора. Фазовые отношения их при этом таковы, что на вход регулятора А4 подается добавочный сигнал, обусловленный изменением реактивной составляющей тока нагрузки генератора, причем увеличение этого сигнала снижает напряжение генератора, что исключает перегрузку генератора при параллельной работе и обеспечивает равномерное распределение реактивных нагрузок.
Типы синхронных генераторов комплектации судовых ДГ
Состав судовых ДГ фирма CATERPILLAR меняются, в частности разработаны бесколлекторные (безщеточные) генераторы Сат SR4 переменного трехфазного тока частотой 50 или 60 Гц различной мощности, предназначенные для тяжелых условий эксплуатации, которые изготавливает специализированное предприятие фирмы.
На рис. 9.15 представлена конструкция генератора Сат SP4 с самоустанавливающимся VР З небольшой мощности). Выпускаются также электрогенераторы с двумя подшипниками. Стандартный генератор Сат SP4 характеризуется следующими особенностями:
- его роторы с «влажной» рядовой обмоткой подвергаются индивидуальной проверке при 125-150%-ном забросе оборотов;
- по характеристикам и конструкции подгоняются к двигателям производства Caterpillar;
- имеет надежную изоляцию класса Н4;
- обмотка покрывается слоем плеснестойкой смолой;
- все металлические компоненты анодируются или красятся;
- стабилизатор защищен от падения напряжения;
- обладает повышенными переходными возможностями благодаря регулированию соотношения напряжения/частота;
- отличаются непрерывным регулированием соотношения в рабочем диапазоне;
- содержит трехфазный стабилизатор напряжения;
- устойчив к коротким замыканиям;
- допускает параллельную работу;
- его шумоподавление соответствует стандартам;
- утвержден к использованию на судах, отвечает нормам ISO 8528|3 (NEMA);
- выпускаются также крупные и мощностные генераторы с возбуждением от постоянных магнитов;
Управляющее и защитное оборудование SR4 состоит из трансформаторного блока, который размещен внутри генератора на амортизирующем креплении. Предусмотрена защита плавками предохранителями. Напряжение может поддерживаться в пределах ±0,5% в стационарном режиме.
Ниже приводятся дополнительные достоинства генераторов Сат. К ним относятся;
- небольшая вибрация, надежность и долговечность, достигаемые балансировкой ротора;
- конструктивная целостность (благодаря проверке роторов при забросе оборотов на 125%);
- надежность изоляции и ее долговечность, чему способствуют испытания на электрическую прочность при 3000;
- высокое качество компонентов и стабилизатора VР3 в целом.
- выпускаются и более крупные генераторы с возбуждением от постоянных магнитов;
- для обеспечения 100%-ного контакта все соединения обжимаются.
Рассмотрим основные элементы генератора Cat SR4.
Ротор. Сердечники ротора и статоров для малых генераторов выполняются штампами последующего действия. Роторы для крупных генераторов штампуются диском и нарезаются. Штабелирующие машины обеспечивают выравнивание сердечников, правильный сдвиг статоров и необходимое давление перед их автоматической сваркой. Главный ротор подвергается точной «влажной» рядовой обмотке с покрытием эпоксидной смолой каждого слоя. Это гарантирует лучшее соединение между собой всех слоев проволоки и катушек с сердечником ротора, а также герметичную систему изоляции. Эпоксидное покрытие затем затвердевает в печи.
Вращающийся возбудитель обматывается на станке и дважды проходит цикл погружения в плеснестойкую смолу и затвердевания.
Роторные валы с жестким допуском выполняются на токарных и шлифовальных станках с цифровым управлением.
На рис. 9.16 дан поперечный разрез -изометрическое изображение генератора фирмы Stamford AG Generators.
По мнению фирмы, он обладает следующими важными достоинствами:
- автоматическим регулированием напряжения (25-летний опыт производства высоконадежных автоматических регуляторов напряжения);
- шагом обмотки, выбранным для оптимального режима работы;
- системой управления генератора с постоянными магнитами, быстрым реагированием на колебания нагрузки;
- распределительными коробками со съемными панелями, что облегчает установку.
Итальянская фирма Ausonia (Gruppi Elettroqeni Generating Sets) выпус¬кает синхронные генераторы переменного тока для комбинации судовых дизель-электрических агрегатов.
На рис. 9.17-9.18 показаны ДГ с приводными двигателями дизелестроительных фирм Perkins и Isotta Fraschini.
Конструкция и параметры генераторов протестированы на совместимость с приводными дизелями непосредственно с производителями двигателей;
Генераторы отличаются компактным дизайном: могут устанавливаться на ограниченных площадях.
Системы управлениия и автоматизации ДГ и судовых электростанций
Все выпускаемые судовые дизель-электрические агрегаты зарубежных фирм оснащаются системами автоматизации различной степени сложности и объема автоматизированных и автоматически выполняемых операций.
Минимальный объем операций: автоматическое регулирование основных параметров; местное или дистанционное управление; индикация, сигнализация и защита по основным параметрам работы ДГ.
В настоящее время ведущие фирмы мира не ограничиваются указанным минимальным объемом автоматизации, поскольку постоянно растут требования заказчиков — судостроительных верфей и судоходных компаний, направленные на создание энергетической силовой установки (ЭСУ) судна с высоким объемом операций по автоматизации и дистанционному управлению каждого агрегата ЭСУ и их комплексному функционированию задач на судах в зависимости от конкретных задач эксплуатации.
В этом случае предусматривается степень автоматизации, включающая в себя:
- Минимальный объем операций;
- Дистанционной автоматизированное или автоматическое управление в том числе при совместной работе двигателей (ДГ);
- То же, вспомогательными агрегатами и операциями обслуживания агрегата;
- Централизованное управление и или автоматическое техническое диагностирование.
Максимальный объем автоматизации применительно к судовым дизель-электрическим агрегатом предусматривает:
- Автоматическое регулирование частоты вращения;
- То же, температуры в системах охлаждения и смазки;
- Тоже, напряжения генератора;
- Местное, дистанционное автоматизированное и автоматическое управление пуском, остановкой, предпусковыми и постановочными операциями;
- Дистанционное автоматизированное управление частотой вращения
- Автоматический прием нагрузки в ходе синхронизации при параллельной работе ДГ;
- Автоматическое поддержание ДГ в состоянии готовности к быстрому приему нагрузки;
- Автоматизированный или автоматический экстренный пуск и остановка;
- Автоматическое пополнение расходных емкостей топливом, маслом, охлаждающей жидкостью, сжатым воздухом, автоматическую подзарядку аккумуляторных батарей;
- Автоматизированное и автоматическое управление вспомогательными агрегатами и отдельными операциями по обслуживанию ДГ;
- Исполнительную сигнализацию;
- Централизованное управление ДГ с помощью общей системы дистанционного управления и автоматизации ЭСУ судна;
- Централизованный автоматический контроль;
- Автоматизированное и автоматическое техническое диагностирование состояния двигателя и в целом ДГ (или отдельных его элементов).
В настоящее время зарубежные фирмы, выпускающие судовые ДГ решают свои, хотя и достаточно типовые, алгоритмические задачи систем управления и автоматизации, входящих в объем поставок, с необходимым арсеналом датчиков и исполнительных механизмов. При этом обеспечивается пригодность дизелей, входящих в состав судовых ДГ, к установке на них микропроцессорных систем, поставляемых специализированными фирмами: имеются в виду унификация и модульное построение комплексных систем управления (СУ).
Система пневматического запуска дизель-генератора
На рис. 9.20 приведена схема пневматического запуска дизель- генератора с электроприводом насоса предварительной смазки и пневмостартером.
Пневмо-пусковой стартер служит для проворачивания маховика при запуске двигателя. Максимальное давление воздуха на входе в пневмостартер не должно превышать 15,5 бар.
Пневматическая система включает в себя пневматический переключатель работы насоса предварительной смазки с электроприводом в ходе запуска. Когда давление в системе смазки дизеля поднимается, клапан с пневмоуправлением открывается, чтобы обеспечить зацепление шестерни пневмостартерера с маховиком двигателя. Ускорительный клапан открывается и сжатый воздух поступает к пневмостартеру.
Когда переключатель электропомпы предварительной смазки/пнев-мостартера находится в положении «Предварительная смазка двигателя», электростартер 4 запускает насос предварительной смазки прокачки масла. С повышением давления масла в двигателе загорается зеленая лампочка указателя предварительной смазки и переключатель давления масла 3 закрывается, открывая доступ потока воздуха к ускорительному клапану электропневмозапуска 6.
После включения зеленой лампочки указателя переключатель электронасос предварительной смазки/электропневстартер переводится в положение «Запуск двигателя» (система предварительной смазки двигателя будет работать до тех пор, пока электропереключатель будет находиться в указанном положении).
Подаваемый воздух поступает через отсечной клапан и фильтр грубой очистки к клапану управления 5 (ускорительному). Переключатель-электронасос предварительной смазки/пневмозапуск соединяется со входом в клапан управления. Клапан управления 5 отсекает поток воздуха, пока переключатель предварительной смазки/пневмозапуска включен.
Из клапана управления переключатель предварительной смазки/пнев-мозапуска 6 воздух проходит через устройство блокировки механизма проворачивания вручную к поршню, расположенному за ведущей шестерней стартера. Под давлением воздуха поршень сжимает пружину и вводит шестерню в зацепление с зубчатым венцом маховика двигателя. Пока шестерня находится в зацеплении, воздух может поступать по другой линии к клапану управления 5.
Под давлением воздуха этот клапан открывается и обеспечивает подачу воздуха к пневмостартеру. Поток воздуха проходит через лубрикатор (маслораспределитель), где он захватывает дизельное масло, которое смазывает пневмостартер, воздух поступает в пневмостартер через входное отверстие. Сжатый воздух давит на лопатки ротора и затем выходит через выходное отверстие. Это приводит во вращение ротор, соединенный с шестернями и через приводной вал с ведущей шестерней статора проворачивает маховик двигателя.
Когда дизель запускается, маховик начинает вращаться быстрее, чем шестерня стартера. Пневмостартер оборудован обгонной муфтой (бендиксом), и, когда частота двигателя возрастает до 250 мин-1, открывается контактор 2 (см. рис. 9.20).
На рис. 9.21 представлена система пневматического запуска с пневмостартером и помпой предварительной смазки с пневмоприводом.
После этого воздух выходит из-под поршня и шестерня убирается (выходит из зацепления).
Когда переключатель предварительной смазки/пневмозапуска отпускается, поступление воздуха к поршню и давление на поршень, расположенный за ведущей шестерней, прекращаются, пружина поршня выводит шестерню из зацепления. Клапан управления 5 перекрывает доступ воздуха к пневмостартеру.
Соответственно строится система автоматического запуска обмотки в течение времени, необходимого для запуска дизеля. В этом случае соленоид потребляет меньший ток от аккумулятора (системы питания), и нагрев соленоида сохраняется на приемлемом уровне.
Далее рассматриваются технические решения по системам автоматического пуска и останова дизель-генераторных агрегатов фирмы Caterpillar применительно к ДГ с приводным двигателем серии 3400. Автоматическая система пуска и останова (рис. 9.22) применяется, когда по причине аварии в судовой сети или при необходимости подключения к общим шинам резервного ДГ вследствие возрастания общей нагрузки возникает потребность в запуске резервного или аварийного судового ДГ с приемом нагрузки. Система в данном случае состоит из трех основных секций: устройства автоматического включения резерва, щита управления пуском и остановом (составляет часть распределительного устройства) и схемы автоматики дизельного агрегата.
В нормальном положении оно присоединяет нагрузку к судовой трехфазной сети. В случае аварии в этой сети устройство автоматически переключит нагрузку на резервный (аварийный) дизель-электрический агрегат, когда он выйдет на номинальные напряжение и частоту вращения. Задержка переключения в данном случае связана с тем, что соленоид, переключающий с одного источника питания на другой, срабатывает от резервного электроагрегата. После того как в судовой цепи питания восстановятся но минальные значения напряжения и частоты тока после задержки (в случае, если она предусмотрена), устройство включения резерва вновь переключит нагрузку на судовую сеть.
Щит управления автоматической системой пуска и останова показан на рис. 9.22.
Орган управления приводным дизелем ДГ, вынесенный на щит управления автоматической системы пуска и останова, представляет собой четырехпозиционный переключатель автоматического управления (ACS). Положения переключателя 4:
- Off /Reset («Выкл, /исходн.»);
- Auto («Автомат»);
- Man («Ручн.»);
- Stop («Стоп»).
Каждая из сигнальных ламп (1, 2, 3 и 5 по рис. 9.22) загорается только при останове двигателя при нарушении нормального режима его работы. Сигнал характера отклонения от нормального режима работы дизеля, остановленного в связи с данным отклонением, продолжает гореть даже после полного останова двигателя. Для выключения сигнала переключатель 4 необходимо перевести в позицию Off/ Reset. Любой сигнал можно зажечь для проверки, если нажать на выключатель и удерживать его в нажатом положении.
Если ДГ должен выполнять функцию резервного (аварийного) источника питания, переключатель автоматического управления устанавливают в положение Auto. Данная уставка переключателя обеспечивает при прекращении подачи энергии от судовой сети автоматический пуск ДГ и переключение на него нагрузки. После восстановления сети произойдет размыкание автоматического переключателя, отвечающего за подачу на нагрузку энергии от запущенного агрегата, а значит, отключение его от электрической нагрузки. Из-за размыкания автоматического переключателя ДГ будет автоматически остановлен (путем прекращения подачи топлива в цилиндры дизеля).
Переводом переключателя автоматического управления (ACS) в положение Man запускается ДГ. При этом необязательно вручную замыкать автоматический У переключатель, осуществляющий подачу энергии от ДГ. При восстановлении судовой сети до состояния, пригодного для нагрузки, в случае с генератором, действующим в качестве резервного (аварийного) источника питания, и переключателем автоматического управления (ACS), установленным в положение Man, размыкание автоматического переключателя генератора и останов ДГ происходят автоматически аналогично тому, как это имеет место в случае с переключателем (ACS), находящимся в положении Auto.
Нарушение режима работы дизеля приведет к останову ДГ в обоих случаях. Такими нарушениями режима работы, которые могут вызвать останов ДГ, являются:
- чрезмерное снижение давления смазочного масла;
- превышение допустимой температуры охлаждающей двигатель жидкости (пресной воды внутреннего контура);
- разнос двигателя.
Если двигатель остановлен в связи с одним из перечисленных нарушений режима его работы, то сигнал о соответствующем отклонении горит и после остановки.
Микропроцессорный дизель-генераторный контроллер модели МЕС 20 фирмы ТТ1
В последнее время ряд зарубежных производителей двигателей и генераторных установок (Caterpillar, Cummins, Detroit Diesel, Waukesha) применяют в систему автоматизации дизель-электрических агрегатов микропроцессорные дизель-генераторные контроллеры модели МЕС 20 компании Thomson Technolodgy Inc.
Микропроцессорный дизель-генераторный контролер МЕС 20 использует новейшие достижения микропроцессорной технологии, сборки печатных плат и разработки программного обеспечения. Он является контроллером восьмого поколения фирмы и отражает более чем 25-летний опыт компании в разработке данных устройств, включая 10-летний опыт использования микропроцессоров.
Результатом является автоматический дизель-генераторный контроллер совершенной конструкции, обеспечивающий широкий комплекс функций управления, защиты, мониторинга и отображения информации о работе дизель-генераторной установки. Все функции МЕС20 полностью программируемые с лицевой панели и защищены паролями. Экран дисплея на жидких кристаллах выдает запросы на простом языке, обеспечивая для оператора интерфейс и многообразие изображения информации.
Конструкция микропроцессора гарантирует высокую точность измерения силы тока и напряжения, выполнения временных функций, а также многих стандартных функций, являвших дополнительными в более ранних версиях.
МЕС 20 в общем случае имеет:
- Микропроцессорные цепи управления, обеспечивающие надежность и универсальность применения;
- Сертификаты соответствия международным стандартам, стандарту качества 9001;
- Подсвечивающийся алфавитно-цифровой дисплей на жидких кристаллах для считывания данных и программирования;
- Цифровое измерение напряжения, частоты и силы тока;
- До 28 сигналов аварий/аварийных остановов при использовании дискретных сигналов;
- Дополнительный коммуникационный порт для подключения к компьютеру или системе дистанционного управления;
- Дополнительные порты подключения расширительных модулей для получения индивидуальных выходных сигналов;
- Защищенные паролями различные уровни программирования;
- Цепи самодиагностики, постоянно проверяющие работоспособность процессора, памяти и цепей ввода-вывода.
- 15 стандартных цепей неисправностей (отказ запуска, работа вразнос, потеря сигналов от датчиков скорости, двигателя, низкое давление масла, высокая температура охлаждающей жидкости, экстренный останов — аварийные сигналы; выключатель не в положении «АВТО», низкий уровень топлива или охлаждающей жидкости, низкое давление масла, высокая температура двигателя, низкое и высокое напряжение батареи, неисправность на входе зарядного устройства батареи);
- встроенные таймеры (запуск, останов, стартовая последовательность, отказ при запуске двигателя, циклическая прокрутка).
- кнопки управления работа/выкл/авто/проверка ламп, сброс аварии)
- экстренный останов (кнопка на лицевой панели и клемма для подключения дистанционного сигнала);
- выводы на дисплей измерения параметров переменного тока, отсчет тайцмеров, предупредительная и аварийная индикация параметров работы двигателя);
- сигнальные лампы (положения переключателя работа выкл./авто/ проверка);
- светодиоды диагностики;
- звуковой сигнал.
Ниже перечисляются параметры, программируемые пользователем микропроцессорного дизель-генераторного контроллера при помощи кнопок на лицевой панели на жидких кристаллах.
Основные программируемые параметры:
- Адрес в сети;
- Напряжение в сети;
- Частота напряжения (50 или 60 Гц);
- Фазность напряжения (одна или три фазы);
- Коэффициент измерения напряжения;
- Коэффициент измерения силы тока;
- Единица измерения температуры (Г или С);
- Единица измерения давления (Р1 или кПа);
- Задержка запуска двигателя;
- Время прокрутки двигателя (стартером);
- Время отдыха стартера;
- Цикл повторного включения стартера;
- Число попыток пуска;
- Период прокачки масла.
Литература
Вспомогательные механизмы и судовые системы. Э. В. КОРНИЛОВ, П. В. БОЙКО, Э. И. ГОЛОФАСТОВ (2009)