Головка цилиндров - Cylinder head

Головка цилиндров - Cylinder head

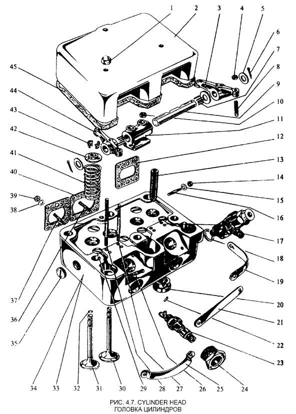
4.7. CYLINDER HEAD 4.7. ГОЛОВКА ЦИЛИНДРОВ
1.Cap nut 1.Гайка колпачковая
2.Cover 2.Колпак
3.Right hand rocker arm 3.Коромысло правое
4.Locknut 4.Гайка
5.Washer 5.Шайба
6.Split pin 6.Шплинт
7.Roller bearing 7.Роликовый подшипник
8.Adjusting screw 8.Винт регулировочный
9.Rocker shaft 9.Вал коромысла
10.Nut 10.Гайка
11.Rocker bracket (rocker arm support table) 11.Кронштейн коромысла
12.Gasket 12.Прокладка
13.Valve guide 13.Направляющая клапана
14.Nut 14.Гайка
15.Washer 15.Шайба
16.Stud 16.Шпилька
17.Nut 17.Гайка
18.Gasket 18.Прокладка
19.Clamping strip 19.Шина
20.Swirl chamber, insert 20.Вставка вихревой камеры
21.Strip 21.Шина
22.Round pin 22.Штифт цилиндрический
23.Glow plug 23.Свеча накаливания
24.Nut 24.Гайка
25.Shaped strip 25.Шина
26.Stud 26.Шпилька
27.Stud 27.Шпилька
28.Stud 28.Шпилька
29.Plug 29.Заглушка
30.Intake valve 30.Клапан всасывающий
31.Exhaust valve 31.Клапан выхлопной
32.Ring 32.Кольцо
33.Cylinder head 33.Головка цилиндра
34.Cylinder head complete with valve guides, plugs and studs 34.Головка цилиндра в сборе с направляющими клапанов, заглушками и шпильками
35.Plug 35.Заглушка
36.Stud 36.Шпилька
37.Stud 37.Шпилька
38.lock washer 38.Шайба пружинная
39.Nut 39.Гайка
40.Gasket 40.Прокладка
41.Valve spring 41.Пружина клапана
42.Valve spring retainer (valve spring shoe) 42.Тарелка клапана
43.Valve lock (cotters; pressure pieces) 43.Замок клапана; сухарики
44.left hand rocker arm 44.Коромысло левое
45.Gasket 45.Прокладка

MirMarine
MirMarine – образовательный морской сайт для моряков.
На нашем сайте вы найдете статьи по судостроению, судоремонту и истории мирового морского флота. Характеристики судовых двигателей, особенности устройства вспомогательных механизмов и систем.