MAN B&W 50-108 ME-C – Система управления двигателем

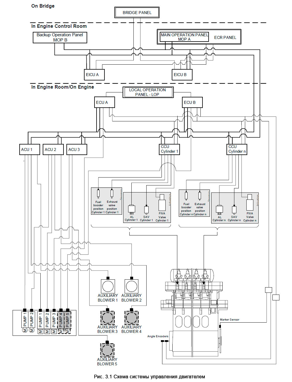
Система управления двигателем (ECS - Engine Control System) содержит группу контроллеров, см. рис.3.1.

Функциональными модулями контроллеров являются:

  • EICU - Модули управления интерфейсом двигателя (Engine Interface Control Units) - управляют интерфейсом внешних систем.
  • ECU - Модули управления двигателем (Engine Control Units), выполняют функции по скорости вращения двигателя, режимам работы и последовательности пуска.
  • ACU - Модули управления вспомогательными агрегатами (Auxiliary Control Units) - управляют насосами гидравлических систем и вспомогательными воздухонагнетателями.
  • CCU - Модули управления цилиндрами (Cylinder Control Units) управляют FIVA (Fuel Injection Valve Activation) клапанами, клапанами пускового воздуха, и лубрикаторами цилиндров.
  • МОР - Интерфейс инженера к системе ECS.

Нормальный алгоритм работы

Ниже рассмотрен пример работы модулей управления системы ECS при нормальном функционировании.

EICU

Модули EICU получают сигналы управления от управляющих станций, и принимают активное состояние, базируясь на сигналы, задаваемые системой дистанционного контроля. Главной командой управления является задание скорости (требуемая скорость и направление вращения двигателя). В этих модулях исходная (raw) уставка скорости обрабатывается рядом защитных алгоритмов, которые обеспечивают, чтобы скоростная уставка, относительно которой двигатель управляется, никогда не была бы чрезмерной для дизеля. Примером такого алгоритма является алгоритм быстрого прохождения зоны критических оборотов «Barred speed range». Обработанные таким образом уставка скорости и запрос выбранного режима работы двигателя поступают через сеть управления в модули ECU для использования в качестве заданной скорости и режима работы двигателя.

Система имеет два редандантных модуля EICU, работающих параллельно.

ECU

Управление скоростью двигателя требует, чтобы количество сжигаемого топлива рассчитывалось для каждого цилиндра. Расчёт, выполняемый контроллером скорости ECU, привязывается к положению коленчатого вала таким образом, что исполнение начинается только в тот момент, когда должен быть выполнен впрыск топлива. Это управляется функцией «Tacho».

BRIDGE PANEL

Выходом контроллера скорости является сигнал о потребном количестве топлива «Request for fuel amount» для последующего впрыска и сжигания. Этот запрос обрабатывается различными защитными алгоритмами - ограничителями топлива, и, в результате, формируется команда «resulting amount of fuel command» о результирующем количестве топлива. Базируясь на алгоритме выбранного режима работы двигателя, определяется профиль впрыска (injection profile), рассчитываются временные параметры для впрыска топлива и выхлопного клапана и устанавливается значение давления масла в системе силовой гидравлики.

Базируясь на заданном пользователем значении содержания серы в топливе, минимальной скорости подачи и т.п., рассчитывается результирующая скорость подачи цилиндровой смазки для каждого в отдельности цилиндра.

Команда о результирующем количестве топлива, выбранный профиль впрыска, временные параметры и результирующая скорость подачи цилиндровой смазки - всё это передается в CCU определенного (in question) цилиндра через сеть управления. Таким же образом отправляется во все ACU уставка по давлению гидравлики.

С целью редандантности система содержит два модуля ECU, работающих параллельно и выполняющих одинаковые задачи, каждый из них является горячим резервом для другого. Если один из них выходит из строя, то другой примет функции на себя без прерывания.

CCU

К моменту времени, соответствующему следующему воспламенению, модуль CCU обеспечивает получение новых действительных данных. После чего устанавливается угол стартового профиля впрыска с использованием Tacho - функции.

По точному стартовому углу начинается впрыск, который контролируется согласно команде о количестве топлива и профиле впрыска. Когда впрыск завершается, устанавливаются углы открытия и закрытия выпускного клапана с использованием Тахо-функции, и сигнал управления выпускным клапаном активируется затем в соответствии с углами кривошипа. Цилиндровая смазка активируется в соответствии с сигналом о скорости подачи, поступающем от ECU.

Все CCU идентичны и в случае неисправности CCU на одном цилиндре, только этот цилиндр должен автоматически отключаться. Работа с отключенными цилиндрами поясняется в статье «Работа двигателя с отключёнными цилиндрами или турбонаддувом».

ACU

Модули ACU управляют давлением в системе питания силовой гидравлики и пуском электрических насосов, используя сигнал «Pressure Set Point», формируемый модулями ECU как опорный сигнал. Кроме того, старт и стоп вспомогательного наддува управляется по давлению продувочного воздуха.

Управление вспомогательным оборудованием на двигателе обычно распределяется среди трёх/четырёх ACU так, что в случае неисправности одного модуля имеется достаточный резерв для продолжения работы двигателя.

МОР

Главная рабочая панель (МОР - Main Operating Panel) является главным информационным интерфейсом для механика, управляющего двигателем. Панель МОР связана с контроллерами системы ECS посредством сети управления - Control Network. Однако работа двигателя не находится в подчинении МОР, поскольку все команды локальных станций управления связаны непосредственно с EICU/ECS. Панель МОР располагается в ЦПУ, и представляет собой персональный компьютер PC с тачскрином и трекболом, с помощью которых механик может вырабатывать команды двигателю, регулировать параметры двигателя, задавать режимы работы, и отслеживать состояние системы управления. Резервное оборудование панели МОР также располагается в ЦПУ (детальное описание МОР см. в статье «Обзор панели МОР»).

Управляющие станции

При нормальной работе двигатель может управляться либо с мостика либо из ЦПУ либо с локальной панели управления LOP (Local Operation Station). Управление с LOP должно подразумеваться как замещение предшествующей консоли Engine Side Control, располагаемой непосредственно на МС-двигателе. Панель LOP стандартно размещается на двигателе, откуда возможны основные функции управления, такие как пуск, управление скоростью двигателя, остановка, реверс, и отображение наиболее важных данных по двигателю.

Пуск главного двигателя с поста местного управления

Для пуска и работы двигателя с панели LOP должны быть выполнены некоторые условия. К панели LOP прилагается паспортная табличка, которая содержит нижеследующие условия, выполняемые перед стартом с панели.

Панель LOP должна быть выбрана как место активного управления. Это обычно делается посредством технических средств request/acknowledge системы дистанционного управления. Однако можно ускорить эту процедуру перехода нажатием кнопки Forced Take Command на LOP.

Пуск главного двигателя с остановленными или работающими электровоздуходувками

  1. Активация старта
  2. Если двигатель не запускается в течение 30 секунд, то надо возвратиться к команде ПУСК и активировать старт вновь.

Если вспомогательные воздуходувки в работе, то активация старта должна, вероятно, привести к автоматическому пуску главного двигателя системой ECS - Engine Control System.

Если вспомогательный наддув остановлен, то первая активация пуска обусловит систему ECS подготовить пуск. Во время подготовки к пуску запускаются вспомогательные нагнетатели и, если необходимо, включается гидравлическая система в части создания высокого давления гидравлики. Если вспомогательные нагнетатели запустились и работают, то вторая активация старта вызовет автоматический запуск главного двигателя.

Необходимо заметить, что после аварийной остановки shut-down давление гидравлики должно перестроиться на уровень приблизительно 140 бар, чтобы работа клапанов впрыска и выпуска была возможной, когда сам по себе будет возможен автоматический пуск главного двигателя. Перестройка давления может длиться 60-120 с.

Литература

Эксплуатация, обслуживание и ремонт двигателей MAN B&W-ME - Пипченко А.Н., Пономаренко В.В., Шевченко В.А. [2014]

MirMarine
MirMarine – образовательный морской сайт для моряков.
На нашем сайте вы найдете статьи по судостроению, судоремонту и истории мирового морского флота. Характеристики судовых двигателей, особенности устройства вспомогательных механизмов и систем.