1. MAN B&W Т/С, системные детали
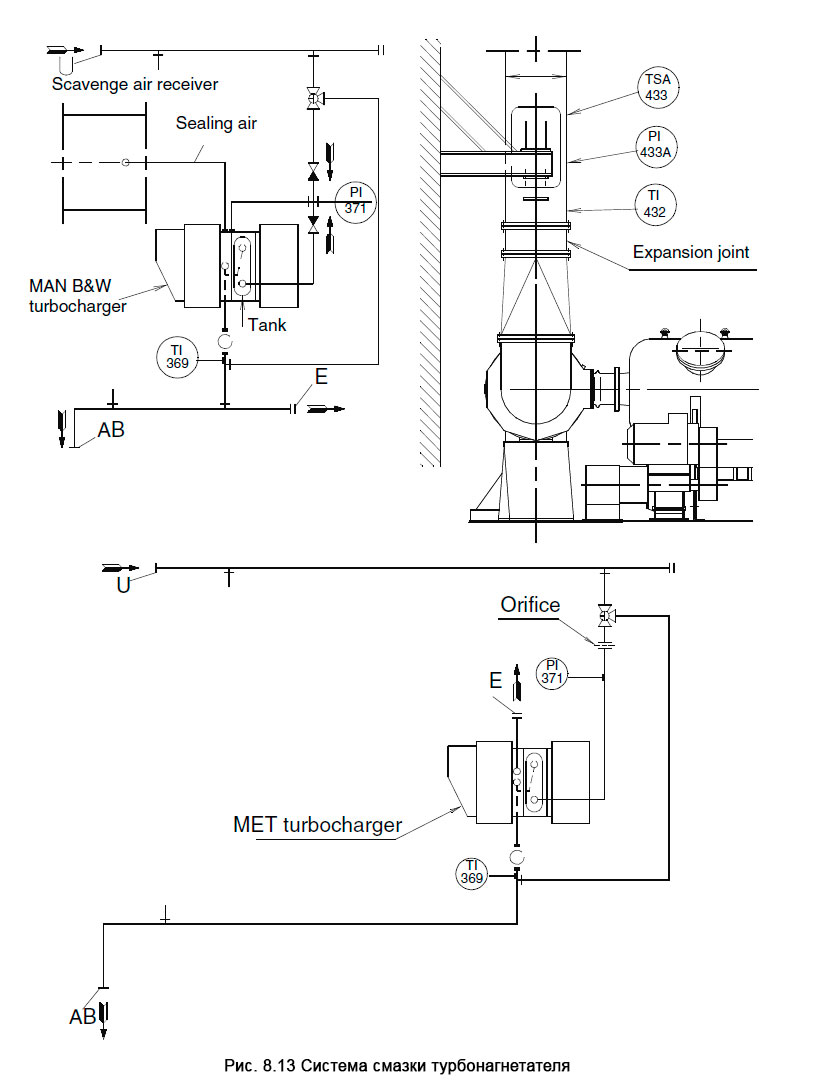
Система, рис. 8.13 запитывается от главной лубрикаторной масляной системы через входной канал U, плата 70820, том I инструкции производителя. Масло возвращается в главный донный танк системы лубрикаторного масла через выходной канал АВ. Нагнетательный трубопровод подсоединён к вентиляционной трубе Е, которая выходит на палубу, см. рис. 8.6. В случае сбоя питания луб. масла от главной лубрикаторной системы, например, по причине обесточивания или дефекта системы, двигатель должен остановиться по сигналу shut-down. Смазка подшипников турбонагнетателя обеспечивается отдельным танком. Танк располагается сверху турбонагнетателя и способен подавать смазочное масло до тех пор, пока не восстановится подача лубрикаторного масла.
2. Mitsubishi МЕТ Т/С, системные детали
МЕТ турбонагнетатели также смазываются через главную лубрикаторную масляную систему.
3. ВВС Т/С, системные детали
Турбонагнетатели ВВС/АВВ проектируются либо с интегрированной лубрикаторной системой, либо подобно системе MAN Burmeister ТС. Детальная информация в инструкции ВВС/АВВ.
Литература
Эксплуатация, обслуживание и ремонт двигателей MAN B&W-ME - Пипченко А.Н., Пономаренко В.В., Шевченко В.А. [2014]
50-108ME/ME-C - VOLUME I OPERATION