MAN B&W 50-108 ME-C: Гидравлическая система для ME двигателей

Статья описывает компоновку системы, основные компоненты и принцип работы гидравлических систем, показанных на плате 70830, том I инструкции производителя. Здесь даётся описание всех позиционных номеров и поясняется их назначение. Может быть полезным также плата 70840, том I инструкции производителя, при появлении неисправностей и утечек в гидравлической системе. (Приведенная информация является общей, поэтому номера позиций могут отличаться для конкретной системы).

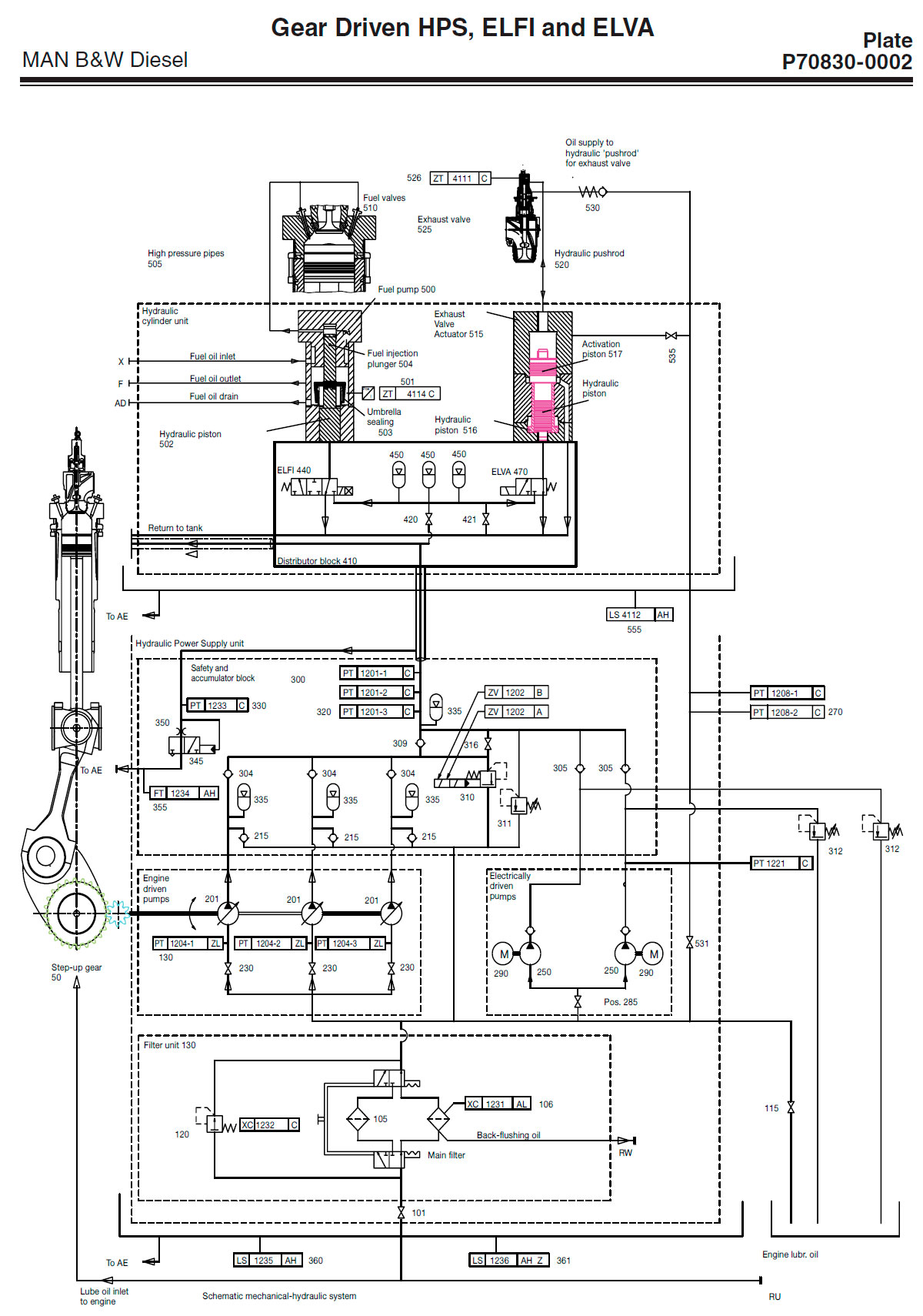
Schematic mechanical-hydraulic system

Schematic mechanical-hydraulic system

Schematic mechanical-hydraulic system

Schematic mechanical-hydraulic system

Schematic mechanical-hydraulic system

Концепция ME двигателя и схема механической гидравлической системы

Механическая гидравлическая система и система пускового воздуха управляются электроникой от системы управления двигателем ME.

Гидравлика впрыска и выхлопа требует, прежде всего, гидравлического силового питания, рассчитанного на выполнение всех необходимых функций. Гидравлическая система, используемая на ME двигателях, представлена соответствующими схемами на рис. Р70830, том I инструкции производителя. С помощью этих схем принцип работы поясняется следующим образом.

В качестве гидравлической среды используется смазочное масло. Масло фильтруется до надлежащей чистоты в блоке фильтра с точки зрения его использования в гидравлической системе. Затем масло нагнетается с помощью насосов главного двигателя, когда ГД работает, либо электроприводными (Start-up) насосами, когда ГД стоит. Для обеспечения стабильной подачи к гидравлическим блокам цилиндров (HCU - Hydraulic cylinder unit) масло аккумулируется. Блоком HCU оборудуется каждый цилиндр. Блок содержит распределитель, работающий на бустер (поджимающий компрессор) -Fuel Oil pressure и на актуатор выхлопного клапана. Управляющие клапана (ELFI, ELVA или FIVA) и все необходимые аккумуляторы располагаются на распределительном блоке. Блок обеспечивает подачу масла высокого давления к обеим системам - впрыска, выхлопа и лубрикатора.

Система топливного впрыска состоит из гидравлически приводимого в действие актуатора усиления давления топлива с соответствующим клапаном управления, трубками высокого давления и форсунками. Система привода выхлопного клапана состоит из актуатора выхлопного клапана с присоединённым соленоидным клапаном управления, гидравлического толкателя (трубка высокого давления) и гидроприводом выпускного клапана.

Форсунки и гидравлически приводимый в действие выхлопной клапан сами по себе такие же, как и на МС двигателе.

Пусковые клапана открываются пневматически под воздействием соленоидных клапанов (ZV1120C, pos. 51) системой ECS (Engine control system), см. схему 70318 «Pneumatic manoeuvring system diagram», том I инструкции производителя.

Для смазки цилиндров используется система ME Lube System с лубрикаторами, расположенными на HCU.

Функциональное описание

БЛОК ПИТАНИЯ СИЛОВОЙ ГИДРАВЛИКИ HPS - HYDRAULIC POWER SUPPLY

Функцией HPS является подача потока гидравлического масла высокого давления в систему впрыска топлива и к приводу выхлопного клапана при работающем двигателе или режиме stand-by. Блок HPS содержит:

Фильтр; Насосы с электроприводом start-up или start-up/back-up; Насосы с приводом от главного двигателя; Блок безопасности и аккумуляции; Трубы высокого давления; Поддон с датчиками утечки.

1. БЛОК ФИЛЬТРА

Главный фильтр (pos.106) блока HPS состоит из мультикартриджа, самоочищающегося типа с автоматической очисткой картриджа противотоком (back-flushing) сжатым воздухом. Это выполняется регулярно или при повышении перепада давления на выходе фильтра до определённого значения.

Редандантный фильтр (pos.105) устанавливается параллельно главному фильтру и используется во время переборки главного фильтра. Переключение на редандантный фильтр и обратно осуществляется вручную без прерывания потока на насосы.

Дроссельный клапан (pos. 115) закрывается при всех нормальных условиях обслуживания. Он используется в ситуациях, когда требуется очистка поступающего лубрикаторного масла. Минимальный размер отверстий фильтра ME составляет 6 микрон (на первых двигателях 10 микрон). У редандантного фильтра отверстия составляют 25 микрон. Обычные, конвенционные фильтры смазочного масла имеют отверстия в 34-48 микрон.

ME фильтр оборудуется дифференциальным индикатором давления, формирующим на выходе сигнал при значительном падении давления.

2. НАСОСЫ С ЭЛЕКТРИЧЕСКИМ ПРИВОДОМ START-UP ИЛИ START-UP/BACK-UP

Возможны две версии питания силовой гидравлики. Одна версия является классической для ME двигателей, когда гидравлическая энергия генерируется приводными насосами главного двигателя, а стартовое давление создаётся электрическими приводными насосами. Производительность start-up насосов является достаточной только для создания пускового давления. Двигатель не сможет работать с отключёнными, приводимыми от двигателя (механическими), насосами.

Вторая версия подобна первой, но насосы с электрическим приводом имеют мощность достаточную, чтобы дать как минимум 15% мощности двигателя (называемой back-up или combined мощностью). Расход электрической энергии должен приниматься во внимание по спецификации мощности вспомогательных механизмов. Целью насосов с электрическим приводом является обеспечение гидравлической системы достаточным давлением, когда главный двигатель не вращается, и навешенные на двигатель насосы не работают. Электрические насосы работают, когда нет потребления гидравлической энергии, поэтому требуется небольшая мощность, и насосы относительно малы по сравнению с механическими насосами. Электрические насосы могут быть с фиксированной или с переменной производительностью. В ситуациях, когда в системе падает давление, например при остановке главного двигателя или после устранения обесточивания, некоторое время должны работать электрические насосы, чтобы создать достаточное давление для пуска двигателя. Продолжительность периода определяется аккумулирующими свойствами системы и потоком, производимым насосом высокого давления с электрическим приводом.

Клапана разгрузки давления, установленные в контуре, ограничивают максимальное значение в контуре и приводят к возврату излишка на стороне всасывания насоса. Работа насосов высокого давления контролируется с помощью датчиков давления (pos. 320).

3. НАСОСЫ С ПРИВОДОМ ОТ ГД

Все механические гидравлические насосы являются одинакового размера и относятся к типу насосов с переменной подачей. Подача регулируется электронной системой ECS через встроенный на насосе клапан управления. Насосы подсоединены постоянно к коленчатому валу через механическую передачу. Их поток определяется заданной подачей и частотой вращения. Насосы спроектированы на оба направления вращения при одном и том же направлении потока. Это необходимое условие для реверсивных двигателей. При реверсе двигателя управление подачей системой ECS должно изменить наклонный диск (swash plate) на направление противоположного потока. Механические насосы являются главными источниками гидравлики, когда двигатель вращается. В случае выхода из строя одного из насосов остальные насосы рассчитаны так, чтобы быть способными обеспечить 100% нагрузку двигателя.

В случае потери электрического питания клапана управления подачей насоса, насос механически установится на максимальную подачу в прямом направлении.

Невозвратные клапана (pos. 215) устанавливаются для того, чтобы позволить неисправному механическому насосу, который качает в неправильном направлении, отбирать масло из всасывающей стороны и подавать его снова назад на всасывающую сторону.

4. БЛОК БЕЗОПАСНОСТИ И АККУМУЛЯЦИИ

Предварительно заряжаемые аккумуляторы блока Safety and Accumulator (на некоторых более новых двигателях аккумуляторы монтируются прямо на механических насосах с приводом от ГД) отчасти заполняются маслом высокого давления, обеспечивая стабильное, без флуктуаций питание узлов гидравлики цилиндра. Блок содержит предохранительные клапана давления, которые защищают систему высокого давления от превышения давления. Предохранительные клапана защищают электроприводные насосы, и контролируют максимальное давление в системе, когда создаётся давление перед пуском. Это производится во время работы на установках, которые требуют дополнительного длительного прогрева выходного газораспределителя (активации выпускного клапана).

Клапан (поз. 310) защищает насосы, приводимые ГД, от слишком высокого давления. Он управляется электрически системой ECS и может открываться в различных ситуациях, чтобы возвращать обратно масло гидравлики на сторону всасывания механических насосов.

Клапан (поз. 311) является главным предохранительным клапаном давления в системе, защищающим систему на входе. Этот клапан имеет наивысшую уставку по давлению среди предохранительных клапанов (поз. 310, 311, 312).

Невозвратные клапана (поз. 304, 305) устанавливаются на выходе гидравлического масла из механико- и электроприводных насосов, чтобы предотвратить обратный поток через какую-либо неактивную помпу.

Датчики давления (поз. 320) используются системой ECS для управления электрически- и механически приводными насосами.

Предохранительные клапана (поз. 310, 311, 312) выполняют функции безопасности, как описывалось выше. Электрически действующие клапана, поз. 310, зарезервированы (на рисунке не показано), что позволяет осуществить редандантное управление, применяемое в ECS.

5. ТРУБОПРОВОД ВЫСОКОГО ДАВЛЕНИЯ

Гидравлические линии между HPS и HCU (Hydraulic Cylinder Units) изготовлены из двустенных труб (труба в трубе) или шлангов (гидравлических рукавов высокого давления) на некоторых новейших двигателях. Двустенные трубы также используют в качестве труб высокого давления между отдельными блоками HCU. Внутренние и внешние каналы двустенных труб подключаются отдельными линиями к блокам распределения (на схеме не показано).

Пространство между внутренними и внешними стенками подключено к линии протечек, в которой устанавливаются клапана ограничения и управления давлением. В случае небольшой утечки из внутренней трубы датчик потока (индикатор утечки), поз. 355, сформирует Аларм. В случае серьёзной утечки возникает потеря давления, которая приведёт к росту давления в трубопроводе утечки и внешней трубе. Это увеличение давления приведет к закрытию клапана управляемого давлением (поз. 345) и система будет подключена теперь к внешней полости трубы. Датчик давления, поз. 330, сформирует Аларм, свидетельствующий о том, что теперь работает только внешняя полость трубы. При этом возможна без ограничений эксплуатация такой трубы вплоть до ремонта.

Двойные трубы применяют с целью безопасности персонала и, кроме того, такая неисправность как утечка внутренней трубы не скажется на работе двигателя.

HPS и его внутренний трубопровод экранированы с помощью контейнера, установленного вокруг HPS. Это экранирование служит для сбора утечек в поддон. На рисунке 8.14 показана двустенная труба для больших (80-98) ME двигателей.

Двустенная труба - Double Wall pipe

Из-за наличия относительного перемещения между трубой и фланцами (большие двигатели 80-98) должны смазываться уплотнительные кольца, см. рис. 8.14, а. Такая смазка осуществляется путём поступления небольшого количества гидравлического масла с внешней стороны между трубами. Количество масла, которое отводится на внешнюю трубку, отмеряется (matched) и поступает определённой нормой через отверстие Pos. 347 таким образом, чтобы давление масла между трубками поддерживалось в области 0-10 bar. Отверстие(я) обычно размещаются на краю фланцев с передней и задней стороны блока HCU (в зависимости от количества цилиндров двигателя), см. рис. 8.14, б.

Двустенная труба

Если давление вырастет выше 10 bar, то могут появиться утечки в двустенных трубах. Как описывалось выше, закроется клапан отсечки трубопровода Pos. 345 и продолжится нормальная работа. Отсечной клапан обычно устанавливается на аккумуляторном блоке см. рис. 8.14, в.

6. ПОДДОН С ДАТЧИКАМИ УТЕЧКИ

Поддон располагается только снизу блока HPS для сбора протечек масла и отвода его в дренаж. В поддоне устанавливаются контрольные выключатели для двух уровней, поз. 360 и 361.

Примечание: пояснения ко всем номерам позиций см. ниже.

Небольшая, ещё несущественная утечка из HPS, будет накапливаться в поддоне и окажет действие на датчик нижнего уровня, поз. 360. В этом случае сформируется Аларм. Сильная утечка определяется датчиком верхнего уровня, поз. 361, что явится причиной формирования системой ECS сигнала на остановку двигателя.

Блок гидравлики цилиндра HCU (Hydraulic Cylinder Unit)

Блок HCU (один на цилиндр) содержит распределительный блок, систему электронного управления впрыском топлива и систему электронного управления выхлопным клапаном. Блок распределения служит в качестве механического средства для гидравлически активируемого усилителя (бустера) давления топлива, поз. 500, и актуатора выхлопного клапана, поз. 515, каждый из которых электронно управляется клапаном управления ELFI/ELVA или FIVA соответственно.

Распределительный блок

Функцией распределительного блока, как следует из его названия, является распределение масла гидравлики по клапанам управления ELFI/ELVA или FIVA, расположенным на распределительном блоке. На распределительном блоке находятся заправленные азотом гидравлические аккумуляторы, поз. 450. Их функцией является обеспечение нужного пика потока гидравлического масла для впрыска топлива и действия выхлопного клапана. Рядом с клапанами ELFI/ELVA или FIVA находятся клапана ручного управления. Один клапан подключает вход высокого давления, поз. 420, а другой, поз. 421, подключает аккумуляторы к раме (дренажу). Эти, ручного управления, клапана используются для разделения HCU при капитальном ремонте.

ПРЕДУПРЕЖДЕНИЕ. Чтобы защитить аккумуляторы от нежелательных стрессов (сильного воздействия на мембрану) и масляных струй (Oil jets) клапан, поз. 420, не должен быть открытым при повышении давления в масляной системе. После проверки/переборки или других ситуаций, при которых клапан поз. 420 закрыт, процедурами и условиями открытия являются:

  1. Двигатель должен быть остановлен (отсутствует давление масла)
  2. Открыть/закрыть все клапана согласно положению нормального режима работы
  3. Создать давление в системе, запустив Start-up насосы.

Клапан, управляемый вручную, поз. 531, подключает масляный толкатель к своему питанию. Клапан должен быть закрыт при переборке выхлопного клапана.

Электронно управляемый впрыск топлива

Система электронно управляемого впрыска топлива содержит гидроприводной усилитель давления топлива (fuel oil pressure booster), его управляющий клапан ELFI или FIVA и топливные клапана. Клапан ELFI или FIVA, управляемый системой ECS, способен быстро и точно управлять масляным потоком к усилителю (бустеру) давления топлива. Этот поток масла толкает гидравлический поршень, поз. 502, и плунжер топливного впрыска, поз. 504, генерируя давление впрыска и, следовательно, впрыск.

По окончании впрыска плунжер и поршень возвращаются в свои стартовые положения за счёт подсоединения поршня к дренажу и продвижения плунжера назад за счёт давления в топливоподаче. После этого бустер давления топлива пополняется и готов для следующего впрыска.

Принцип построения трубок высокого давления и топливных клапанов аналогичен МС двигателям. Топливная система пригодна для продолжительной циркуляции прогреваемого тяжёлого топлива через бустеры давления топлива и топливные клапана, чтобы поддерживать систему прогретой во время остановки двигателя.

Функциональное описание дроссельного клапана бустера давления топлива

Как видно из схемы plate 70841, том I инструкции производителя, дроссельный клапан располагается на днище корпуса бустера давления топлива (Fuel Oil Pressure Booster Housing). Через сверление из днища корпуса низ масляного пространства поршня бустера давления топлива продувается посредством дроссельного клапана. Небольшое сверление в поршне дроссельного клапана обеспечивает вентиляцию масляного пространства остановленного двигателя (нет давления масла и низкое давление масла), благодаря чему двигатель находится в готовности к пуску без необходимости вентиляции системы.

Если бустер топливного давления приводится в действие (клапаном FIVA), то давление масла в донном пространстве бустера существенно увеличится для подъёма поршня. В этот момент масло высокого давления преодолеет сопротивление пружины в дроссельном клапане, и поршень в дроссельном клапане будет закрыт. По такому же пути определённое количество масла уйдет из донного пространства, и главный поршень будет удерживаться очень низко.

Система электронного управления выхлопным клапаном

Конструкция выхлопного клапана с гидроприводом такая же, как и на МС двигателях, т е. выпускной клапан открывается гидравлически и закрывается с помощью «воздушной пружины».

Система актуатора, устанавливаемая на каждом HCU содержит ELVA или FIVA и двухступенчатый активатор гидравлического выхлопного клапана. Электроника ELVA или FIVA (управляемая системой ECS) открывает клапан для потока масла к двухступенчатому гидравлическому актуатору. На первой ступени поршень активации, поз. 517, приводится давлением гидравлики, действуя как на поршень активации, так и на поршень гидравлики, поз. 516. На первой стадии выполняется начальное открытие клапана по давлению в цилиндре. На второй стадии движение поршня гидравлики останавливается, и поршень активации выполняет вторую стадию основного хода выхлопного клапана.

Выпускной клапан закрывается путём подсоединения поршня активации к дренажу через ELVA или FIVA клапан, давая возможность воздушной пружине выхлопного клапана ставить его в закрытое положение. При этом действии масло рычага толкателя возвращается в выпускной актуатор, подготавливая его для следующего действия.

Конструкция HCU обеспечивает, чтобы неисправный HCU мог отсоединяться от системы высокого давления с помощью клапанов ручного управления, давая возможность проводить ремонтные работы во время работы двигателя на остальных цилиндрах.

В случае, когда теряется сигнал управления на клапане ELFI или FIVA (в системе под давлением или без), управляющая пружина будет устанавливать клапан так, чтобы масло поршня гидравлики нижней области связывалось с танком. Это является безопасной позицией, когда главный золотник в FIVA движется от положения Cfi к Т, Cva к Р.

В отношении безопасности судового персонала и двигателя топливные трубы высокого давления как и на МС двигателях имеют стальную обшивку.

Компоненты

Поз. 101. Дроссельная заслонка. Нормально открыта. Используется для перекрытия фильтра при переборке на стояночном режиме.

Поз. 103. Двухступенчатый трёхходовой вентиль. Располагается между фильтром автоматической очистки противотоком (Automatic back flushing filter) и фильтром Stand-by. Используется, когда элементы фильтра автоматической очистки очищаются вручную при нормальной работе двигателя.

Поз. 104. Клапан Mini-mess устанавливается рядом с входом блока фильтра (для размещения портативного прибора измерения давления).

Поз. 105. Единичный фильтр с калибровочными отверстиями 25 микрон.

Поз. 106. Фильтр с автоматической обратной очисткой. Boll filter. Основной целью этого фильтра является поддерживать чистоту масла гидравлики путём удаления мелких частей, способных повреждать подвижные компоненты гидравлики. Фильтр на 6 микрон, а первые двигатели имеют фильтры на 10 микрон.

Поз. 107. Клапан Mini-mess устанавливается на выходе блока фильтра для подключения портативного измерителя давления.

Поз. 108. Клапан Mini-mess устанавливается на входе системы для подключения портативного измерителя давления.

Поз. 109. Используется только на двигателях L42MC/ME. Дроссельный клапан. Нормально открыт. Используется для перекрытия байпасного клапана во время переборки.

Поз. 110. Резиновый компенсатор (опция).

Поз. 115. Дроссельный клапан. Нормально закрыт. Используется во время промывки при вводе в эксплуатацию. Используется после главной переборки и при необходимости.

Поз. 120. Используется только на L42MC/ME двигателях. Байпасный клапан. Обычно закрыт. Этот клапан имеет две главные функции:

1. Главной целью этого клапана является обеспечить сохранность питания маслом насосов высокого давления. Если автоматическая промывка фильтра противопотоком становится затруднительной, давление масла на стороне выхода фильтра и байпасного клапана будет падать. Пониженное давление масла на выходе передаётся через трубное соединение на мембрану клапана, клапан будет открываться и проводить масло за блоком фильтра к насосам высокого давления (байпасный клапан срабатывает на открытие, когда давление масла снизится до 0,8 bar).

Одновременно с этим, микровыключатель, работающий от пружины байпасного клапана, выдаст Аларм на МОР панель. В связи с этим механик должен открыть ручной фильтр, клапан 103, и таким образом сохранить фильтрацию масла, поступающего на насосы.

2. Если по некоторым причинам нагрузка двигателя резко возрастает, например, при быстром ускорении команды на мостике от маневренной рукоятки, то неожиданно резко возрастает расход масла. Это может обусловить снижение давления на стороне выхода фильтра и байпасный клапан будет открыт при 0,8 bar.

Поз. 121. Используется только на двигателях L42MC/ME. Микровыключатель, функция описана в поз. 120.

Поз. 130. Измерительный преобразователь давления масла на стороне всасывания главных питательных насосов. Выход преобразователя поступает на систему ECS двигателя. Давление всасывания непрерывно выводится на HPS экране МОР. Если давление всасывания слишком низкое, то формируется Аларм.

Поз. 131. Проходное отверстие (orifice) диаметром 0,5мм для вышеназванного преобразователя, устанавливается для защиты преобразователя от пульсаций и обеспечивает устойчивую подачу масла через преобразователь.

Поз. 155. Клапан mini-mess устанавливается в линии низкого давления для подключения портативных измерителей давления.

Поз. 201. Аксиальные поршневые насосы высокого давления типа Rextroth A4VSO. Приводятся либо через механическую передачу, либо через электромоторы.

Поз. 202. Клапан mini-mess устанавливается на вход низкого давления перед насосом для подключения измерителя давления.

Поз. 203. Клапан mini-mess на выходе насоса высокого давления для измерителя.

Поз. 204. Клапан отключения линии (line break valve). Нормально открыт. Клапан защищает систему в случае неисправности pilotline - гидравлической линии управления.

Поз. 205. Муфта безопасности (el-motor, gear-Rexroth pump).

Поз. 206. El-motor (приводящий насос Rextroth).

Поз. 210. Электрически управляемый пропорциональный клапан, расположенный на насосе высокого давления. Пропорциональный клапан управляет количеством масла, производимого насосом. Это делается путём изменения угла разворота наклонной шайбы (кулака). Увеличение угла даёт большую, а уменьшение меньшую производительность масла.

Поз. 210-2. Клапан ON/OF только для насоса 4 и 5. Имеет место только для двигателей с 3-мя и более насосами.

Поз. 215. Контрольный клапан-картридж. Невозвратный клапан, в действии, когда насос всасывает со стороны давления (не используется на двигателях, оборудованных только электроприводными насосами).

Поз. 220. Позиционный измерительный преобразователь, расположенный на насосе. Преобразователь посылает токовые электрические сигналы, соответствующие углу разворота наклонной шайбы насоса, сообщая, таким образом, системе ECS точное количество масла, производимого насосом.

Поз. 226. Используется на ограниченном количестве ME двигателей. Преобразователи давления на пусковых насосных установках.

Поз. 227. Проходное отверстие для измерительных преобразователей поз. 226.

Поз. 230. Дроссельный клапан на стороне всасывания насоса высокого давления. Нормально открыт.

Поз. 235 и поз. 236 Контрольный клапан.

Поз. 240 и поз. 241 Проходное отверстие.

Поз. 276. Клапан mini-mess, устанавливаемый на стороне давления пускового насоса.

Поз. 277. Насос Start-up.

Поз. 277а. Дроссельная заслонка. Нормально открыта. Этот клапан применяется в случаях, когда может случиться неисправность на насосах, приводимых ГД или на редукторе, связанном с ГД. Путём закрытия этого клапана функция управления давлением перейдёт от клапана разгрузки давления 277в (отрегулированного на 175 бар) к клапану разгрузки давления 277с, отрегулированного на 220 бар. Электроприводные насосы ограничены механически на всех двигателях, их производительность составляет 50% от максимальной. В случае неисправности, описанной выше, механическое ограничение хода должно быть исключено. Таким способом количество масла, поставляемого электроприводными насосами Start-up/Back-up, обеспечит работу двигателя примерно на 15% нагрузки (back-up power).

При неисправностях фирма MAN рекомендует связаться с ней для получения консультации.

Поз. 277в и 277с. Клапана разгрузки давления.

Поз. 278. Электрический мотор.

Поз. 279, 280, 280а муфты и соединения.

Поз. 285. Входной клапан на насосной установке start-up. Нормально открыт.

Поз. 304. Невозвратный клапан. Невозвратный клапан устанавливается на стороне высокого давления насоса для разделения насоса от давления системы. Во время нормальной работы силы в масляной системе (высокое давление, большие массы, большие усилия в аккумуляторе) Р2 чрезвычайно высокие. Если электрический мотор, вращающий один из насосов, неожиданно остановится, то силы от других насосов вместе с силами, перечисленными выше, будут пытаться продавить останавливающийся насос в обратном направлении, что может привести к сильному удару и возможно к повреждению насоса. Это предотвращается путём немедленного закрытия невозвратного клапана после падения давления на стоящем насосе.

Поз. 305. Невозвратный клапан. Невозвратный клапан, размещаемый на входе аккумуляторного блока, устанавливается на стороне давления start-up насоса, чтобы защитить насос от высокого давления, когда двигатель начинает работать на механические насосы.

Поз. 309. Контрольный клапан-картридж. Невозвратный клапан.

Поз. 310. Клапан разгрузки давления (открывающее давление 230 бар).

Поз. 310а. Приспособление управляющего клапана, размещаемое на поз. 310 клапана разгрузки давления.

Поз. 310в. Проходное отверстие (10, 12, 15, 18, 22, 28 мм) для цилиндров (50, 60, 70, 80, 90, 98 см) соответственно.

Поз. 311. Клапан разгрузки давления. Нормально закрыт. Клапан разгрузки давления механически выставляется на давление 250 бар. Если расход масла снижается, то давление будет расти и по достижении 250 бар клапан разгрузки откроется и направит масло обратно в главный танк.

Поз. 315. Шаровой клапан. Обычно закрыт. Используется для дренажа во время ремонта системы.

Поз. 316. Шаровой клапан. Нормально открыт. Этот клапан используется, когда проверяется на протечку двустенная труба. Обычно во время комиссионинга, а также после основного ремонта системной магистрали. В случае протекания внутренней трубы во внешнюю, и, если это не может быть немедленно устранено, шаровой клапан поз. 316 открывается, и обеспечивается нормальная работа через внешнюю трубу.

Поз. 320. Измерительные преобразователи давления. Система снабжается тремя измерителями по причине редандантности. Во время нормальной работы все три измерителя посылают аналоговый сигнал в систему ECS. Усреднённое значение выводится на МОР.

Поз. 321. Проходное отверстие 0,5 мм для вышеприведенного поз. 320 преобразователя устанавливается для его защиты от пульсаций и обеспечения подачи стабильного количества масла на преобразователь.

Поз. 330. Измерительный преобразователь давления. Преобразователь используется для контроля давления в двустенной трубе для случаев, когда двигатель работает с давлением во внешней трубе по причине протечки внутренней трубы. Значение давления выводится на МОР.

Поз. 331. Проходное отверстие 0,5 мм для преобразователя поз. 330 для борьбы с пульсациями и обеспечения устойчивого потока, активизируется только при появлении давления во внешней трубе.

Поз. 332. Клапан mini-mess. Устанавливается во внешней стенке трубы для подключения портативного измерителя давления.

Поз. 333. Шаровой клапан, нормально закрыт. Используется, когда тестируется двустенная труба на протечку. Обычно при сдаче в эксплуатацию или после капитального ремонта системы трубопровода. В случае утечки из внутренней во внешнюю трубу и невозможности немедленного устранения, шаровой клапан поз. 333 открывается, и обеспечивается нормальная работа по внешней трубе.

Поз. 335. Аккумуляторы. Располагаются на блоке Аккумулятора и безопасности (Safety and Accumulator block) или непосредственно на насосах, приводимых двигателем. Служат для предотвращения пульсаций в гидравлической системе и удержания устойчивого давления на всём диапазоне нагрузок двигателя. Производитель HYDRO LEDUC.

Поз. 339, 340. Клапана mini-mess, смонтированные на главной трубе высокого давления Р1 для измерения давления в системе портативными измерителями.

Поз. 345, 346. Клапан перекрытия утечки. Нормально открыт. В случае утечки во внутренней главной трубе и, когда количество теряемого масла является настолько высоким, что не может быть обеспечена нормальная работа, то этот клапан должен быть закрыт. Работа двигателя будет допустима без ограничения.

Поз. 347. (Только на больших 80-90 ME двигателях). Проходное отверстие диаметром 0,6 мм. Подключение смазки Р2 к уплотнению двойной трубы.

Поз. 355. Индикатор утечки. В случае протечки внутренней трубы и, когда количество протечки является высоким так, что малый резервуар становится полным, и сформируется Аларм. Это не скажется на работе двигателя, но механик будет об этом осведомлён, и обеспокоен в отношении протечки.

Поз. 360. Индикатор протечки. Блок HSU (Hydraulic Supply Unit) закрывается защитным корпусом от сильных масляных струй в случае протечки. В случае небольшой протечки масла, происходящей внутри корпуса, имеется поддон для капель (капельный поддон оборудован перепускной трубкой определённого диаметра и высоты так, чтобы выравнивать допустимую утечку масла без помехи с точки зрения безопасности подачи масла в гидравлическую систему).

Поз. 361. Индикатор утечки. Если утечка, описанная в поз. 360, увеличится, то поддон будет полным и сформируется сигнал на остановку двигателя.

Поз. 405. Дренажный клапан. Нормально закрыт. Слив масла в танке при ремонте блока HCU. В других случаях обратное масло из блока HCU (во время нормальной работы) возвращается в главный танк через трубу переполнения. Этот слив предохраняет HCU блок и все прилагаемые к нему компоненты от «затопления».

Поз. 406. Дренажный клапан.

Поз. 420. Впускной клапан. Нормально открыт. Главный клапан питания маслом высокого давления к клапанам ELFI, ELVA или FIVA.

Предупреждение. Для защиты аккумуляторов от нежелательных стрессов (быстрого ускорения мембраны) и масляных струй клапан поз. 420 не должен быть открыт при избыточном давлении в масляной системе. После проверки/переборки или в других ситуациях, когда клапан поз. 420 закрыт, процедура открытия включает следующие операции:

1) Двигатель должен быть остановлен. 2) Открыть/закрыть все клапана, согласно их нормальному для работы двигателя положению. 3) Запустить насосы и создать давление в системе.

Поз. 421. Дренажный клапан. Нормально закрыт. Слив осуществляют при обслуживании ELFI/ELVA, усилителя давления топлива, актуатора выхлопного клапана, аккумуляторов.

Поз. 425. Клапан mini-mess, установленный на блоке HCU для измерения давления в системе путём подключения портативного измерителя давления.

Поз. 430. Клапан проверки двустенной трубы (Pipe Detection valve). Нормально открыт.

Поз. 431. Дренажный клапан двустенной трубы (Pipe Drain valve). Нормально закрыт.

Поз. 435. Клапан mini-mess, установленный на блоке HCU для измерения портативным прибором давления масла в случае возможной утечки.

Поз. 440. Клапан ELFI или FIVA. Электронный клапан топливного впрыска или исполнительный клапан Fuel Injection Valve, который обладает быстрым и точным управлением потока гидравлического масла к топливным насосам. Поток масла действует на гидравлический поршень и плунжер впрыска топлива, генерируя давление впрыска топлива и, как следствие, впрыск. Производитель: Curtis-Wright, Parker Hannifin, MAN Disel.

Поз. 445. Электрический моторный привод клапана ELFI (пропорционального типа). Производитель Curtis Wright.

Поз. 450. Аккумуляторы. Располагаются на блоке HCU, и служат для избегания пульсаций в гидравлической системе и поддержания стабильного давления масла на всех диапазонах нагрузки. Производитель: HYDRO LEDUC.

Поз. 455. Клапан mini-mess, располагается на блоке HCU для измерения давления на входе в ELFI клапан путем подключения портативного измерителя.

Поз. 456. Клапан mini-mess, располагается на блоке HCU для измерения давления на входе в ELVA клапан путем подключения портативного измерителя.

Поз. 465. Клапан mini-mess, располагается на блоке HCU для измерения давления на выходе из блока путем подключения портативного измерителя.

Поз. 470. Клапан ELVA. Электронный клапан активации выхлопного клапана открывает поток масла к двухступенчатому гидравлическому актуатору, который приводит в движение гидравлический толкатель для открытия выпускного клапана. Производитель Curtis-Wright.

Поз. 475. Клапан быстрого реагирования (High Response Valve). Этот клапан является электрическим ON/OF клапаном, действующим на клапан ELVA. Производитель Curtis-Wright.

Поз. 480. Продувочное отверстие.

Поз. 500. Бустер давления топлива.

Поз. 501. Индуктивный датчик. Позиционный измерительный преобразователь, измеряющий перемещение топливного плунжера в бустере давления топлива. Если перемещение медленнее или быстрее установленного в ECS значения, то формируется Аларм. Датчик не оказывает влияния на время открытия/закрытия клапана ELFI.

Поз. 502 - Поз. 525: 502. Гидравлический поршень; 503. Зонтик; 504 топливный плунжер; 505. трубки топливного впрыска; 510. Клапана топливного впрыска; 515. Актуатор выпускного клапана; 516. Гидравлический поршень; 517. Поршень активации; 520. Трубка высокого давления к толкателю; 525. Верх выхлопного клапана.

Поз. 526. Измерительный преобразователь. Индуктивный датчик, измеряющий перемещение шпинделя выхлопного клапана. Если перемещение является медленнее или быстрее установленного в ECS значения, то формируется Аларм. Датчик не оказывает влияния на время открытия/закрытия клапана ELVA.

Поз. 527. Контрольный клапан. Невозвратный клапан топ-выхода выпускного клапана.

Поз. 528. Отверстие на топ-входе выпускного клапана.

Поз. 530. Невозвратный клапан. Масло из системы низкого давления всегда поступает к трубе высокого давления, поэтому клапан держит трубу высокого давления всегда заполненной и предотвращает флуктуации в масляной системе (см. также поз. 541).

Поз. 531. Питающий клапан. Нормально открыт. См. поз. 530 выше. Этот клапан должен быть закрыт во время переборки актуатора выхлопного клапана и трубопровода высокого давления. Он также должен быть закрыт при замене клапана FIVA.

Поз. 540. Клапан mini-mess, расположенный на актуаторе выхлопного клапана, служит для измерения давления масла в трубе высокого давления портативным измерителем.

Поз. 541. (только некоторые ME). Калиброванное отверстие диаметром 0,1 мм. Выхлопной актуатор оборудуется тремя дренажами. Нижняя дренажная труба опорожняет пространство между гидравлическим поршнем (516) и поршнем активации (517). Поскольку зазоры между поршнем и втулкой в актуаторе выхлопного клапана очень узкие, то всегда очень малое количество масла будет утекать через этот дренаж.

Верхний дренаж опорожняет трубу высокого давления во время переборки. Поскольку количество масла в трубе высокого давления довольно высокое и расход масла может быть высоким, когда труба расслабляется и отдаётся быстро (не имеется в виду промывка после переборки), то этот дренаж сливает масло из трубы высокого давления в главный танк. Когда болты на верхнем фланце трубы высокого давления ослабляются, и при лёгком толчке трубы начнёт потравливать воздух, масло в несколько минут будет слито в танк. Средний дренаж рассчитывается на отверстие поз. 541. Это отверстие обеспечивает устойчивую смену масла в верхней части актуатора. Движение и демпфирование масла в актуаторе генерирует высокие энергии в верхней полости актуатора, и эта энергия приводит к росту температуры (это может быть опасным и стрессовым фактором), что может устраняться сменой небольшого количества масла в верхней части актуатора.

Поз. 545. Клапан mini-mess устанавливаемый на днище актуатора выпускного клапана для измерения портативным прибором давления масла, активирующего поршень активации актуатора.

Поз. 550. Клапан mini-mess, установленный на днище бустера давления топлива для измерения портативным прибором давления масла, активирующего поршень гидравлики усилителя давления топлива.

Поз. 555. Индикатор протечки. Размещается внизу поддона на всех блоках HCU. При существенных протечках формируется Аларм.

Поз. 560. Соединительный клапан. Нормально открыт. Должен быть закрыт, когда производится работа на цилиндровых лубрикаторах.

Отверстия 701 и 702 и непронумерованные позиции блока HCU. Отверстие 701 является дренажным/смотровым отверстием, соединённым через сверления с нижней стороной бустера давления топлива. Если внутренний кольцевой уплотнитель будет протекать, то это можно будет определить через дренаж 701.

Непронумерованное отверстие является дренажным/смотровым отверстием из дренажа, окружающего бустер давления топлива (случайные протечки масла собираются здесь и удаляются дренажно во избежание загрязнения).

Отверстие 702 является дренажным/смотровым отверстием, соединённым через сверления с внутренней стороной актуатора выпускного клапана. Если уплотнительное кольцо под актуатором протекает, то системное масло проявится в дренаже 702.

Лубрикатор цилиндра ME (без поз. Номера).

Функциональное описание выключателя уровня Level Switch, размещено на блоке HCU у входной трубы к лубрикатору цилиндра для двигателей ME (включая трёхходовой кран, расположенный на входной трубе к уровневому выключателю).

Выключатель уровня лубрикатора цилиндра

Как показано на рисунке 8.15 уровневый выключатель размещается на впускной трубе цилиндрового лубрикаторного масла к цилиндровому лубрикатору. Функцией уровневого выключателя является поддержание лубрикатора заполненным и сохранение потока масла к лубрикатору в течение всего времени. Если чувствительный элемент в уровневом выключателе сработает (низкий уровень масла в ёмкости корпуса), то сформируется Аларм, и произойдёт снижение оборотов двигателя.

Силу гравитации (самотёка) и прогрев труб входного лубрикаторного масла из гравитационного танка к лубрикаторам поддерживает уровневый выключатель так, чтобы лубрикатор был заполненным. Температура лубрикаторного масла в танке поддерживается 45 °С, а входная главная труба изолирована и тепло отслеживается так, чтобы такая же температура была на входе лубрикатора блока HCU.

Трёхходовой кран на входной трубе перед уровневым выключателем закрывается при переборке лубрикатора или уровневого выключателя. Перед ремонтом, когда закрывают трёхходовой кран, уровневый выключатель вентилируется открытым воздухом, чтобы убедиться в отсутствии давления и наличия масла (при этом проверяется формирование Аларма по низкому давлению масла).

Если трёхходовой клапан ошибочно закрывается во время работы двигателя, то будет обеспечено сообщение с открытым воздухом (обусловлено нормальным расходом) и Аларм относительно цилиндровой смазки не сформируется.

Литература

Эксплуатация, обслуживание и ремонт двигателей MAN B&W-ME - Пипченко А.Н., Пономаренко В.В., Шевченко В.А. [2014]
50-108ME/ME-C - VOLUME I OPERATION

MirMarine
MirMarine – образовательный морской сайт для моряков.
На нашем сайте вы найдете статьи по судостроению, судоремонту и истории мирового морского флота. Характеристики судовых двигателей, особенности устройства вспомогательных механизмов и систем.