Крышки цилиндров сделаны из стали. На двигателях типа 65-108МЕ для улучшения условий работы крышки цилиндров в местах впрыска топлива проварены материалом с высокой теплостойкостью (heat resistant material). Крышка имеет центральное сверление для выпускного клапана, который присоединяется четырьмя болтами и гайками. Кроме того крышка имеет сверления для топливных клапанов, пускового клапана, впускного канала пускового воздуха, индикаторного клапана и PMI-pick-up. Охлаждающая рубашка располагается на нижней части крышки цилиндра, там где формируется пространство охлаждения водой. Другие пространства водяного охлаждения образуются вокруг седла выпускного клапана, когда клапан устанавливается. Эти два пространства соединены большим количеством отверстий в крышке. Вода поступает из зарубашечного пространства охлаждения, окружающего цилиндровую втулку, и проходит через соединения в зарубашечное пространство крышки цилиндра и далее через охлаждающие отверстия в пространство вокруг седла выпускного клапана. Отсюда вода выпускается в главную выпускную трубу водяного охлаждения.
На некоторых типах двигателя определённое количество воды поступает непосредственно от цилиндровой крышки к корпусу выхлопного клапана через соединения. Герметичность между крышкой цилиндра и втулкой достигается применением уплотнительного кольца из мягкой стали.
Демонтаж крышки цилиндра (901-1.2)
Демонтаж крышки, рис. 10.1, осуществляют в следующем порядке:
- На главном пусковом клапане блокирующее устройство А установить в положение BLOCKED, подсоединить поворотное устройство В, закрыть топливный впускной клапан С и входной клапан охлаждающей воды D. Затем закрыть выпускной клапан охлаждающей воды Е и открыть оба дренажных клапана охлаждающей воды F и G. Перекрыть подачу воздуха для пружины пневматического выпускного клапана и провентилировать систему.
- Подсоединить к измерительной точке 455 «minimess» прибор измерения давления и проверить давление. Закрыть входной 421, и открыть выходной 421 клапан на блоке гидравлики и убедиться в отсутствии давления в системе.
- Закрыть клапан 531 подачи гидравлики на выхлопном клапане.
- Снять выходную трубу охлаждающей воды от выхлопного клапана и отдать болты, которыми крепится выпускная труба охлаждающей воды к крышке цилиндра. Отсоединить топливные трубы высокого давления (см. 909-14.2, здесь и далее даются оригинальные ссылки на процедуры и иллюстрации в инструкции производителя), трубу управляющего воздуха от пускового клапана и трубу пускового воздуха.
- Отсоединить трубу гидравлики высокого давления (см. 908-1.2) к выхлопному клапану. Снять трубу подачи масла на гидравлический демпфер выхлопного клапана. Отсоединить дренажную масляную трубу между выхлопным клапаном и гидравлическим актуатором и воздушную трубу пневматической пружины выхлопного клапана. Отсоединить штекер электрического соединения датчика положений шпинделя выхлопного клапана.
- Снять защитную рубашку, окаймляющую изоляцию промежуточной трубы или компенсатора. Снять изоляцию. Отдать болты во фланце между компенсатором и отводом выхлопных газов (exhaust gas bend) и дать компенсатору сжаться. Подсоединить подъёмник и подвесить компенсатор краном машинного отделения. Отдать и снять болты в обоих, самом верхнем и самом нижнем, фланцах. Продвинуть компенсатор вперёд и отделить выхлопной клапан и компенсатор выхлопа. Поднять и убрать компенсатор.
- Удалить защитные колпаки гаек крышки цилиндра. Расположить затяжный инструмент крышки цилиндра над крышкой цилиндра, расслабить фиксатор и накинуть гидравлические домкраты (Джеки) поверх гаек (см. гл. 913, том II). Если крышка цилиндров не будет ремонтироваться, то её затяжный инструмент можно оставить расположенным на крышке цилиндра до её снятия с двигателя. Если цилиндровая крышка должна ремонтироваться, то необходимо снять затяжный инструмент с крышки.
- Установить поддерживающее приспособление на самой верхней платформе в предназначенные отверстия. Зацепить гак крана машинного отделения на приспособление сверху выхлопного клапана. Поднять полностью крышку цилиндра и разместить её на поддерживающем приспособлении. Если цилиндровая крышка будет ремонтироваться, то рекомендуется установить её на сбитые деревянные рейки. Снять и отбраковать уплотнительное кольцо между крышкой и втулкой цилиндра.
Ремонт с переборкой крышки цилиндра (901-1.3)
Ремонт содержит следующие операции:
- Демонтировать все клапана и трубы крышки цилиндров и отдать все болты (см. процедуры 907-2 2, 908-2.2 и 909-11.2).
- Отдать четыре болта, которые крепят рубашку охлаждения к крышке цилиндра. Поднять крышку цилиндра свободно от рубашки охлаждения и установить на сбитые рейки. Если рубашка охлаждения прилипла, то необходимо использовать для разъединения демонтажные болты.
- Удалить и отбраковать О-кольца из крышки и тщательно очистить рубашку охлаждения и цилиндровую крышку. Снабдить крышку новыми О-кольцами, хорошо смазав их вазелином.
- Поднять крышку цилиндра и, используя направляющий элемент, привести рубашку/крышку в нужное положение. Вставить и обжать болты рубашки охлаждения.
- Восстановить отверстия клапанов следующим образом:
- Отверстие топливного клапана. Инструмент состоит из обычного шпинделя с рукояткой и направляющей, карбонового каттера, каттера поверхности седла (Seating face cutter) и шлифовальной оправки (Grinding mandrel). Отшлифовать седло шлифовальной оправкой с использованием шлифовочного компаунда (Carbo-rundum №200). После шлифовки тщательно очистить отверстие и убедиться, что посадочное место не повреждено.
- Отверстие выхлопного клапана. Инструмент состоит из шпинделя с рукояткой и шлифовального диска. Очистить и прошлифовать посадочное место шлифовальным диском с использованием пасты №200. После шлифовки тщательно очистить отверстие и убедиться, что посадочное место не повреждено.
- Отверстие пускового клапана. Инструмент состоит из направляющей, каттера и шлифовального диска. Восстановление производится, как описано выше. Если производится замена клапанов на крышке цилиндров, которая устанавливается на двигатель, то восстановление отверстий и посадочных мест производится, как описано выше, но без демонтирования шпилек.
- Прочистить отверстия предохранительного клапана или индикаторного крана.
- Смазать резьбы «Never Seize» или молибденовым дисульфидом MoS2 и вставить шпильки клапанов. Затянуть шпильки в соответствии с заданным моментом затяжки.
Заполнить перматексом канавки между шпильками клапана и отверстиями шпилек клапана для предотвращения поступления воды или масла во время работы двигателя. Поставить новое уплотнение водного фланцевого соединения и держать крышку цилиндра в готовности для замен. Устанавливать всегда новые или отремонтированные клапана перед тем, как монтировать крышку на двигатель. При проверке/чистке внешних или внутренних поверхностей крышки цилиндра необходимо пользоваться специальным суппортом.
Монтаж крышки цилиндра
- Установить новое уплотнительное кольцо на верх цилиндровой втулки.
- На крышке цилиндра, пока ещё находящейся на специальном суппорте, тщательно протереть контактную поверхность, которая стыкуется с цилиндровой втулкой.
- Поставить новые О-кольца на соединения труб водяного охлаждения и смазать их консистентной смазкой или мягким мылом. Поставить новое уплотнительное кольцо в канавку фланца промежуточной трубы. Осторожно опускать крышку на место. Во время опускания тщательно проверить и убедиться, что соединительные трубы охлаждающей воды точно совпадут с отверстиями рубашки охлаждения.
- Если шпильки крышки цилиндра демонтировались, то проверить и, при необходимости, отрегулировать размер выступающей части шпильки.
- Наживить все восемь гаек на шпильки и прикрутить их к крышке цилиндра. Расположить инструмент затяжки над цилиндровой крышкой. Осадить фиксирующие кольца и гидравлические джеки, и закрутить джеки на шпильки. Подсоединить гидравлические шланги к джекам, и нарастить давление до предписанного уровня. Затянуть гайки с помощью рукоятки (tommy bar). Стравить давление, и убрать гидравлические джеки.
- Установить компенсаторы выхлопного газа. Вставить компенсатор между фланцами с носа в корму. Вкрутить болты в самый верхний и затем в самый нижний фланец. Убрать подъёмный инструмент и обжать болты во фланцах. Перед установкой болтов смазать их смазкой Never Seize или молибденовым сульфидом MoS2. Одеть изоляционную рубашку вокруг промежуточной трубы.
- Подсоединить обратно масляную трубу и воздушную трубу пневматики к выхлопному клапану. Поставить трубу подачи масла для гидравлического демпфера в выхлопном клапане и трубу высокого давления для привода клапана гидравлики. См. 908-1.4. Подсоединить штекер электрического датчика выхлопного клапана.
- Подсоединить: трубы пускового и управляющего воздуха пускового клапана; трубу охлаждающей воды выхлопного клапана; дренажную трубу на промежуточной трубе между выхлопным клапаном и крышкой цилиндра. Используя гайковёрт стяжной скобы и моментный гаечный ключ (crowfoot wrench and torque spanner) подсоединить масляные трубы высокого давления. См. 909-14.4. Подсоединить выходную трубу от обратной масляной трубы на топливных клапанах. Закрыть дренажные клапана и открыть впуск охлаждающей воды. После вентилирования цилиндровой секции закрыть вентиляционные краны и открыть выпускной клапан охлаждающей воды. Открыть подачу воздуха на выхлопные клапана, открыть топливо и запустить насос смазочного масла. Предупреждение: Подача воздуха на выхлопной клапан должна быть всегда подсоединена и продавлена перед тем, как запустить масляные насосы для актуатора выхлопного клапана.
- Если насосы смазочного масла запущены до сжатия пневматических пружин выхлопного клапана, то необходимо:
- подождать 5-10 минут и проверить на панели МОР факт закрытия всех выхлопных клапанов;
- закрытие выхлопных клапанов облегчается, если насосы смазочного масла остановить, и с помощью дренажного винта дренировать актуаторы.
- Открыть клапан гидравлического управления выхлопным клапаном, а также открыть и закрыть надлежащие клапана на блоке гидравлики.
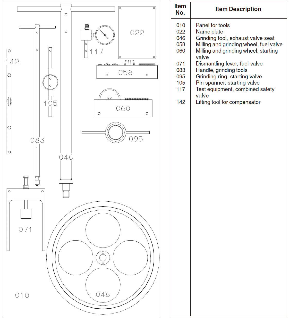
Cylinder Cover Panel
Cylinder Cover - Tools
Cylinder Cover - Support Tool
Cylinder Cover - Hydraulic Jack Spares
Cylinder Cover - Lifting Tools
Литература
Эксплуатация, обслуживание и ремонт двигателей MAN B&W-ME - Пипченко А.Н., Пономаренко В.В., Шевченко В.А. [2014]
MAN B&W K98ME - VOLUME II MAINTENANCE