Wärtsilä 34DF - Топливная система

Допустимые характеристики топлива

Спецификация газового топлива

Многотопливный двигатель Wärtsilä 34DF рассчитан на длительную работу в газовом или в дизельном режиме. Для длительной работы без дератирования мощности двигателя газ, используемый в качестве основного топлива при работе в газовом режиме, должен соответствовать приведенным ниже требованиям к его качеству.

Спецификация газового топлива

1) Необходимое давление газа зависит от НТС (см. раздел «Давление газового топлива» в главе «Топливная система»).

2) Величины приведены в м³Н при 0°C и 101,3 кПа.

3) Метановое число (МЧ) – это расчетная величина, которая обеспечивает масштаб для оценки устойчивости топливных газов к помпажу. Приведенная выше таблица действительна для двигателя, оптимизированного под низкое метановое число. Минимальная величина зависит от конфигурации двигателя, которая влияет на его выходные параметры. Однако, если общее содержание C5 и более насыщенных углеводородов выше 1% по объему, необходимо обращаться в Wärtsilä для дополнительной оценки.

4) Содержание водорода выше 3% по объему необходимо рассматривать для каждого проекта в отдельности.

5) Точка росы природного газа ниже минимальных рабочих температуры и давления.

Спецификация жидкого топлива

Технические характеристики топлива основаны на стандарте ISO 8217:2010 (E). Обратите внимание, что несколько дополнительных характеристик, не включённых в этот стандарт, приведено в таблицах. Информацию о максимальной температуре топлива на подводе к двигателю см. в разделе «Технические данные».

Топливо не должно содержать никаких добавок других веществ или химических отходов, поскольку они ставят под угрозу безопасность установок или отрицательно влияют на работу двигателей или вредны для персонала или в целом загрязняют воздух.

Морское дизельное топливо (MDF)

Классами дистиллятного топлива являются ISO-F-DMX, DMA, DMZ, DMB. Эти сорта топлива называют MDF (Морское дизельное топливо).

Указанные выше классы дистиллята могут быть описаны следующим образом:

  • DMX: Топливо, которое является подходящим для использования при температуре окружающей среды до -15 ° С без подогрева топлива. На торговых судах это топливо используется только на спасательных шлюпках и определенном аварийном оборудовании в связи с пониженной температурой вспышки. Из-за низкой температуры вспышки, которая не отвечает требованиям SOLAS, не допускается использование этого топлива на других морских судах, если топливная система не строится в соответствии со специальными требованиями. Кроме того, из-за низкой вязкости (мин. 1,4 сСт) такое топливо не должно использоваться в двигателях, если топливо не может охлаждаться до требуемого в данном двигателе минимального предела вязкости на впрыске.
  • DMA: Дистиллят высокого качества, как правило, обозначается как MGO (судовое маловязкое топливо/морской газойль).
  • DMZ: Дистиллят высокого качества, как правило, обозначается как MGO (судовое маловязкое топливо/морской газойль). Альтернативный сорт топлива для двигателей, требующих более высокую вязкость топлива, чем указанная для сорта топлива DMA.
  • DMB: Универсальное топливо, которое может содержать незначительное количество остаточных фракций, предназначено для двигателей, не спроектированных специально для сжигания тяжелого топлива. Оно, как правило, обозначается как MDO (топливо для судового дизеля/дизельное топливо)

Спецификации дизельного топлива (MDF)

Примечания:

  1. Дополнительные свойства, указанные Wärtsilä, не включенные в спецификацию ISO.
  2. Дата согласования на соответствие указанным стандартам – 1 июля 2012 года. До этого указанные значения даются в качестве руководства.
  3. Если образец мутный и непрозрачный, то необходимо провести пробы на общий осадок методом горячей фильтрации и пробы воды.
  4. Если образец мутный и непрозрачный, испытания не могут быть проведены и, следовательно, предел устойчивости к окислению не будет определен.
  5. Необходимо удостовериться, что температура застывания подходит для оборудования на борту, особенно если судно работает в условиях холодного климата.
  6. Если образец окрашен и непрозрачен, то содержание воды должно быть определено с помощью метода испытания ISO 12937.
  7. Если образец мутный и непрозрачный, испытания не могут быть проведены и, следовательно, смазывающая способность не будет определена.
  8. Требование распространяется на топливо с содержанием серы 500 мг/кг(0,050% массы).

ПРИМЕЧАНИЕ! Качество запального топлива должно быть в соответствии со стандартами DMX, DMA, DMZ или DMB.

В топливе не должно содержаться смазочного масла, механических загрязнений или химических отходов, представляющих опасность для установки или отрицательно сказывающихся на выходных параметрах двигателя.

Тяжелое топливо (HFO)

Сорта топлива из остаточных фракций называют HFO (Тяжелое топливо). Спецификация топлива HFO 2 основана на стандартах ISO-F-RMA 10 - RMK 700. Топливо, отвечающее спецификации HFO 1, позволяет увеличить интервалы капитального ремонта конкретных деталей двигателя по сравнению с топливом HFO 2.

Спецификации тяжелого топлива (HFO)

Примечания:

  1. Дополнительные свойства, указанные Wärtsilä, не включенные в спецификацию ISO.
  2. Макс. 1010 кг/м³ при 15°C при условии, что система топливоподготовки сепарирует воду и твердые частицы (осадок, натрий, алюминий, кремний) до входа в двигатель до указанного уровня.
  3. Остаточные фракции прямой перегонки имеют ароматический индекс CCAI в пределах от 770 до 840 и обладают очень высоким качеством сгорания. Продукты крекинга в бункеровочном топливе могут иметь индекс от 840 до, в исключительных случаях, более 900. В настоящее время большая часть бункеровочного топлива поставляется в диапазоне от 850 до 870. Значение CCAI не всегда может рассматриваться как точный инструмент для определения свойств воспламенения топлива, особенно это касается топлива, производимого в современных условиях и с использованием более сложных процессов переработки.
  4. Макс. содержание серы должно быть определено в соответствии с установленными ограничениями.
  5. Натрий способствует горячей коррозии выхлопных клапанов в сочетании с высоким содержанием серы и ванадия. Натрий также значительно усиливает образование отложений на лопатках выхлопных турбин при высоких нагрузках. Агрессивные химические свойства топлива зависят не только от содержания натрия и ванадия, но и от общей зольности топлива. Горячая коррозия и образование отложений также зависят от содержания в зольном остатке прочих элементов. Поэтому сложно установить жесткие ограничения на основе исключительно содержания натрия и ванадия в топливе. Таким образом, топливо с низким содержанием натрия и ванадия, как указано выше, также может вызывать горячую коррозию компонентов двигателя.
  6. Дата согласования на соответствие указанным стандартам – 1 июля 2012 года. До этого указанные значения даются в качестве руководства.
  7. Необходимо удостовериться, что температура застывания подходит для оборудования на борту, особенно если судно работает в условиях холодного климата.
  8. В топливе не должно содержаться примесей отработанного смазочного масла (ОСМ). Топливо считается содержащим ОСМ при соответствии одному из приведенных ниже условий:
    • Содержание кальция > 30 мг /кг и содержание цинка > 15 мг / кг
    • Содержание кальция > 30 мг / кг и содержание фосфора > 15 мг / кг

Жидкое биотопливо

Двигатель может работать на жидких сортах биотоплива в соответствии со спецификацией в Таблицах 6.4 Спецификация чистого биотоплива или 6.5 Спецификация биодизеля на базе стандарта EN 14214:2008. Жидкие сорта биотоплива имеют, как правило более низкую теплотворную способность, чем продукты нефтепереработки, характеристики системы впрыска топлива должны проверяться для каждой конкретной установки.

Если биотопливо предполагается использовать в качестве запального, допускается использование только топлива в соответствии с таблицей Спецификация биодизеля на базе стандарта EN 14214:2008.

Таблица «Спецификация чистого биотоплива» распространяется только на непроизводные сорта биотоплива, такие как пальмовое масло, кокосовое масло, рапсовое масло, ятрофовое масло и т.д., и не распространяется на прочие сорта, например, на животный жир.

Биодизель может смешиваться с дистиллятным топливом. Дистиллятное топливо, применяемое для смешивания, должно соответствовать требованиям, описанным в предыдущих разделах данной главы.

Спецификация чистого биотоплива

Примечания:

  1. Если максимальная вязкость 24 сСт не может достигаться без подогрева, то топливная система должна быть оборудована подогревателем.
  2. Свойства сгорания должны быть аналогичными или лучше, чем в требованиях к продуктам нефтеперегонки, например, цетановое число не менее 35 для MDF и ароматический индекс CCAI макс. 870 для HFO.
  3. Температура помутнения и температура потери текучести должны быть как минимум на 10°C градусов ниже температуры впрыска топлива.
  4. Сорта биотоплива, получаемые в пищевой промышленности, могут содержать синтетические полимеры, такие как стирол, пропилен и этилен, применяемые в упаковочных материалах. Такие вещества могут вызывать закупоривание фильтров и поэтому не должны содержаться в биотопливе.

Спецификация биодизеля на базе стандарт EN 14214:2008

Примечания:

  1. Свойства текучести разных сортов биодизелей могут быть разными в зависимости от географического положения и качества исходного продукта. Это следует принимать во внимание при проектировании топливной системы.

Принципы работы

Двигатели Wärtsilä 34DF обычно применяются в многотопливных установках, то есть таких, в которых двигатель может эксплуатироваться как в газовом, так и в дизельном режиме. Смена режима эксплуатации возможна без остановки двигателя и, в определенных пределах, без перебоя выработки энергии. Если происходит сбой подачи газа, двигатель автоматически переводится в дизельный режим (на MDF).

Газовый режим эксплуатации

В газовом режиме эксплуатации основным топливом является газовое топливо, подаваемое в двигатель под низким давлением. Воспламенение газа происходит путем впрыска небольшого количества запального топлива (MDF). Подача газового и запального топлива производится соленоидными клапанами из систем единой магистрали (common rail) с электронным управлением.

Дизельный режим эксплуатации

В дизельном режиме эксплуатации двигатель работает только на жидком топливе. Применяется дизельное или тяжелое топливо, подаваемое традиционной дизельной системой впрыска. При этом постоянно остается в работе система запального дизельного топлива (MDF).

Резервный режим эксплуатации

Система управления и защиты двигателя или система обнаружения обесточивания может в некоторых ситуациях переводить двигатель в резервный режим эксплуатации. В этом режиме система впрыска запального дизельного топлива (MDF) не активна, и работа более, чем в течение 30 минут (на тяжелом топливе HFO) или 10 часов (на дизельном топливе MDF) может привести к забиванию запальных топливных форсунок.

Система газового топлива

Внутренняя система газового топлива

Внутренняя система газового топлива, рядный двигатель (DAAE055609a)

Внутренняя система газового топлива, двигатель, V-образный двигатель (DAAE080852)

При работе двигателя в газовом режиме впрыск газа производится впускным газовым клапаном во впускной канал каждого цилиндра. Смешивание газа с воздухом сгорания происходит непосредственно на следующем участке схемы после впускного клапана в цилиндровой крышке. Так как время срабатывания газового клапана не зависит от времени срабатывания впускного клапана, продувка цилиндра возможна без риска попадания несгоревшего газа непосредственно из впускного клапана в выпускной.

Вентиляция внутренней полости в установках с двустенными трубопроводами происходит за счет перепада давления, создаваемого вентиляцией. Подвод воздуха во внутреннюю полость находится на двигателе. Воздух может подаваться из-за пределов машинного отделения через специальный трубопровод. Дополнительно при проектировании необходимо учитывать требования классификационного общества по вентиляции конкретного проекта.

Внешняя система газового топлива

Внешняя система газового топлива, пример (DAAF022750B)

Бункеровочное газовое топливо может храниться в виде сжатого газа, сжиженного газа (LNG) при атмосферном давлении или сжиженного газа под давлением. Конструкция внешней системы газового топлива может варьироваться, однако любая из конструкций должна обеспечивать подачу в каждый двигатель природного газа при правильной температуре и давлении.

Двустенные газовые трубопроводы и вентиляция трубопроводов

Вентиляция внутренней полости в установках с двустенными трубопроводами происходит за счет перепада давления, создаваемого вентиляторами. Первый подвод вентиляционного воздуха во внутреннюю полость находится на двигателе. Воздух может подаваться из-за пределов машинного отделения через специальный трубопровод. Второй подвод вентиляционного воздуха расположен со стороны двустенного трубопровода в балластном трюме. Вентиляционный воздух поступает из обоих подводов и идет через внутреннюю полость двустенного трубопровода к корпусу газоклапанного блока. От корпуса газоклапанного блока отдельная вентиляционная труба подсоединена к вентиляторам, а от вентиляторов эта труба идет в безопасную зону. На подводе и отводе вентиляционного воздуха будет формироваться опасная зона в радиусе 1,5 метров; эту опасную зону нужно принимать во внимание при проектировании вентиляционного трубопровода.

Газоклапанный блок (10N05)

Перед подачей газа в двигатель газ проходит через газоклапанный блок (ГКБ). ГКБ включает в себя газовый регулировочный клапан и установленные последовательно блокировочные и предохранительные клапаны, обеспечивающие надежную и безопасную работу на газовом топливе.

В составе блока имеется ручной запорный клапан, продувочные соединения, фильтр, регулировочный клапан газового топлива, запорные блокировочные клапаны, вентиляционные клапаны, манометрические реле и индикаторы, датчик температуры газа и панели управления.

Фильтр тонкой очистки – полнопроточный блок, который защищает от механических загрязнений на последующих участках схемы. Тонкость фильтра 5 микрон (абсолютный размер ячеек).

Перепад давления на фильтре отслеживается, и когда перепад давления превышает допустимое значение из-за загрязнения фильтра, срабатывает АПС.

Регулировочный газовый клапан регулирует давление подачи газа в двигатель в соответствии с нагрузкой двигателя. Управление регулировочным клапаном осуществляется от системы управления двигателем. Система устроена таким образом, чтобы в газовую магистраль двигателя газовое топливо подавалось постоянно под правильным давлением.

Данные с датчиков на ГКБ, а также сигналы открытия и закрытия кланов блока отрабатываются электроникой и электропневматическими устройствами системы управления ГКБ. Все данные о состоянии, поступающие с датчиков и клапанов, можно увидеть на блоке местного дисплея (БМД). БМД установлен в шкафу управления ГКБ.

Два запорных блокировочных клапана вместе с вентиляционными клапанами (между запорными блокировочными клапанами) выполняют функцию блокировочно-разгрузочного блока. Запорные клапаны по запросу эффективно отсекают подачу газа в двигатель. Вентиляционные соленоидные клапаны сбрасывают давление в системе, нагнетающееся при закрытии блокировочных клапанов. Блокировочные и разгрузочные клапаны V03, V05 и клапан инертного газа V07 имеют отказоустойчивую конструкцию, то есть закрываются по сигналу текущей неисправности. Вентиляционные клапаны V02 и V04 имеют отказоустойчивую конструкцию и открываются по сигналу текущей неисправности. Имеется соединение для продувки трубопроводов азотом, см. Рис. «Принципиальная схема газоклапанного блока». Продувка газотопливного трубопровода перед блокировочно-разгрузочными клапанами начинается от системы хранения газа, и газ выдувается через вентиляционный клапан V02 на ГКБ.

При включении алгоритма остановки в газовом режиме работы многотопливного двигателя (по отсечке газа, отсечке запального топлива, штатной или аварийной остановке или автоматической остановке в газовом режиме, либо при переводе в дизельный режим работы) ГКБ отрабатывает алгоритм отсечки газа и вентиляции. Оба запорных клапана (V03 и V05) на газоклапанном блоке закрываются, а вентиляционный клапан (V04) между запорными клапанами открывается. В дополнение к этому, при аварийной остановке вентиляционный клапан V02 откроется, и при некоторых аварийных ситуациях клапан V07 направит инертный газ по трубам между ГКБ и двигателем.

Перед запуском двигателя в газовом режиме газоклапанный блок отрабатывает алгоритм обнаружения утечки. Эта предосторожность необходима для проверки плотности клапанов и правильной работы компонентов.

Газоклапанным блоком должен быть оборудован каждый двигатель. ГКБ должен располагаться как можно ближе к двигателю для обеспечения быстрой реакции двигателя на переменные условия работы. Максимальное расстояние трубопровода между двигателем и ГКБ – 10 м.

Инертный газ и сжатый воздух должны быть осушенными и чистыми. Максимальное давление инертного газа – 1,5 МПа (15 Бар). Требования к качеству сжатого воздуха приведены в главе «Система сжатого воздуха».

Принципиальная схема газоклапанного блока (DAAF003882D)

Основные габариты ГТБ (DAAF020519)

Главный газовый клапан

Кодекс IMO IGC требует установки главного газового клапана в системе подачи газового топлива на газовозах (танкерах СПГ).

Требуется, по крайней мере, один главный газовый клапан, однако рекомендуется применять по одному клапану на каждый двигательный отсек для обеспечения независимой эксплуатации.

Всегда рекомендуется установка одного главного запорного клапана за пределами машинного и клапанного отделения в установке любого типа.

Вентиляция газового топлива

В определенных ситуациях в ходе нормальной работы многотопливного двигателя, а также в связи с определенными неполадками, возникает необходимость безопасной вентиляции трубопроводов газового топлива. При отработке алгоритма остановки многотопливного двигателя в газовом режиме вентиляционные клапаны ГБК и двигателя выполняют процедуру вентиляции для стравливания давления из газопроводов.

Дополнительно, при аварийной остановке клапан V02 будет стравливать давление из газопровода, идущего от ГБК.

Образующееся небольшое количество газа может выводиться в атмосферу либо в пространство, в котором отсутствуют источники возгорания.

Помимо вывода в атмосферу могут рассматриваться альтернативные способы утилизации газа (например, в специальной горелке). Однако такие меры должны одобряться в каждом индивидуальном случае классификационным обществом.

ВНИМАНИЕ!

Все вентиляционные и продувочные трубопроводы, в которых может находиться газовое топливо, всегда должны прокладываться с постоянным уклоном вверх для исключения возможности скапливания газа в этих трубопроводах.

В случае если многотопливный двигатель останавливается в газовом режиме, открытие вентиляционных клапанов быстро понижает давление в газопроводах до атмосферного.

В вентиляционных линиях должен поддерживаться минимальный перепад давления.

Для предотвращения попадания газа в другой двигатель во время техобслуживания вентиляционные линии от системы подачи газа или ГБК других двигателей не должны пересекаться друг с другом. Однако вентиляционные линии от одного двигателя могут быть подсоединены к общему коллектору.

Продувка инертным газом

До начала техобслуживания в системе трубопроводов газового топлива должно быть стравлено давление и произведена ее продувка инертным газом. Если будут проводиться работы по техобслуживанию после ГБК и корпус ГБК не будет открыт, то достаточно продуть газопровод между ГБК и двигателем. Если техобслуживание будет проводиться на ГБК и необходимо будет открыть корпус ГБК для прохода газа по направлению от ГБК, то запорные блокирующие клапаны должны быть продуты от системы хранения газа. Трубопроводы двигателя 34DF и газоклапанного блока оборудованы продувочными соединениями для инертного газа (азота).

Продувка газопроводов инертным газом может понадобиться и в качестве штатной процедуры при работе двигателя. Соответствующие мероприятия должны рассматриваться отдельно в каждом индивидуальном случае. Продувочное соединение установлено на ГКБ для обеспечения возможности продувки трубопроводов между ГКБ и двигателем.

Давление на подаче газа

Необходимое давление газового топлива зависит от ожидаемой низшей теплотворной способности (НТС) газового топлива, а также от падения давления в системе подачи газа в двигатель. НТС газового топлива должна быть выше 28 МДж/м3 при 0°C и 101,3 кПа.

  • При низшей теплотворной способности газа 28 МДж/м3 при 0°C и 101.3 кПа соответствующее необходимое давление газа на подводе ГКБ при 100% нагрузке двигателя составляет 515 кПа (манометрическое давление).
  • При низшей теплотворной способности газа 36 МДж/м3 при 0°C и 101.3 кПа соответствующее необходимое давление газа на подводе ГКБ при 100% нагрузке двигателя составляет 472 кПа (манометрическое давление).
  • При низшей теплотворной способности газа между 28 МДж/м3 и 36 МДж/м3 при 0°C и 101.3 кПа соответствующее необходимое давление газа на подводе ГКБ вычисляется методом интерполяции.
  • Необходимо учесть потери давления в системе подачи газа на двигатель, чтобы рассчитать необходимое давление газа.
  • В качестве рекомендуемого перепада давления можно использовать значение 120 кПа на ГБК.
  • Необходимое давление газа на подводе к двигателю зависит от нагрузки двигателя. Регулировка осуществляется на ГКБ.

Система дизельного топлива

Внутренняя топливная система

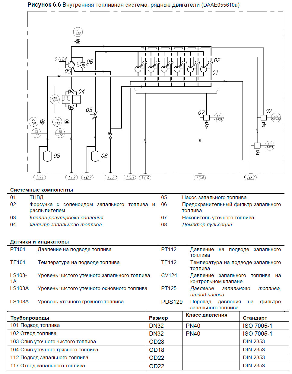
Внутренняя топливная система, рядные двигатели (DAAE055610a)

Внутренняя топливная система,V-образные двигатели (DAAE080918)

Предусмотрены отдельные трубопроводы для основного топлива и запального топлива. В качестве основного топлива могут применяться дизельное топливо (MDF) или тяжелое топливо (HFO). В качестве запального топлива всегда используется MDF; система запального топлива работает и в газовом, и в дизельном режиме.

Регулировочный клапан в возвратной линии основного топлива на двигателе поддерживает заданное давление перед ТНВД.

Система утечного топлива

Чистое топливо, просочившееся из клапанов впрыска топлива и ТНВД, собирается в двигателе и выходит самотеком через подсоединение для чистого утечного топлива. Чистое топливо может быть заново использовано без сепарации. Количество утечки чистого топлива приведено в главе «Технические данные».

Иные возможные утечки топлива, воды и масла отводятся отдельно от хот-бокса через систему грязного утечного топлива и должны уходить в шламовый танк.

Внешняя топливная система

Конструкция внешней системы газового топлива может варьироваться, однако любая из конструкций должна обеспечивать подачу в каждый двигатель хорошо очищенного топлива необходимой вязкости при соответствующем давлении. Температурный контроль необходим для постоянного поддержания правильного значения вязкости топлива перед ТНВД (см. главу «Технические данные»). Во всех режимах работы должна быть обеспечена достаточная циркуляция топлива через каждый двигатель, подсоединённый к одному и тому же контуру.

Система очистки топлива должна включать в себя, по крайней мере, один отстойник и два сепаратора. Наиболее важным является правильное задание размеров сепараторов тяжёлого топлива, следовательно, необходимо точно следовать рекомендациям производителя сепаратора. Плохо центрифугированное топливо вредно для двигателя, а высокое содержание воды может также нанести вред системе подачи топлива.

ТНВД создают импульсы давления в трубопроводе подачи топлива и в возвратном трубопроводе. Топливопроводы между блоком топливоподготовки и двигателем должны быть как следует закреплены к жёстким конструкциям. Расстояние между точками крепления рядом с двигателем должно быть небольшим. См. главу «Разработка, обработка и установка трубопроводов».

Перед двигателем необходимо обеспечить соединение для сжатого воздуха, а также слив из возвратного топливопровода к соединению чистого топлива утечки или расширительному танку. При таком расположении становится возможным выдуть топливо из двигателя до начала технического обслуживания, чтобы избежать пролива жидкости.

ВНИМАНИЕ!

В установках с главными двигателями, когда несколько двигателей подсоединены к одному и тому же контуру подачи топлива, должна существовать возможность по отдельности перекрывать трубу подачи топлива и возвратный трубопровод, подсоединённые к двигателю. Это требование конвенции SOLAS. Сверх того ставятся условия, что способ отключения не окажет влияния на работу остальных двигателей, и что возможно перекрыть топливопроводы в том случае, если они окажутся недоступными из-за пожара на любом из двигателей.

Требования по подогреву тяжёлого топлива

Подогрев необходим для:

  • Топливных цистерн, отстойников, расходных танков
  • Трубопроводов (обогрев линии)
  • Сепараторов
  • Подкачивающих насосов/блоков топливоподготовки

Для возможности работы насосов температура топливных цистерн должна всегда поддерживаться на 5....10˚С выше температуры застывания, обычно при 40…50˚С. Нагревательные элементы могут быть рассчитаны на температуру 60˚С.

Нагревательная способность танка определяется тепловыми потерями топливных цистерн и заданной степенью увеличения температуры.

Диаграмма «вязкость топлива/температура» для определения температур предварительного нагрева жидких топлив (4V92G0071b)

Пример 1: Топливо вязкостью 380 сСт (A) при 50°C (B) или 80 сСт при 80°C (C) должно прогреваться до 115-130°C (D-E) до ТНВД, до 98°C (F) до центрифуги и до мин. 40°C (G) в бункеровочных танках. Перекачка топлива может быть невозможна при температуре ниже 36°C (H).

Для определения температур промежуточных значений вязкости провести линию от известной точки вязкости/температуры параллельно ближайшей линии зависимости вязкости/температуры на таблице.

Пример 2: Известная вязкость 60 сСт при 50°C (K). По пунктирной линии можно определить: вязкость при 80˚С = 20 сСт, температуру на впрыскивающих насосах 74 - 87˚С, температуру на сепараторе 86˚С, минимальную температуру в бункеровочных танках 28˚С.

Топливные танки

Сначала топливо перемещается из бункеровочных танков в отстойник для первоначального отделения осадка и воды. После центрифугирования топливо поступает в расходные танки, из которых топливо подаётся к двигателю.

Отстойник для тяжёлого топлива (1T02) и дизельного топлива (1T10)

  • Для тяжёлого топлива и дизельного топлива рекомендуются раздельные отстойники.
  • Для того чтобы гарантировать достаточность времени отстаивания (отделения воды и осадка), объём каждого танка должен быть достаточным для мин. 24 часов работы при максимальном расходе топлива.
  • Танки должны быть оборудованы внутренними перегородками для обеспечения эффективности отстаивания, а также дно должно быть под наклоном для надлежащего слива.
  • Температура в отстойнике тяжёлого топлива должна поддерживаться между 50˚С и 70˚С, для чего необходимы нагревательный элемент и теплоизоляция танка. Отстойники дизельного топлива обычно не требуют обогрева или изоляции, однако температура танка должна находиться в пределах 20…40˚С.

Расходный танк для тяжёлого топлива (1T03) и дизельного топлива (1T06)

  • Необходимо обеспечить два расходных танка для тяжёлого топлива, каждый объёмом, достаточным для, по крайней мере, 8 часов работы при максимальном расходе топлива.
  • Для дизельного топлива назначается отдельный танк. Объёма танка с дизельным топливом должно хватать на 8 часов подачи топлива.
  • Отстойники не могут быть использованы взамен расходных танков.
  • Расходный танк должен быть сконструирован так, чтобы предотвращать скопление шлама рядом с всасывающей трубой, а дно танка должно быть наклонным для достижения эффективности сливания.
  • Расходные танки тяжёлого топлива должны быть оборудованы нагревательными элементами и теплоизолированы. Рекомендуется, чтобы значение вязкости в расходных танках было меньше 140 сСт. Из-за риска появления воскообразных образований, топливо со значением вязкости ниже 50 сСт при 50˚С необходимо хранить при температуре выше, чем того требует вязкость. Непрерывное сепарирование в настоящее время является принятой практикой, это означает, что температура расходного танка с тяжёлым топливом обычно находится выше 90˚С.
  • Температура танка дизельного топлива должна быть в диапазоне 20…40˚С.
  • Уровень танка должен обеспечивать положительное статическое давление со стороны всасывания топливоподающих насосов. Если предполагается пуск на дизельном топливе в условиях отсутствия электричества, необходимо расположить танк, по меньшей мере, на 15 метров выше коленвала двигателя.

Танк утечного топлива, чистое топливо (1T04)

  • Чистое топливо утечки вытекает из двигателя под действием силы тяжести. Необходимо собирать топливо в отдельный танк для чистого топлива утечки, откуда оно может быть перекачено в расходный танк и заново использовано без сепарации. Трубы от двигателя к танку чистого топлива утечки должны устанавливаться под постоянным уклоном. Танк и трубопровод должны подогреваться и быть изолированы, кроме случаев, когда установка предназначена для работы только на дизельном топливе.
  • В установках, работающих на тяжелом топливе, во избежание смешивания чистого утечного MDF и HFO необходим переключающий клапан (1V13). Во время работы в газовом режиме и циркуляции MDF в системе чистое утечное дизельное топливо должно отводиться в танк утечного чистого дизтоплива. Таким образом, дизельное топливо может перекачиваться обратно в расходный танк MDF (1T06).
  • При переходе с HFO на MDF клапан 1V13 должен направлять топливо в утечный танк HFO в течение достаточно долгого времени для того чтобы исключить попадание тяжелого топлива в утечный танк чистого дизтоплива.
  • Пример внешней системы тяжелого топлива см. в разделе «Система подачи топлива - установки для работы на тяжелом топливе».
  • Трубопровод топлива утечки должен быть целиком замкнутым, чтобы предотвратить попадание грязи внутрь системы.

Подготовка топлива

Сепарация

  • Тяжёлое топливо (остаточное и смеси остаточных и дистиллятных фракций) перед перемещением в расходный танк подвергаются очистке в эффективных центробежных сепараторах.
  • Классификационные правила требуют использовать блок сепарации с излишней производительностью, чтобы требуемая производительность поддерживалась при любой одной неработающей установке.
  • Необходимо чётко следовать всем рекомендациям производителя сепаратора.
  • Для удаления воды и возможных примесей также рекомендуются центробежные пакетные сепараторы (для установок, работающих только на дизельном топливе). Производительность сепараторов дизельного топлива должна быть достаточной для того, чтобы обеспечивать подачу топлива при максимальном расходе топлива. Если центробежные сепараторы оказываются слишком дорогими для установок на дизельном топливе, тогда вместо них допустимо использовать коалесцирующие фильтры. Коалесцирующие фильтры обычно устанавливаются с всасывающей стороны циркуляционного насоса системы подачи топлива. Фильтр должен обладать малым перепадом давления, чтобы избежать кавитации в насосе.

Режим работы сепаратора

Наилучшая эффективность сепарации достигается, когда постоянно дополнительно работает резервный сепаратор и пропускная способность снижена в соответствии с текущим расходом топлива.

Сепараторы с мониторингом очищенного топлива (без гравитационного диска), работающие непрерывно, могут пропускать топливо с плотностью, превышающей 991 кг/м3 при 15˚С. В этом случае основной и резервный сепараторы должны работать параллельно.

Когда используются сепараторы с гравитационным диском, тогда каждый резервный сепаратор должен работать последовательно с другим сепаратором, так чтобы первый сепаратор выступал в роли очистителя, а второй – осветлителя. Такая схема расположения применяется для топлив плотностью макс. 991 кг/м3 при 15°C. Сепараторы должны быть одинакового размера.

Эффективность сепарации

Термин «гарантированный расход» (ГР, CFR) был предложен, чтобы выразить рабочие характеристики сепараторов в соответствии с общепринятыми стандартами. ГР определяется как расход (литры/час) через 30 минут после слива осадка, когда эффективность сепаратора равна 85%, при использовании определённых тестовых видов топлива и частиц. ГР задаётся для эквивалентных вязкостей топлива, равных 380 сСт и 700 сСт при 50˚С. Больше информации содержится в документе CWA 15375:2005 (E), разработанном ЕКС (европейской комиссии по стандартизации).

Эффективность сепарации – это мера способности сепаратора удалять определённые пробные частицы. Эффективность сепарации определяется следующим образом:

Блок сепаратора (1N02/1N05)

Сепараторы обычно поставляются как предварительно собранные блоки, разработанные производителем сепаратора.

Типично сепараторные модули оборудованы:

  • Сетчатым фильтром на всасывающей линии (1F02)
  • Подающим насосом (1P02)
  • Подогревателем (1E01)
  • Шламовым танком (1T05)
  • Сепаратором (1S01/1S02)
  • Шламовым насосом
  • Шкафами управления, включающими пускатели электродвигателей и контрольное устройство

Перекачка топлива и система сепарации (3V76F6626d)

Подающие насосы сепаратора (1P02)

Подающие насосы должны рассчитываться, принимая во внимание реальное качество топлива, а также рекомендованную пропускную способность сепаратора.

Насос должен защищаться сетчатым фильтром (с размером ячейки около 0,5 мм)

Для контроля нормы подачи топлива в сепаратор требуется одобренная система.

Данные для проектирования

Подогреватель сепаратора (1E01)

Подогреватель, как правило, рассчитывается в соответствии с пропускной способностью подающего насоса и заданной температурой отстойного танка.

Температура поверхности подогревателя не должна быть слишком высокой, чтобы избежать крекинга топлива. Контроль температуры должен обеспечивать поддержание температуры топлива в пределах ± 2˚С.

Рекомендуемая температура топлива после подогревателя зависит от вязкости, но обычно составляет 98˚С для тяжёлого топлива и 20…40˚С для дизельного топлива. Оптимальная температура работы задаётся производителем сепаратора.

Минимальная требуемая мощность подогревателя составляет:

Минимальная требуемая мощность подогревателя

Для тяжелых сортов топлива можно принять ΔT = 48˚С, то есть температура в отстойном танке равна 50°C. Сорта топлива с вязкостью выше 5 сСт при 50°C требуют предварительного нагрева перед сепаратором.

Подогреватели должны быть оснащены предохранительными клапанами и сливными трубами, ведущими к танку утечки (таким образом, чтобы возможные утечки могли быть обнаружены).

Сепаратор (1S01/1S02)

Основываясь на времени сепарации (23 или 23.5 ч/сутки), пропускная способность Q [л/ч] сепаратора может быть оценена по формуле:

пропускная способность Q [л/ч] сепаратора

Недопустимо превышать рекомендованные для сепаратора значения расходов топлива и качество топлива. Чем меньше расход, тем больше эффективность сепаратора.

Перед и после сепаратора необходимо установить пробоотборные клапаны.

Сепаратор дизельного топлива в установках, работающих на тяжёлом топливе (1S02)

Для установок, работающих главным образом на тяжёлом топливе, рекомендуется также установить сепаратор дизельного топлива. В качестве сепаратора дизельного топлива может использоваться специальный сепаратор меньшего размера, или резервный сепаратор тяжёлого топлива.

Шламовый танк (1T05)

Шламовый танк должен располагаться непосредственно под сепараторами, или как можно ближе к сепараторам, кроме случаев, когда он интегрирован в сепараторный блок. Труба шламового танка должна быть установлена с постоянным уклоном вниз.

Система подачи топлива – установки на дизельном топливе

Пример топливной системы (MDF), установка с одним двигателем (DAAE055756a)

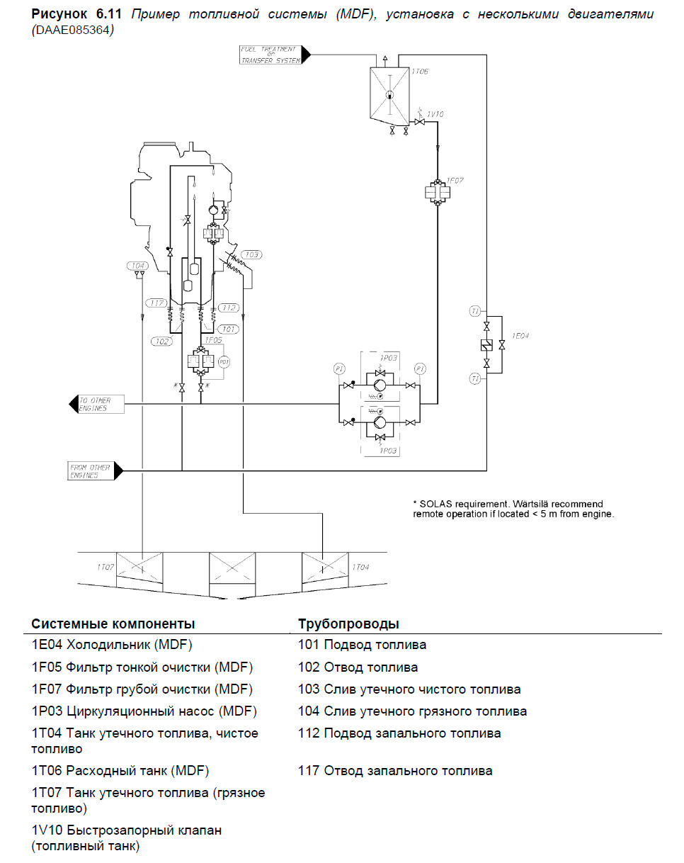
Пример топливной системы (MDF), установка с несколькими двигателями (DAAE085364)

Если двигатели будут работать только на дизельном топливе, тогда подогрев топлива не обязателен. В таком случае достаточно установить оборудование, перечисленное ниже. Некоторое оборудование, перечисленное ниже, также требует установки в дизельную часть топливной системы, работающей на тяжёлом топливе.

Циркуляционный насос, дизельное топливо (1P03)

Циркуляционный насос служит для поддержания давления на ТНВД и прокачки топлива по системе. В качестве циркуляционного рекомендуется использовать насос винтового типа. Фильтр на всасывании с размером ячейки 0,5 мм должен устанавливаться для защиты топливоподающих насосов перед каждым насосом. Со стороны всасывания насоса должно иметься положительное статическое давление величиной около 30 кПа.

Данные для проектирования

Расходомер, дизельное топливо (1I03)

Если возвратное топливо из двигателя поступает в возвратный танк вместо расходного танка, тогда для мониторинга расхода топлива достаточно одного расходомера при условии, что измеритель установлен в линии подачи, идущей от расходного танка (перед танком возвратного топлива). Для танка возвратного топлива обычно необходим холодильник.

Общее сопротивление расходомера и сетчатого фильтра должно быть достаточно небольшим, чтобы гарантировать положительное статическое давление величиной порядка 30 кПа со стороны всасывания циркуляционного насоса.

Необходимо наличие перепускной линии вокруг расходомера, которая будет автоматически открываться при чрезмерном перепаде давления.

Фильтр тонкой очистки, дизельное топливо (1F05)

Фильтр тонкой очистки топлива представляет собой сдвоенный полнопроточный фильтр из стальной сетки. Необходимо установить фильтр как можно ближе к двигателю.

Диаметр трубы между фильтром тонкой очистки и двигателем должен быть таким же, как и диаметр трубы до фильтров.

Данные для проектирования

Холодильник дизельного топлива (1E04)

Перед двигателем вязкость топлива может не опускаться ниже минимального предела, см. главу «Технические данные». Практический опыт показывает, что при работе на дизельном топливе, температура топлива на входе должна быть ниже 45˚С. Для лёгких сортов топлива возможна ещё более низкая температура.

При продолжительной работе на дизельном топливе обычно требуется холодильник топлива. Холодильник необходимо установить в возвратный трубопровод после двигателя (двигателей). В качестве охлаждающей среды обычно используется вода НТ контура.

Если вязкость топлива MDF в расходном танке превышает указанный минимальный предел вязкости, то рекомендуется устанавливать топливный холодильник в линию подачи топлива для надежного управления вязкостью.

Данные для проектирования

Танк возвратного топлива (1T13)

Танк возвратного топлива должен быть оснащён выпускным клапаном на выходной трубе, ведущей к расходному танку дизельного топлива. Объём возвратного танка должен составлять, по крайней мере, 100 л.

Пуск при отсутствии электропитания

Дизель-генераторы, являющиеся основными источниками электроэнергии, должны быть способны продолжать функционировать при аварийном отключении электропитания за счёт запасённой энергии. В зависимости от конструкции системы и классификационных нормативов, в некоторых случаях является допустимым использовать аварийный генератор. Двигатели, работающие на тяжелом топливе без топливоподающего насоса, могут достигать давления топлива, достаточного для аварийного запуска при помощи:

  • Напорного танка, расположенного мин. на 15 метров выше коленвала
  • Пневматического топливного насоса (1Р11)
  • Электрического топливного насоса (1Р11), питаемого от аварийного источника питания

Топливная система – установки, работающие на тяжёлом топливе

Пример топливной системы (HFO), установка с несколькими двигателями (DAAE085365B)

Трубы для тяжелого топлива должны быть правильно изолированы. Если вязкость топлива составляет 180сСт/50˚С или выше, необходимо оборудовать трубы подогревателем трубопровода. Должна существовать возможность отключить подогрев труб, когда осуществляется работа на дизельном топливе (грамотно сгруппировать подогрев трубопроводов).

Пуск и остановка

Пуск и остановка двигателя может производиться на тяжёлом топливе при условии, что двигатель и топливная система предварительно прогреты до рабочей температуры. Топливо должно продолжать циркулировать в остановленном двигателе, чтобы поддерживать рабочую температуру. При пуске и остановке не требуется переходить на дизельное топливо.

Перед капитальным ремонтом или отключением внешней системы необходимо промыть топливную систему двигателя и заполнить дизельным топливом.

Переход с тяжёлого топлива на дизельное топливо

Последовательность действий и оборудование для изменения топлива во время работы должны обеспечивать плавное изменение температуры и вязкости топлива. Если дизельное топливо подаётся через блок топливоподготовки тяжёлого топлива, то объём системы как раз достаточен для плавного перехода.

Если имеются отдельные циркуляционные насосы для дизельного топлива, тогда смену топлива стоит производить до переключения на циркуляционные насосы дизельного топлива при помощи блока топливоподготовки тяжёлого топлива. Как было упомянуто выше, при продолжительной работе на дизельном топливе обычно требуется холодильник топлива. Вязкость топлива в двигателе не должна падать ниже минимального предела, описанного в главе «Технические данные».

Количество двигателей в одной системе

Когда блок топливоподготовки обеспечивает только двигатели Wärtsilä 34DF, то к одному топливному контуру может быть подключено максимум два двигателя, кроме случаев, когда перед каждым двигателем установлен свой циркуляционный насос.

Предпочтительно, чтобы главные двигатели и вспомогательные двигатели имели отдельные блоки подачи топлива. Для того чтобы главные двигатели и вспомогательные двигатели были на одном питающем контуре, обычно необходимы индивидуальные циркуляционные насосы или другие специальные устройства. Независимо от используемых специальных устройств, не рекомендуется питать более двух главных двигателей и двух вспомогательных двигателей, или более одного главного двигателя и трёх вспомогательных двигателей от одного блока топливоподготовки.

Дополнительные указания:

  • На двухвальных судах с двумя двигателями должен иметься отдельный контур подачи топлива для каждого гребного вала.
  • На двухвальных судах с четырьмя двигателями, стоящие на одном валу двигатели подсоединяются к разным контурам подачи топлива. К одному и тому же контуру может быть подсоединен только один двигатель с каждого вала.

Блок топливоподготовки (1N01)

Блок топливоподготовки может доставляться целиком собранным. Данный блок включает в себя следующее оборудование:

  • Два сетчатых фильтра
  • Два подающих насоса винтового типа, оснащённых встроенными предохранительными клапанами и электромоторами
  • Один клапан регулировки давления/сливной клапан
  • Один деаэрационный танк, находящийся под давлением, оборудованный выпускным клапаном, управляемым по реле уровня
  • Два циркуляционных насоса, такого же типа, что и подающие насосы
  • Два подогревателя (паровые, электрические, термомасляные) – один подогреватель работает, второй резервный
  • Один автоматический фильтр обратной промывки с перепускным фильтром
  • Один вискозиметр для управления подогревателями
  • Один регулирующий клапан для парового подогревателя или термомасляного подогревателя, шкаф управления электроподогревателями
  • Один терморегулирующий клапан для аварийного контроля подогревателей
  • Один шкаф управления, включающий стартеры для насосов
  • Одну панель аварийной сигнализации

Перечисленное выше оборудование собирается на стальном каркасе, который может быть приварен или прикручен болтами к судовому фундаменту.

Все внутренние электрокабели и трубопроводы целиком смонтированы. Все трубы для тяжёлого топлива изолированы и оборудованы подогревом.

Блок топливоподготовки, пример (DAAE006659)

Подкачивающий насос, блок топливоподготовки (1P04)

Подкачивающий насос поддерживает давление в системе подачи топлива. В качестве подкачивающего насоса рекомендуется использовать винтовой насос. Производительность насоса должна быть достаточной, чтобы предотвратить падение давления во время промывки автоматического фильтра.

Фильтр на всасывании с размером ячейки 0,5 мм должен устанавливаться для защиты топливоподающих насосов перед каждым насосом. Со стороны всасывания насоса должно иметься положительное статическое давление величиной около 30 кПа.

Данные для проектирования

Клапан регулировки давления, блок топливоподготовки (1V03)

Клапан регулировки давления в подкачивающем насосе/блоке топливоподготовки поддерживает давление в деаэрационном танке, направляя избыток потока к всасывающей стороне подкачивающего насоса.

Данные для проектирования

Автоматический фильтр, блок топливоподготовки (1F08)

Рекомендуется выбрать для обводной линии автоматический фильтр с фильтром с ручной очисткой в перепускной линии. Автоматический фильтр необходимо установить перед подогревателем, между подкачивающим насосом и деаэрационным танком. Фильтр оборудуется нагревательной рубашкой. Тем не менее, необходимо предотвратить перегревание (выше 100˚С); при работе на дизельном топливе должна быть предусмотрена возможность отключения подогревателя.

Данные для проектирования

Расходомер, блок топливоподготовки (1I01)

Если требуется расходомер, его следует установить между подкачивающими насосами и деаэрационным танком. Если требуется измерять расход топлива каждого отдельного двигателя в установках с несколькими двигателями, необходимо установить два расходомера на каждый двигатель: один на линию подачи и один на возвратную линию каждого двигателя.

Необходимо наличие перепускной линии вокруг расходомера, которая будет автоматически открываться при чрезмерном перепаде давления.

Если на расходомере установлен предварительный фильтр, рекомендуется установить устройство, сигнализирующее о высокой разнице давления на фильтре.

Деаэрационный танк, блок топливоподготовки (1Т08)

Танк должен быть оснащён реле сигнала низкого уровня топлива и выпускным клапаном. Если это возможно, вытяжная труба отводится вниз, например, к расширительному танку. Танк должен быть изолирован и оборудован нагревательным элементом. Объём танка должен составлять минимум 100 литров.

Циркуляционный насос, блок топливоподготовки (1P06)

Назначение насоса – прокачивать топливо в системе и поддерживать требуемое давление (определённое в главе «Технические данные») на ТНВД. Циркулируя в системе, топливо сохраняет правильное значение вязкости, а также поддерживает трубопроводы и ТНВД при рабочей температуре.

Данные для проектирования

Подогреватель, блок топливоподготовки (1E02)

Подогреватель должен быть способен поддерживать вязкость топлива 14 сСт (топливо заданного сорта при заданной температуре расходного танка) при максимальном потреблении топлива, требуемые значения вязкости на ТНВД приведены в главе «Технические данные». Тем не менее, при работе на топливе высокой вязкости, температура топлива на входе двигателя не должна превышать 135˚С.

Мощность подогревателя должна контролироваться вискозиметром. Контрольная точка вискозиметра должна быть несколько ниже требуемой вязкости на ТНВД, чтобы компенсировать тепловые потери в трубопроводах. Для резервного контроля вязкости следует установить термостат.

Во избежание крекинга топлива температура поверхности нагревателя не должна быть слишком высокой. Количество передаваемого тепла от поверхности не должно превышать 1,5 Вт/см2.

Требуемая мощность подогревателя может быть приблизительно подсчитана по следующей формуле:

Вискозиметр, блок топливоподготовки (1I02)

Подогреватель должен контролироваться вискозиметром. Вискозиметр должен быть сконструирован таким образом, чтобы выдерживать пики давления, вызываемые ТНВД дизельного двигателя.

Данные для проектирования

Блок насоса с фильтром (1N03)

Если к одному блоку топливоподготовки подключено более двух двигателей, перед каждым из них должен быть установлен циркуляционный насос (1P12). Циркуляционный насос (1P12) и предохранительный фильтр (1F03) могут быть объединены в блок насоса с фильтром (1N03). При этом предохранительный фильтр требуется всегда.

В обвод насоса должна быть предусмотрена перепускная линия для обеспечения циркуляции топлива через двигатель в случае, когда насос остановлен. Диаметр трубы между фильтром и двигателем должен быть таким же, как между блоком топливоподготовки и блоком насоса с фильтром.

Циркуляционный насос (1P12)

Назначение циркуляционного насоса – обеспечение равномерной прокачки топлива через все двигатели. При установке общего циркуляционного насоса для нескольких двигателей поток топлива будет разделяться в соответствии с распределением давления в системе (которое имеет тенденцию меняться со временем), а регулировочный клапан на двигателе имеет весьма пологую кривую давления/потока.

В установках, в которых дизельное топливо подается непосредственно от танка MDF (1T06) на циркуляционный насос, для защиты циркуляционного насоса должен устанавливаться фильтр на всасывании (1F07) с размером ячейки 0,5 мм. Допускается использование общего фильтра для всех циркуляционных насосов.

Данные для проектирования

Предохранительный фильтр (1F03)

Предохранительный фильтр это полнопроточный сдвоенный фильтр с сетчатым стальным фильтрующим элементом. Предохранительный фильтр оборудуется нагревательной рубашкой. Необходимо устанавливать предохранительный фильтр или блок насоса с фильтром как можно ближе к двигателю.

Данные для проектирования

Переливной клапан, тяжёлое топливо (1V05)

Если несколько двигателей подключены к одному и тому же блоку топливоподготовки, между линией подачи топлива и возвратной линией требуется переливной клапан. Переливной клапан ограничивает максимальное давление в линии подачи, когда топливные линии к параллельному двигателю закрыты для технического обслуживания.

Для переливного клапана необходимо задать параметры, обеспечивающие стабильное давление во всём рабочем диапазоне.

Данные для проектирования

Насос запального топлива, MDF (1P13)

Насос запального топлива требуется в установках, работающих на тяжелом топливе. Насос подает в двигатель дизельное топливо для запальной системы. Попадание тяжелого топлива с систему запального топлива не допускается.

В качестве циркуляционного рекомендуется использовать насос винтового типа. Для защиты каждого циркуляционного насоса должен устанавливаться фильтр грубой очистки с размером ячейки 0,5 мм. Со стороны всасывания насоса должно быть обеспечено статическое давление прибл. 30 кПа.

Данные для проектирования

Промывка

Перед тем, как двигатели подсоединяются к системе подачи топлива, и топливо начинает циркулировать через двигатели, необходимо полностью промыть внешнюю систему трубопроводов. Система трубопроводов должна предусматривать установку временного промывочного фильтра.

Топливопроводы на двигателе (соединения 101 и 102) отсоединяются, подающая и возвратная линии соединяются временной трубой или шлангом со стороны установки. Все фильтрующие элементы удаляются из фильтров, кроме, конечно, промывочного фильтра. Для предотвращения повреждения, вокруг автоматического фильтра и измерителя вязкости следует проложить байпасные трубы. Тонкость фильтрации промывочного фильтра должна составлять 35μм или быть более высокой.

Перечень символов, используемых в чертежах

Перечень символов

Литература

Двухтопливные двигатели WÄRTSILÄ 34DF проектное руководство

MirMarine
MirMarine – образовательный морской сайт для моряков.
На нашем сайте вы найдете статьи по судостроению, судоремонту и истории мирового морского флота. Характеристики судовых двигателей, особенности устройства вспомогательных механизмов и систем.