Wärtsilä 34DF - Система смазочного масла

Требования к качеству смазочного масла

Смазочное масло для двигателя

Смазочное масло должно быть класса вязкости SAE 40 и иметь индекс вязкости (VI) минимум 95. Щелочные свойства смазочного масла (ЩЧ) связаны с сортом топлива, как показано в таблице ниже. ЩЧ – это щелочное число. Его значение равно миллиграммам KOH в грамме масла.

Стандарты топлива и требования к качеству смазочного масла, работа на газовом и дизельном топливе

При продолжительном использовании в качестве топлива газойля или дизельного топлива рекомендуется применение смазочных масел с ЩЧ 10-20. При периодической работе на природном газе и MDF рекомендуется применение смазочных масел с ЩЧ 10-15.

Необходимое ЩЧ при работе на тяжелом топливе связано со спецификацией топлива для двигателя, приведенной в следующей таблице.

Стандарты топлива и требования к смазочным маслам, работа на тяжелом топливе

Для установок, в которых двигатели периодически работают на топливе переменного качества, например природном газе, MDF и HFO, качество смазочного масла должно подбираться на основе требований для HFO. Для работы на тяжёлом топливе в первую очередь следует выбирать смазочные масла со значением ЩЧ равным 50-55. Масло со значением ЩЧ 40 также может быть использовано с тяжёлым топливом при условии, что содержание серы сравнительно невелико и что ЩЧ остаётся выше предельного значения при допустимых интервалах между заменами масла. Смазочные масла со значением ЩЧ 30 должны использоваться вместе с тяжёлым топливом только в частных случаях; например, на установках с SCR (селективным катализатором), если, несмотря на более короткие интервалы между заменами масла, могут быть достигнуты лучшие показатели общей экономии. Меньшие значения ЩЧ могут иметь положительное влияние на срок службы катализатора в установках с SCR.

Для двигателя не является вредным использование более высокого ЩЧ, чем рекомендуется для сорта топлива.

Недопустимо смешивать масла разных марок, если только это не разрешено поставщиками масла. Если двигатель на гарантии, смешивание различных масел также должно быть одобрено компанией Wärtsilä.

Каждая установка снабжается обновлённым списком одобренных смазочных масел.

Масло в регуляторе частоты вращения или актуаторе

В нормальных условиях эксплуатации допустим класс вязкости масла SAE 30 или SAE 40. Обычно может быть использовано такое же масло, что и в двигателе. При низких температурах окружающей среды возможна необходимость использования универсального масла (например, SAE 5W-40), чтобы гарантировать правильную работу при запуске с холодным маслом.

Масло в валоповоротном устройстве

Рекомендуется использовать редукторные масла типа EP с вязкостью 400-500 сСт при 40°C = ISO VG 460. Каждая установка снабжается обновлённым списком одобренных смазочных масел.

Насос запального топлива

Рекомендуется использовать противозадирные смазки на основе мыльного загустителя, имеющие проникновение 300 ... 350 при измерении согласно стандарту ASTM D 217, имеющие классификацию NLGI 1 при 30...70°C рабочей температуры.

Каждая установка снабжается обновлённым списком одобренных смазочных масел.

Внутренняя система смазочного масла

Внутренняя система смазочного масла, рядные двигатели (DAAE055611a)

Внутренняя система смазочного масла, V-образные двигатели (DAAE080919)

Поддон картера для смазочного масла – мокрого. Сухой картер возможен в качестве опциона для главных двигателей.

Приводимый напрямую насос смазочного масла – шестерённого типа и оборудован клапаном регулировки давления. Насос настраивается таким образом, чтобы обеспечить достаточный поток даже при низких скоростях. Соединение для резервного насоса возможно по выбору. Информацию касательно высоты всасывания, расхода и давления насоса см. в главе «Технические данные».

Насос предварительной смазки – это приводимый от электродвигателя шестерённый насос, оборудованный предохранительным клапаном. Насос должен всегда работать после остановки двигателя. Информацию касательно высоты всасывания, расхода и давления насоса см. в главе «Технические данные».

Находящийся на двигателе модуль смазки маслом состоит из охладителя смазочного масла, терморегулирующего клапана и автоматического фильтра.

Центробежный фильтр устанавливается для очистки масла обратной циркуляции из автоматического фильтра.

Все двигатели с сухим картером поставляются с приработочным фильтром для каждого рамового подшипника. Эти фильтры должны сниматься после пуско-наладки.

Внешняя система смазочного масла

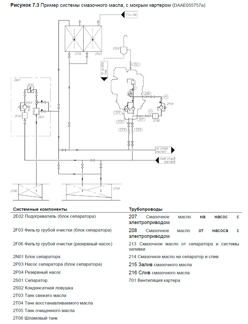
Пример системы смазочного масла, с мокрым картером (DAAE055757a)

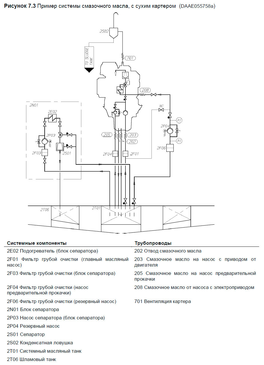
Пример системы смазочного масла, с сухим картером (DAAE055758a)

Система сепарации

Блок сепаратора (2N01)

Каждый главный двигатель должен иметь специальный сепаратор смазочного масла, сепараторы должны быть настроены на непрерывную сепарацию. Если установка предназначена для работы только на газовом/дизельном топливе, тогда может быть достаточна периодическая сепарация.

Вспомогательные двигатели, работающие на тяжелом топливе с макс. вязкостью 380 сСт/50°C могут иметь общий блок сепарации смазочного масла. Два двигателя могут иметь общий сепаратор. В установках с четырьмя или более двигателями должны быть предусмотрены два блока сепарации.

Сепараторы обычно поставляются как предварительно собранные блоки.

Обычно блоки сепаратора смазочного масла оборудованы:

  • Подающим насосом с сетчатым фильтром и предохранительным клапаном
  • Подогревателем
  • Сепаратором
  • Шкафом управления

Также блок сепаратора смазочного масла может быть оборудован промежуточным шламовым танком и шламовым насосом, что делает сепаратор более удобным для установки, так как нет необходимости располагать шламовый танк непосредственно под сепаратором.

Подающий насос сепаратора (2P03)

Подающий насос выбирается из расчёта, чтобы соответствовать рекомендованной пропускной способности сепаратора. Обычно насос подбирается и поставляется к сепаратору производителем сепаратора.

При настройке электродвигателя, необходимо принять во внимание самую низкую прогностическую температуру в масляном танке системы (после длинной остановки).

Подогреватель сепаратора (2Е02)

Параметры подогревателя следует задать, исходя из производительности подающего насоса и температуры в системном масляном танке. Когда двигатель работает, температура в масляном танке системы, расположенном в днище корабля, обычно составляет 65…75˚С. Для того, чтобы сделать возможной сепарацию при остановленном двигателе, мощность подогревателя должна быть достаточной для поддержания требуемой температуры без подвода тепла от двигателя.

Рекомендуемая температура масла после подогревателя составляет 95˚С.

Температура поверхности подогревателя не должна превышать 150˚С во избежание перегрева масла.

Подогреватели должны быть оснащены предохранительными клапанами и сливными трубами, ведущими к танку утечки (таким образом, чтобы возможные утечки могли быть обнаружены).

Сепаратор (2S01)

Предпочтительно, чтобы сепаратор был с контролируемым сливом из корпуса, чтобы минимизировать потери смазочного масла.

Пропускная способность Q [л/ч] сепаратора может быть оценена по формуле:

Шламовый танк (2Т06)

Шламовый танк должен располагаться непосредственно под сепараторами, или как можно ближе к сепараторам, кроме случаев, когда он интегрирован в сепараторный блок. Труба шламового танка должна быть установлена с постоянным уклоном вниз.

Танк восстанавливаемого масла (2Т04)

Если двигатели с мокрым картером, тогда перед сепарацией содержимое поддона картера может стекать в этот танк.

Танк очищенного масла (2T05)

В этом танке содержится отсепарированное масло, готовое к использованию вместо слитого для сепарации.

Системный масляный танк (2T01)

Рекомендуемый объём масляного танка указан в главе «Технические данные».

Системный масляный танк обычно располагается под фундаментом двигателя. Танк не должен выдаваться под редуктор или генератор, а также должен быть расположен симметрично в поперечном направлении под двигателем. Более того, расположение танка должно быть таким, чтобы смазочное масло не охлаждалось ниже нормальной рабочей температуры. Высота всасывания крайне важна, если насос смазочного масла приводится от двигателя. Потери на фильтрах и т.д. добавляются к геометрической высоте всасывания. Максимальная высота всасывания указана в главе «Технические данные».

Соединение трубы между поддоном картера двигателя и масляным танком системы должно быть гибким, чтобы предотвратить повреждения, связанные с тепловым расширением. Возвратные трубы от поддона картера двигателя должны оканчиваться ниже минимального уровня масла в танке. Более того, возвратные трубы не должны располагаться в том же углу танка, где расположена всасывающая труба насоса.

Всасывающая труба насоса должна быть с воронкообразным или коническим впускным отверстием, чтобы минимизировать потерю давления. По этой же причине всасывающая труба должна быть как можно короче и прямее и иметь достаточный диаметр. Манометр должен быть расположен близко к впускному отверстию насоса смазочного масла. Далее всасывающая труба должна быть оборудована обратным клапаном створчатого типа без пружины. Обратный клапан чрезвычайно важен, если насос приводится от двигателя, обратный клапан необходимо установить в таком положении, чтобы обеспечить самозакрывание.

Всасывающая и возвратная трубы сепаратора не должны располагаться в танке близко друг к другу.

Вентиляционная труба из масляного танка системы не может быть совмещена с вентиляционными трубами картера двигателя.

После длительной остановки должна существовать возможность повысить температуру масла в танке. В холодных условиях, возможна необходимость иметь нагревательные элементы в масляном танке для обеспечения прокачиваемости. Подогреватель сепаратора обычно используется единожды для повышения температуры масла до достижения прокачиваемости. После тепло может передаваться маслу от предварительно прогретого двигателя, если вязкость масла и, соответственно, потребление мощности масляного насоса предварительной смазки не превышает мощности электродвигателя.

Газовое топливо в картере может в очень небольших количествах растворяться в смазочном масле. Поэтому возможно попадание небольших количеств газа в системный масляный танк многотопливного двигателя вместе со смазочным маслом и испарение его в танке в пространство выше уровня масла. Поэтому системный масляный танк должен быть с закрытым верхом. Системный масляный танк многотопливного двигателя в части вентиляции должен быть оборудован так же, как его масляный картер. Отверстия системного масляного танка помимо трубки сапуна должны быть либо закрыты, либо иметь конструкцию, не позволяющую газовому топливу проникать танк (например, конструкции переливной трубы с водяным затвором). Трубки сапунов системных танков двигателей, находящихся в одном машинном отделении, не должны соединяться.

Конструкция и компоновка системного масляного танка может требовать одобрения классификационного общества для каждого конкретного проекта. Любые КИП, установленные в системном масляном танке, должны сертифицироваться Ex apparatus.

Пример компоновки системного масляного танка (DAAE007020e)

Танк свежего масла (2T03)

Для двигателей с мокрым картером масло в двигатель можно заливать при помощи шланга или канистры через лючок картера или патрубок сепаратора. Система должна быть устроена так, чтобы имелась возможность замера уровня залитого масла.

Сетчатые фильтры грубой очистки (2F01, 2F04, 2F06)

Рекомендуется установить сетчатые фильтры перед каждым насосом, чтобы защитить насос от повреждения. Чтобы минимизировать потери давления, сетчатый фильтр и всасывающая труба должны быть рассчитаны достаточно точно. Сетчатый фильтр всегда должен быть оборудован аварийной сигнализацией высокого перепада давления.

Данные для проектирования

Насос предварительной прокачки, резервный (2P04)

Резервный насос смазочного масла, как правило, винтового типа и должен быть оборудован перепускным клапаном.

Данные для проектирования

Система вентиляции картера

Система вентиляции картера двигателя предназначена для удаления газов из картера двигателя, чтобы поддерживать давление в картере в заданных пределах.

Каждый двигатель должен быть оснащён собственной вентиляционной трубой, ведущей к открытому воздуху. Вентиляционные трубы картера недопустимо совмещать с другими вентиляционными трубами, например, вентиляционными трубами из масляного танка системы.

Диаметр трубы должен быть достаточно большим во избежание чрезмерного противодавления. Другое оборудование трубопровода также должно быть разработано и настроено для предотвращения чрезмерного противодавления.

Конденсатную ловушку необходимо расположить на вытяжной трубе рядом с двигателем.

Соединение между двигателем и трубой должно быть гибким.

Данные для проектирования

Конденсатная ловушка

Инструкция по промывке

Инструкция по промывке в настоящем документе приводится только в качестве рекомендаций Для каждого конкретного проекта инструкции по промывке включены в Инструкцию по монтажу (IPI).

Трубопроводы и оборудование на двигателе

Промывка установленных на двигателе трубопроводов и оборудования не требуется, а промывочное масло не должно прокачиваться через систему смазочного масла на двигателе (которая промывается и очищается на заводе). При этом допустима циркуляция промывочного масла через масляный картер, если это кажется предпочтительным. После завершения промывки необходимо убедиться в чистоте картера.

Внешняя система масла

Расположение и описание компонентов, перечисленных ниже см. на диаграммах в разделе «Внешняя система смазочного масла».

Если двигатель оснащен мокрым масляным картером, масляные танки во внешней системе, танк свежего масла (2T03), танк восстанавливаемого масла (2T04) и танк очищенного масла (2T05) должны проверяться на предмет чистоты перед бункеровкой масла. В особенности необходимо обеспечить чистоту трубопроводов, ведущих от сепаратора (2N01) непосредственно к двигателю; их можно, например, отсоединить от двигателя и продуть сжатым воздухом.

Если двигатель оснащен сухим масляным картером, масляные танки во внешней системе, танк свежего масла и системный масляный танк (2T01) должны проверяться на предмет чистоты перед бункеровкой масла.

Сепараторы смазочного масла должны непрерывно работать до и во время промывки (не менее 24 часов). Сепаратор также должен продолжать работать после завершения промывки для удаления остаточных загрязнений.

Если в системе установлен резервный масляный насос с электроприводом (2P04), для промывки трубопровода следует использовать его, с циркуляцией масла через временный внешний масляный фильтр (с рекомендуемым размером ячейки 34 микрона) и возвратом масла через лючок картера в картер двигателя. Насос должен быть защищен фильтром на всасывании (2F06).

По возможности в течение всей промывки для отвода загрязнений должен постоянно работать сепаратор. Сепаратор также должен продолжать работать после завершения промывки для удаления остаточных загрязнений.

Тип промывочного масла

Вязкость

Для того, чтобы при промывке поток масла мог собирать и отводить загрязнения, идеально подходит вязкость 10...50 сСт. Правильную вязкость можно обеспечить нагреванием моторного масла до прибл. 65°C или использованием отдельного промывочного масла, имеющего идеальную вязкость при комнатной температуре.

Промывка моторным маслом

Идеальным считается использование для промывки моторного масла. Для этого, однако, требуется, чтобы сепаратор был в работе для подогрева масла. Моторное масло, использовавшееся для промывки, может снова использоваться в двигателе при условии, что при завершении промывки в нем не содержалось механических частиц и прочих загрязнений.

Промывка маловязким промывочным маслом

Если нагревание с помощью сепаратора при промывке невозможно, можно использовать вместо моторного маловязкое промывочное масло. В этом случае по окончании промывки маловязкое промывочное масло необходимо утилизовать. Требуется тщательно удалять промывочное масло из застойных участков и со дна танков, чтобы остающееся в системе промывочное масло не приводило к разжижению моторного масла.

Образец смазочного масла

Для проверки чистоты системы специалист Wärtsilä производит отбор образца смазочного масла после завершения промывки. При этом анализируются следующие свойства: вязкость, щелочное число, кислотное число, присутствие нерастворимых примесей, железа и механических частиц.

В это время необходимо продолжать выполнение пуско-наладочных работ, если только сервисный инженер не уверен в том, что масло загрязнено.

Перечень символов, используемых в чертежах

Перечень символов

Литература

Двухтопливные двигатели WÄRTSILÄ 34DF проектное руководство

MirMarine
MirMarine – образовательный морской сайт для моряков.
На нашем сайте вы найдете статьи по судостроению, судоремонту и истории мирового морского флота. Характеристики судовых двигателей, особенности устройства вспомогательных механизмов и систем.