Wärtsilä 34DF – Конструкция машинного отделения

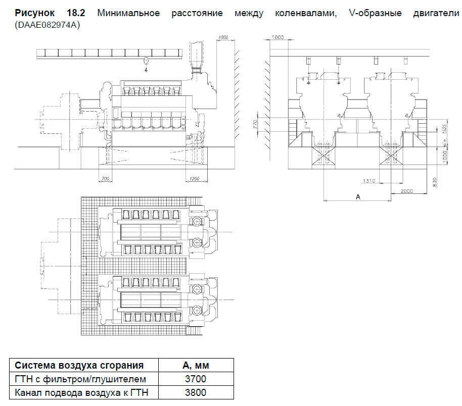
Расстояния между коленвалами

Минимальное расстояние между коленвалами должно быть таким, чтобы между двигателями было достаточное пространство для эксплуатации и техобслуживания.

Главные двигатели

Минимальное расстояние между коленвалами, рядные двигатели (DAAE082974A)

Минимальное расстояние между коленвалами, V-образные двигатели

Дизель-генераторные установки (ДГУ)

Расстояние между коленвалами, рядные дизель-генераторы

Расстояние между коленвалами, V-образные дизель-генераторы

Установка с разными двигателями

При подключении двух двигателей разного типа и/или размера к одному редуктору минимальное расстояние между коленвалами определяется для каждого конкретного проекта. Однако можно дать некоторые общие рекомендации:

  • Важно убедиться, что возможен демонтаж всех компонентов двигателя. Наиболее критическими компонентами обычно являются ГТН и воздушные холодильники.
  • При использовании комбинации рядного и v-образного двигателя обслуживаемая сторона рядного должна быть обращена к v-образному для уменьшения расстояния между коленвалами.
  • Следует особенно тщательно проверять высоту платформ для обслуживания между двигателями, чтобы конструкции не закрывали зоны обслуживания.

Пример установки с разными двигателями, 9L34DF + 12V34DF, ГТН со свободного конца

Расстояние от близкого промежуточного/гребного вала

В некоторых установках используются промежуточные или гребные валы, проходящие близко от двигателей.

Для обеспечения достаточной зоны для инспекции и обслуживания двигателя должно оставаться достаточное пространство между такими валами и двигателями. Для обеспечения безопасных условий работы валы должны быть закрыты кожухами. Следует отметить, что габариты кожухов также должны приниматься во внимание при определении расстояний для выполнения требований по минимальному пространству между валом и двигателем.

Компоновка установки с рядными главными двигателями (DAAE086972B)

Компоновка установки с v-образными главными двигателями (DAAE083977, DAAF068349)

Пространство для техобслуживания

Рабочее пространство вокруг двигателя

Необходимое рабочее пространство вокруг двигателя определяется, в основном, пространством, необходимом для демонтажа узлов двигателя, а также требованиями, предъявляемыми при использовании некоторых специальных инструментов. Особенно важно, чтобы рядом с приводимыми двигателем насосами или техническими дверцами для обслуживания распредвала или картера не находились никакие конструкции, препятствующие доступу.

Однако, даже в тех местах, где не требуется пространство для демонтажа деталей двигателя, рекомендуется зарезервировать минимум 1000 мм свободного пространства вокруг двигателя для проведения работ по обслуживанию.

Высота машинного отделения и подъемное оборудование

Требуемая высота машинного отделения зависит от организации пространства для подъема и транспортировки частей двигателя. Минимальная высота машинного отделения достигается, если в машинном отделении достаточное поперечное и продольное пространство, т.е. нет необходимости перемещать узлы через защитный кожух или крышки коромысла.

Для капитального ремонта ГТН необходимо предусмотреть отдельное подъемное оборудование, поскольку перемещение мостового крана ограничено выхлопной трубой. Рекомендуется применение цепного палиспаста на балке, установленной сверху ГТН по его оси.

Платформы для техобслуживания

В целях обеспечения эффективного техобслуживания двигателя полезно соорудить на рекомендуемой высоте платформы для техобслуживания. Ширина платформ должна составлять минимум 800 мм, что будет обеспечивать достаточное рабочее пространство. Поверхность платформ для техобслуживания должна быть из нескользкого материала (решетка или плита, размеченная квадратами).

Транспортировка и хранение запчастей и инструментов

Для тяжелых компонентов двигателя необходимо предусмотреть средства для транспортировки из машинного отделения в мастерскую и места хранения, такие, как, например, несколько цепных палиспастов на балках или соответствующие передвижные блоки. Если транспортировка производится с помощью нескольких подъемников, то области покрытия соседних подъемников должны быть максимально приближены друг к другу.

Люк техобслуживания в машинном отделении должен быть достаточно большим, чтобы через него можно было осуществлять транспортировку всех основных компонентов двигателя в/из машинного отделения.

Рекомендуется хранить тяжелые компоненты двигателя на некотором возвышении на легко приспосабливаемых поверхностях, как, например, деревянные грузовые поддоны. Все запчасти двигателя необходимо предохранять от коррозии и избыточной вибрации.

На установках с одним главным двигателем необходимо хранить тяжелые узлы рядом с двигателем, чтобы возможно было быстро осуществить ремонт в аварийных ситуациях.

Пространство на палубе, необходимое для техобслуживания

При капитальном ремонте требуется некоторое пространство на палубе для очистки и размещения демонтированных компонентов. Размер данного пространства для техобслуживания зависит от стратегии ремонта, т.е. производится ли ремонт одного цилиндра или всего двигателя сразу. Пространство для техобслуживания должно быть плоским, стальным и рассчитанным под вес деталей двигателя.

Требования по зонам обслуживания для рядного двигателя

Пространство для техобслуживания двигателя с ГТН со свободного конца (DAAE083978)

Требования по зонам обслуживания для V-образного двигателя

Пространство для техобслуживания двигателя с ГТН со свободного конца

Литература

Двухтопливные двигатели WÄRTSILÄ 34DF проектное руководство

MirMarine
MirMarine – образовательный морской сайт для моряков.
На нашем сайте вы найдете статьи по судостроению, судоремонту и истории мирового морского флота. Характеристики судовых двигателей, особенности устройства вспомогательных механизмов и систем.