Подъем главных двигателей
Подъем дизель-генераторов
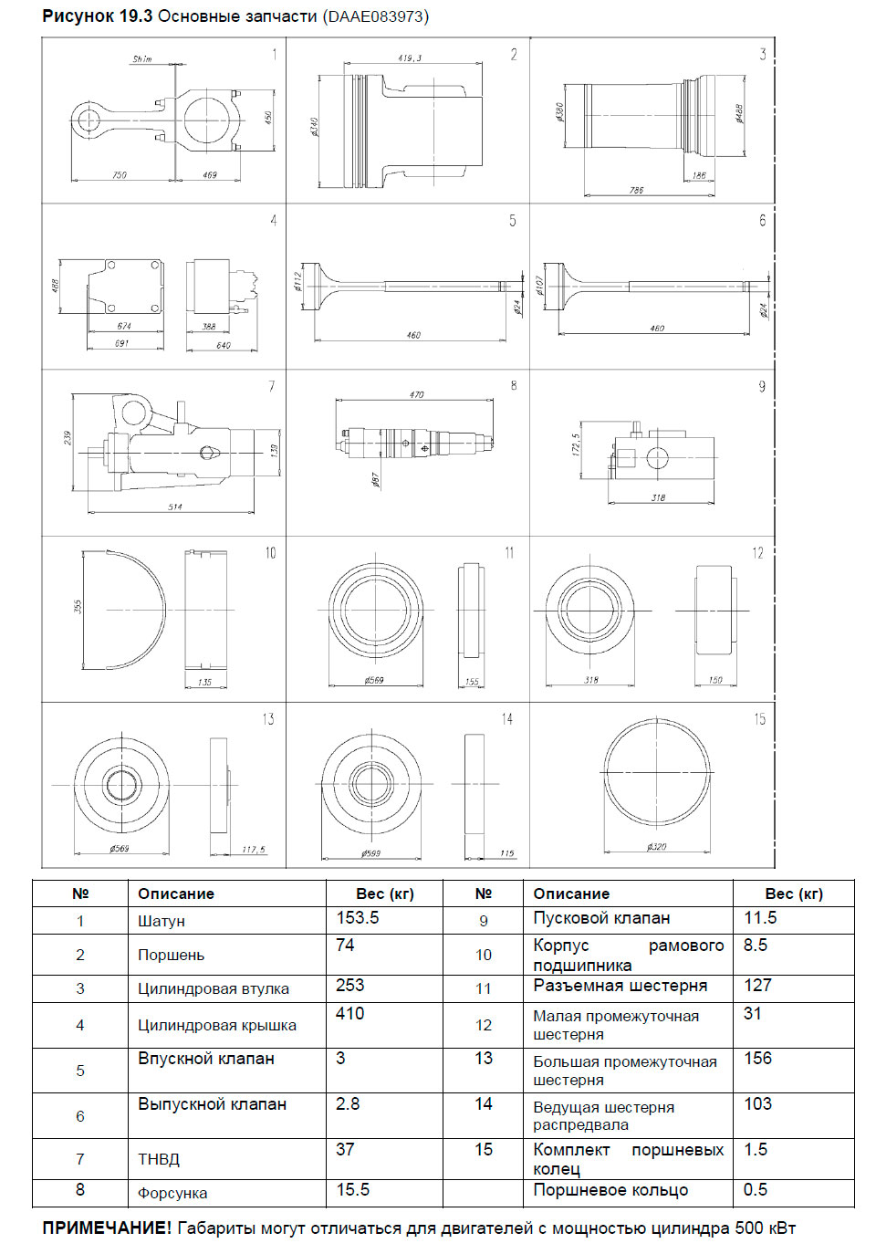
Компоненты двигателя
Литература
Двухтопливные двигатели WÄRTSILÄ 34DF проектное руководство
Двухтопливные двигатели WÄRTSILÄ 34DF проектное руководство