Wärtsilä 50DF – Система сжатого воздуха

Сжатый воздух используется для запуска двигателей и для приведения в действие устройств защиты и контроля. Использование пускового воздуха для других целей ограничено классификационными нормами. Чтобы элементы системы сжатого воздуха функционировали, необходимо, чтобы сжатый воздух был очищен от твёрдых частиц и масла.

Внутренняя система сжатого воздуха

Внутренняя система пускового воздуха, рядные двигатели

Внутренняя система пускового воздуха, V-образные двигатели (3V69E8746-3h)

Внешняя система сжатого воздуха

Конструкция системы пускового воздуха частично определяется классификационными нормами. Большинство классификационных обществ требуют, чтобы полный объем разделялся на два равных потока – к воздушным ресиверам и к компрессорам пускового воздуха. Требования, касающиеся составных двигательных установок, могут стать предметом специального рассмотрения классификационного общества.

Трубы пускового воздуха всегда должны иметь небольшой наклон и оснащаться ручной или автоматической системой слива в самых нижних точках.

Рабочий воздух на устройства безопасности и управления должен обрабатываться через осушитель.

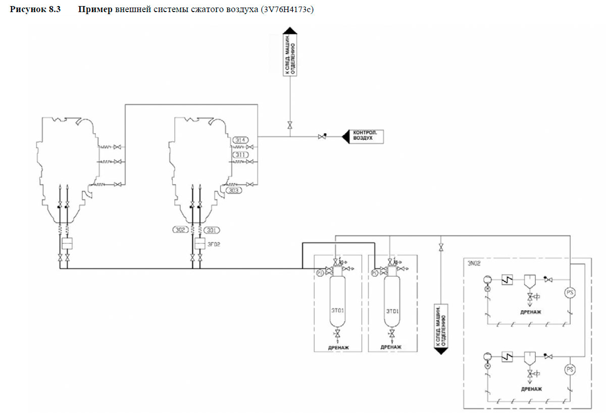
Пример внешней системы сжатого воздуха (3V76H4173c)

Компрессорная установка пускового воздуха (3N02)

Необходимо установить, по крайней мере, два компрессора пускового воздуха. Рекомендуется, чтобы компрессоры были способны заполнять баллон с пусковым воздухом от минимального (1.8 мПа) до максимального давления за 15…30 минут. Для точного определения минимальной производительности, необходимо следовать правилам классификационного общества.

Сепаратор масла и воды (3S01)

На трубе между компрессором и воздушной камерой должен быть всегда установлен сепаратор масла и воды. В зависимости от условий эксплуатации установки, может потребоваться сепаратор масла и воды на трубе между воздушной камерой и двигателем.

Баллон с пусковым воздухом (3T01)

Баллоны с пусковым воздухом должны быть рассчитаны на нормальное давление, равное 3 мПа. Количество и объём воздушный баллонов для главных двигателей зависит от требований классификационного общества и типа установки.

При расчёте требуемого объёма баллонов рекомендуется брать минимальное давление воздуха, равное 1.8 мПа.

Баллоны с пусковым воздухом должны быть оснащены, по крайней мере, клапаном с ручным управлением для удаления конденсата. Если баллоны располагаются горизонтально, тогда необходимо обеспечить наклон в 3…5° в сторону спускного клапана для обеспечения эффективности слива.

Баллон с пусковым воздухом

Потребление пускового воздуха, указанное в технических данных, справедливо для удачных стартов. При дистанционном старте главный пусковой клапан держится открытым, пока двигатель не запустится, или пока не истечёт макс. время, отведённое для попытки пуска. При неудачном дистанционном старте расход может в 2 раза превысить объём воздуха, указанный в технических данных. Если на корабле введена система обозначений для необслуживаемого машинного отделения, тогда старты необходимо представлять как дистанционные, обычно таким образом, что только последняя попытка запуска является успешной.

Требуемый общий объём баллона пускового воздуха может быть посчитан по формуле:

ЗАМЕЧАНИЕ! Общий объём баллона должен быть разделён по крайней мере на два равных по объёму баллона с пусковым воздухом.

Литература

Двухтопливные двигатели WARTSILA 50DF руководство по проектированию [2010]

MirMarine
MirMarine – образовательный морской сайт для моряков.
На нашем сайте вы найдете статьи по судостроению, судоремонту и истории мирового морского флота. Характеристики судовых двигателей, особенности устройства вспомогательных механизмов и систем.