Общие сведения
Для управления котельными агрегатами и контроля за их работой предусматривается специальная арматура и контрольно-измерительные приборы. Расположение арматуры на котле и ее минимально необходимое количество определяется требованиями классификационных обществ (Регистр Ллойда, Веритас и др.).
В зависимости от назначения арматуру котла можно разделить на следующие типы:
- на запорно-разобщительную - регулирующую потоки пара и воды;
- предохранительную - обеспечивающую надежность конструкции котла;
- контрольно-измерительную - служащую для контроля давления, температуры пара и воды, уровня воды в котле.
Автоматизированные котельные агрегаты имеют дополнительные устройства обеспечивающие их нормальную эксплуатацию (датчики давления и температур, исполнительные механизмы, средства сигнализации и др.).
Расположение арматуры на водотрубном котле показано на рис. 9.87. Каждый котел отделяется от главной и вспомогательной паровых магистралей разобщительными стопорными клапанами, установленными непосредственно на котле. Эти клапана, а также вспомогательные клапана, подводящие пар к распределительным коробкам вспомогательной паровой магистрали, должны иметь привод с верхней палубы, чтобы их можно было перекрыть в случае аварии МКО, например, при разрыве паропровода.
Рис. 9.87. Расположение арматуры на водотрубном котле. Позиции на рисунке означают: 1 - предохранительный клапан; 2 и 16 - вспомогательные стопорные клапаны перегретого и насыщенного пара; 3 - патрубок к стопорному клапану на пароперегреватель; 4 и 5 - краны воздушный и на манометр; 6 - водоуказательный прибор; 7 и 8 - солемерный и питательный клапаны; 9 и 12 - клапан и труба верхнего продувания; 10 - клапан для заполнения котла водой и введения химических реагентов; 11 - питательная труба; 13 - клапан (или кран) нижнего продувания; 14 - манометры; 15 - дренажный клапан; 17 - главный стопорный клапан; 18 - коллектор пароперегревателя.
Ниже приведены конструкции клапанов устанавливаемых на котлах (табл. 9.2 и 9.3).
Конструкции запорных клапанов
Рис 1. Стопорный угловой запорный клапан, который обычно устанавливается на барабане цилиндрических котлов. Корпус клапана- стальное литье с запрессованным бронзовым гнездом. Шток клапана, имеющий винтовой привод, соединяется с тарелкой с помощью гайки и сухарей.
Позиции на рисунке: 1 - маховик; 2 - крышка корпуса; 3 - корпус клапана; 4 - шток клапана; 5- клапан.
Рис 2. Стопорный проходной запорный клапан, который устанавливается на паровых магистралях вспомогательных котлов низкого давления. Корпус клапана-стальное литье. Гнездо запрессованное в корпус клапан - бронзовое. Клапан соединен со штоком с помощью гайки и сухарей.
Позиции на рисунке: 1 - маховик; 2 - крышка корпуса; 3 - корпус; 4 - шток клапана; 5 - клапан.
Рис 3. Невозвратно-запорный проходной клапан. Устанавливается на водогрейных котлах на линии циркулирующей воды без жесткой связи штока и клапана. Клапан открывается при работе насоса под действием давления, если шток клапана был поднят.
Позиции на рисунке: 1 - маховик; 2 - крышка корпуса; 3 - корпус клапана; 4 - шток клапана; 5 - клапан.
Рис 4. Проходной стопорный клапан водотрубного и цилиндрического котлов. Клапан стальной, литой, гнездо и клапан изготовлены из монельметалла. В корпусе клапана находится пробка продувания.
Позиции на рисунке: 1 - маховик; 2 - крышка корпуса; 3 - пробка продувания; 4 - клапан; 5 - корпус; 6 - шток; 7 - корпус сальника штока; 8 - направляющая штока и указатель состояния клапана.
Рис 5. Угловой стопорный клапан с дистанционным приводом. Устанавливается на барабане водотрубных котлов. При установке на коллекторе пароперегревателя- корпус клапана выполняют литым стальным, крышку - кованой или литой стальной, тарелка клапана и гнездо - из монель-металла, стальными с наплавкой из стеллита или из нержавеющей стали.
Позиции к рисунку: 1 - сальник штока; 2 - клапан; 3 - корпус; 4 - гнездо клапана; 5 - шток; 6 - крышка корпуса; 7 - указатель положения клапана; 8 - зубчатый маховик; 9 - привод дистанционного управления клапаном.
Рис 6. Питательная головка вспомогательного водогрейного котла. Представляет собой сочетание проходного и невозвратного клапана.
Позиции к рисунку: 1 - нажимная сальниковая гайка; 2 - регулировочная головка подъема клапана; 3 - корпус; 4 - клапан с хвостовиком и штоком; 5 - пробка для продувки; 6 - запорная пробка.
Рис 7. Штуцерный кран установленный на вспомогательных котлах. Предназначен для отбора проб котловой воды. Такие краны используют для дополнительного контроля за уровнем воды в котле.
Позиции на рисунке: 1 - пробка; 2 - штуцер; 3 - нажимная гайка сальника.
Рис 8. Штуцерный клапан. Устанавливается на барабане котла или коллекторе и используется для удаления воздуха из котла.
Позиции на рисунке: 1 - сальниковое уплотнение; 2 - крепежная резьба.
Конструкции питательных клапанов котлов
Рис 1. На каждом судовом котле должны быть установлены два питательных клапана. На утилизационном котле может быть один питатель-клапан.
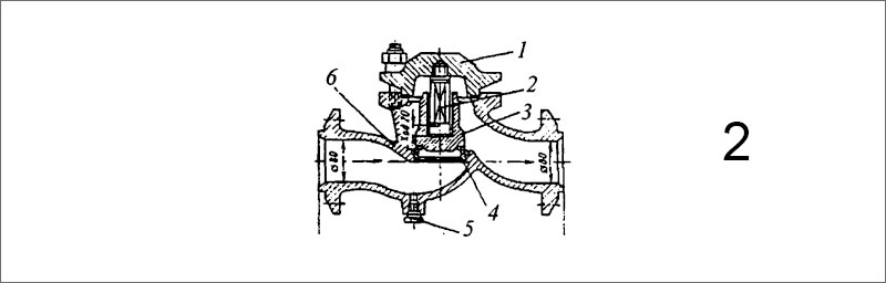
Любой питательный клапан состоит из двух клапанов: невозвратного и невозвратно-запорного. Такое устройство дает возможность пропускать воду только в одном направлении - в котел. Вода, подаваемая насосом в магистраль питания, приподнимает последовательно клапан невозвратный и невозвратно-запорный и проходит в котел. Неисправный невозвратный клапан можно отключать от действующего котла перекрытием невозвратно-запорного клапана при помощи штока. Высота подъема невозвратно-запорного клапана регулируется маховиком, перемещающим по резьбе в крышке клапана его шток. Позиции на рисунке: 1 - невозвратный клапан; 2 - шток; 3 - невозвратно-запорный клапан.
Невозвратный и запорные питательные клапаны, выполненные в общем корпусе, устанавливают на котле таким образом, чтобы котельное давление действовало на него снизу.
Рис 2. Невозвратный питательный клапан водотрубных котлов в отдельном корпусе. Невозвратный клапан в соответствии с требованием классификационных обществ (Регистра Ллойда, Веритас) размещают перед запорным питательным клапаном, установленным непосредственно на барабане котла. Это объясняется тем, что невозвратный клапан изнашивается быстрее и при ремонте он должен быть разобщен с барабаном при помощи запорного клапана.
Позиции к рисунку: 1 - крышка корпуса; 2 - шток клапана; 3 - тарелка невозвратного клапана; 4 - седло клапана; 5 - пробка; 6 - корпус клапана.
Рис 3. На питательной магистрали котлов устанавливают регулирующий питательный клапан, предназначенный для работы с системой автоматического регулирования (САР) питания котла.
Питательная вода по магистрали поступает к фланцу 1 и проходит между тарелками и седлами 5 клапана и далее проходит к выходному патрубку 6, подсоединенному к питательному клапану. Шток клапана уплотнен сальниковыми коробками 3 и рычагом 2, который соединен с сервомотором. САР. Наличие двух тарелок на клапане обеспечивает его уравновешенность и дает возможность плавного изменения проходного сечения клапана.
Рис 4. На вспомогательных цилиндрических котлах с низким давлением пара в котле на магистрали питания могут быть установлены угловые невозвратные клапана.
Позиции на рисунке: 1 - направляющая штока клапана; 2 - тарелка клапана; 3 - гнездо клапана; 4 - корпус; 5 - крышка корпуса.
Рис 5. Манометровый кран используется для подсоединения рабочего манометра для контроля за давлением рабочего пара в котле и наличием второго клапана с отводом для присоединения контрольного манометра с целью проверок правильного показания и исправности рабочего манометра.
Позиции на рисунке: 1 - маховик клапана рабочего манометра; 2 - маховик клапана контрольного манометра; 3 - корпус.
Рис 6. Пробковый кран продувания. Предназначен для удаления шлама, оседающего в нижних частях котла. Он представляет собой обычную конструкцию проходного сальникового фланцевого пробкового крана.
Позиции на рисунке: 1 - корпус крана; 2 - пробка.
Рис 7. Дисковый кран нижнего продувания. Обычные клапана для нижнего продувания вспомогательных котлов не применяются, что связано с вероятностью попадания кусочков твердой накипи под клапан, в результате чего он не закроется и вода может быть выдута из котла.
Позиции на рисунке: 1 - патрубок входа котельной воды; 2 - эксцентриковый диск; 3 - рукоятка управления диском; 4 - выход продуваемой котельной воды.